GM Service Manual Online
For 1990-2009 cars only
Makes
🢒
Oldsmobile
🢒
2002
🢒
Intrigue
🢒
Body and Accessories
🢒
Wiring Systems
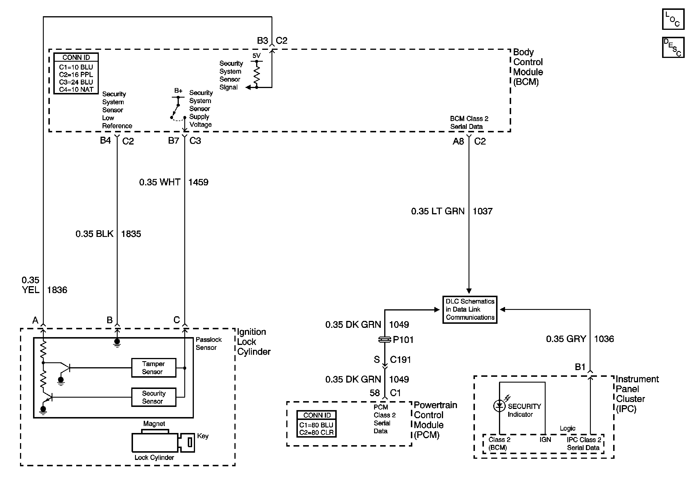
🢒 Theft Deterrent System Schematics
Master Electrical Component List
Theft Systems Description and Operation
DLC, and Splice Pack