GM Service Manual Online
For 1990-2009 cars only

Crankshaft Bearing Installation Procedure


    Object Number: 233212  Size: SH

    Important: If the crankshaft bearings have been used in a running engine, you must replace them with NEW crankshaft bearings for reassembly.

  1. Clean the upper and lower crankcase crank bore with a lint-free cloth.
  2. Clean all the oil from the backside of new bearing halves.
  3. Install new upper crankshaft bearings into position. The thrust bearing (1) belongs in the number three journal (2). Ensure that the upper bearing insert contains the oil transfer hole and groove. Roll the bearing into position so that the lock tang engages the crank slot. The bearing must fit flush with the upper crankcase.

  4. Object Number: 233357  Size: SH

    Important: The number three crankshaft lower bearing is wider than the other crankshaft lower bearings and must be installed in the proper position.

  5. Install new lower crankshaft bearings into position in the lower crankcase. The lower crankcase crankshaft bearings are identified by NO grooves or holes. The bearings must fit flush with the lower crankcase.
  6. Apply a liberal amount of crankshaft prelube GM P/N US 1052367, Canada 992869, or clean engine oil GM P/N US 12345501, Canada 992704, to the upper and lower bearing surfaces.

Crankshaft Installation Procedure


    Object Number: 234544  Size: SH
  1. Install the crankshaft sprocket drive pin (1). If necessary, lightly tap the pin in place with a small hammer until it bottoms on the crankshaft.

  2. Object Number: 233800  Size: SH
  3. Gently lower the crankshaft into position in the cylinder block.
  4. Ensure that the crankshaft turns without binding or noise.

Crankshaft Bearing Clearance Measurement Procedure

Tools Required

J 36660-A Torque Angle Meter


    Object Number: 233806  Size: SH

    Important: The crankshaft oil scraper is stamped with an arrow for the front of engine.

  1. Place a length of fresh, room temperature plastic gaging material all the way across all the crankshaft bearing journals.
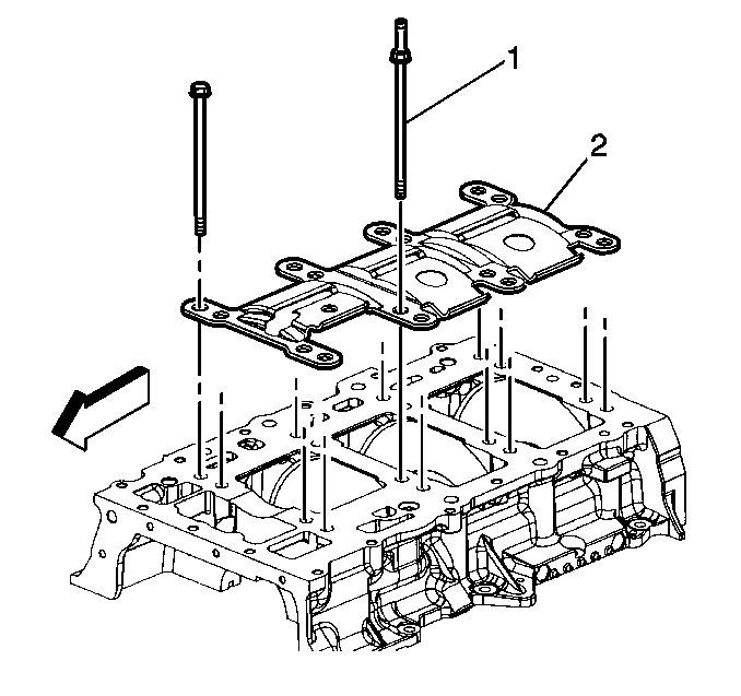
  2. Place the crankshaft oil scraper (2) in position on the lower crankcase. Align the holes with the main bearing bolt holes.
  3. Important: The crankshaft oil scraper is stamped for the location of the single stud-head bolt.

  4. Place into position the main bearing bolts. The single stud-head bolt (1) is used for oil pump pick-up mounting.

  5. Object Number: 576540  Size: SH
  6. Align the lower crankcase with the dowel pins in the upper crankcase.
  7. Install the lower crankcase onto the upper crankcase slowly until feeling a positive stop.
  8. Inspect the upper-to-lower crankcase joint to ensure that the lower crankcase is fully seated on the cylinder block.
  9. Loosely install the nine lower crankcase perimeter bolts.

  10. Object Number: 263968  Size: SH

    Notice: Use the correct fastener in the correct location. Replacement fasteners must be the correct part number for that application. Fasteners requiring replacement or fasteners requiring the use of thread locking compound or sealant are identified in the service procedure. Do not use paints, lubricants, or corrosion inhibitors on fasteners or fastener joint surfaces unless specified. These coatings affect fastener torque and joint clamping force and may damage the fastener. Use the correct tightening sequence and specifications when installing fasteners in order to avoid damage to parts and systems.

  11. Tighten the lower crankcase bolts (1 through 16) in proper sequence.
  12. Tighten

    1. Tighten the lower crankcase bolts in sequence to 20 N·m (15 lb ft).
    2. Tighten the lower crankcase bolts in sequence an additional 70 degrees using the J 36660-A .

    Object Number: 679792  Size: SH
  13. Tighten the lower crankcase perimeter bolts (1 through 9) in proper sequence.
  14. Tighten
    Tighten the lower crankcase perimeter bolts in sequence to 30 N·m (22 lb ft).

  15. After reaching final torque, allow the assembly to sit for two minutes.
  16. Remove the lower crankcase bolts.

  17. Object Number: 576540  Size: SH
  18. Remove the lower crankcase.

  19. Object Number: 54236  Size: SH
  20. Determine the crankshaft bearing clearance by comparing the width of the flattened plastic gaging material at its widest point with the graduation on the gaging material container.
  21. Important: The crankshaft bearings CAN be reused after checking the clearance if the bearings have never been used in a running engine.

  22. Compare your measurements with the Engine Mechanical Specifications . If the new bearings do not provide the proper crankshaft to bearing clearance, re-measure the crankshaft journals for the correct specified size and make sure you have the correct new bearings. If the crankshaft journals are incorrectly sized, replace the crankshaft. No crankshaft machining is permitted and undersized bearings are not available.
  23. Clean the plastic gaging material from the crankshaft bearing journals with a soft, lint-free cloth.