GM Service Manual Online
For 1990-2009 cars only

    Object Number: 607374  Size: SH

    Important: Do not reuse the intake manifold-to-cylinder head sealing gaskets.

  1. Remove and discard the intake manifold-to-cylinder head gaskets.

  2. Object Number: 640128  Size: SH
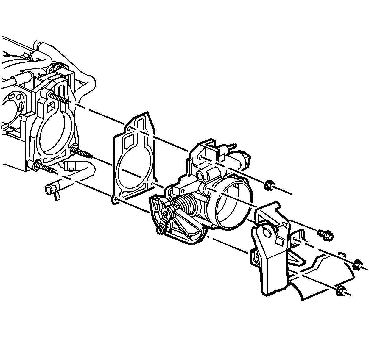
  3. Remove the accelerator cable bracket bolt.
  4. Remove the throttle body nuts.
  5. Remove the accelerator cable bracket, throttle body and throttle body gasket.

  6. Object Number: 679785  Size: SH
  7. Remove the brake booster vacuum hose (1).

  8. Object Number: 520852  Size: SH
  9. Remove the throttle body heater hoses from the throttle body adapter heater plate.

  10. Object Number: 679788  Size: SH
  11. Remove the MAP sensor from the top of the throttle body mounting location.

  12. Object Number: 679790  Size: SH
  13. Remove the purge solenoid bolt.
  14. Remove the purge solenoid.

  15. Object Number: 607377  Size: SH
  16. Remove the throttle body adapter heater plate bolt and studs.
  17. Remove the throttle body adapter heater plate from the intake manifold.

  18. Object Number: 607379  Size: SH
  19. Remove the pressure relief valve bolts.
  20. Remove the pressure relief valve.