GM Service Manual Online
For 1990-2009 cars only

Exhaust Manifold Removal - Left Side w/o RPO NC1 or NF7 - Intrigue


    Object Number: 277022  Size: SH
  1. Remove the exhaust manifold heat shield bolts.
  2. Remove the exhaust manifold heat shield.

  3. Object Number: 240838  Size: SH
  4. Loosen the exhaust manifold bolts.

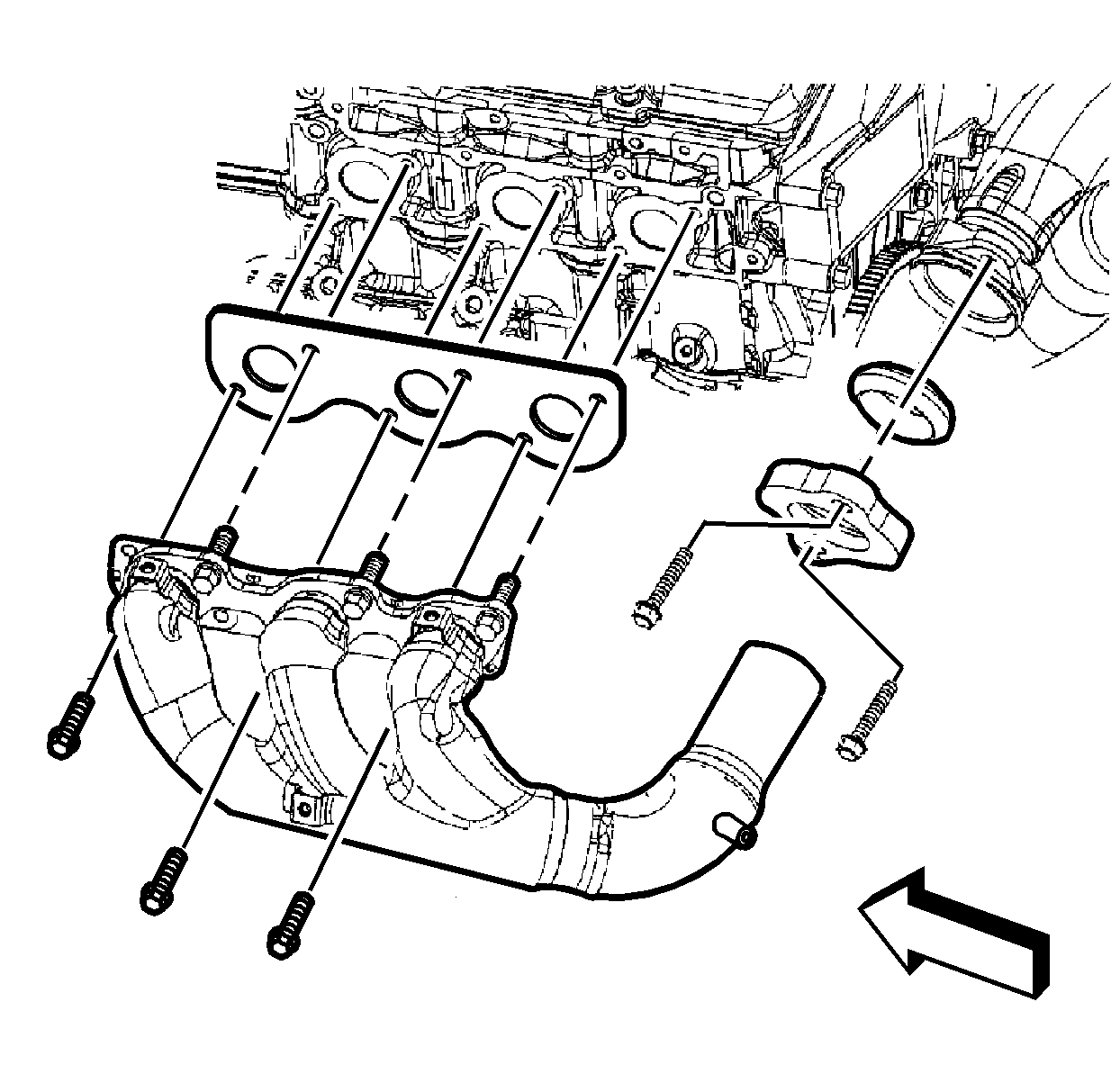
  5. Object Number: 679772  Size: SH
  6. Remove the left exhaust manifold to crossover pipe flange bolts.
  7. Remove the left exhaust manifold bolts.
  8. Important: DO NOT reuse the exhaust manifold gasket or flange gasket.

  9. Remove the left exhaust manifold, exhaust manifold gasket and flange gasket.

  10. Object Number: 281929  Size: SH
  11. Remove the left engine coolant heater bolt.
  12. Remove the left engine coolant heater.

Exhaust Manifold Removal - Left Side with RPO NC1 or NF7 - Aurora


    Object Number: 483143  Size: SH
  1. Disconnect the A.I.R. vacuum hose from the throttle body (1).
  2. Disconnect the vacuum tube from the A.I.R. control valve.

  3. Object Number: 520803  Size: SH
  4. Remove the left A.I.R. control valve pipe bolt and nut to the left A.I.R. manifold.
  5. Remove the left A.I.R. control valve bolt and nut from the torque strut bracket.

  6. Object Number: 520847  Size: SH
  7. Remove the left A.I.R. manifold bolts.
  8. Remove the left A.I.R. manifold.
  9. Remove and discard the A.I.R. manifold gasket.

  10. Object Number: 679775  Size: SH
  11. Remove the exhaust manifold heat shield bolts.
  12. Remove the exhaust manifold heat shield.

  13. Object Number: 240838  Size: SH
  14. Loosen the exhaust manifold bolts.

  15. Object Number: 679769  Size: SH
  16. Remove the left exhaust manifold to crossover pipe flange bolts.
  17. Remove the left exhaust manifold bolts.
  18. Important: DO NOT reuse the exhaust manifold gasket or flange gasket.

  19. Remove the left exhaust manifold.
  20. Remove the left exhaust manifold gasket and flange gasket.

  21. Object Number: 281929  Size: SH
  22. Remove the left engine coolant heater bolt.
  23. Remove the left engine coolant heater.

Exhaust Manifold Removal - Left Side with RPO NC1 or NF7 - Intrigue


    Object Number: 483143  Size: SH
  1. Disconnect the A.I.R. vacuum hose from the throttle body (1).
  2. Disconnect the vacuum tube from the A.I.R. control valve.

  3. Object Number: 520825  Size: SH
  4. Remove the left A.I.R. control valve pipe bolt and nut to the left A.I.R. manifold.
  5. Remove the left A.I.R. control valve bolts from the torque strut bracket.

  6. Object Number: 520847  Size: SH
  7. Remove the left A.I.R. manifold bolts.
  8. Remove the left A.I.R. manifold.
  9. Remove and discard the A.I.R. manifold gasket.

  10. Object Number: 277022  Size: SH
  11. Remove the exhaust manifold heat shield bolts.
  12. Remove the exhaust manifold heat shield.

  13. Object Number: 240838  Size: SH
  14. Loosen the exhaust manifold bolts.

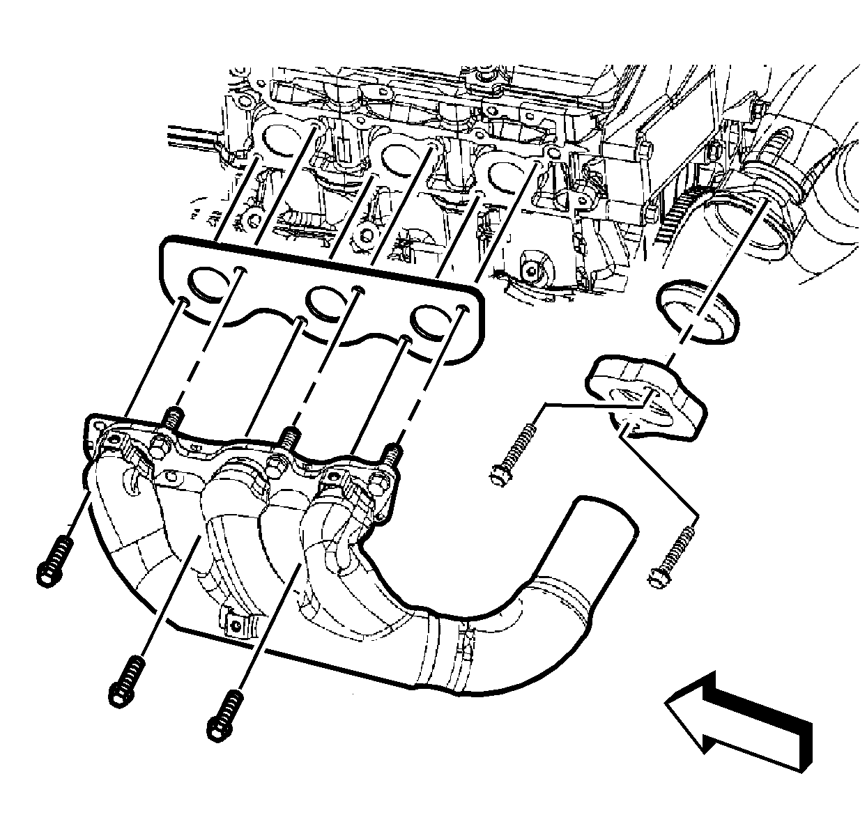
  15. Object Number: 679772  Size: SH
  16. Remove the left exhaust manifold to crossover pipe flange bolts.
  17. Remove the left exhaust manifold bolts.
  18. Important: DO NOT reuse the exhaust manifold gasket or flange gasket.

  19. Remove the left exhaust manifold.
  20. Remove the left exhaust manifold gasket and flange gasket.

  21. Object Number: 281929  Size: SH
  22. Remove the left engine coolant heater bolt.
  23. Remove the left engine coolant heater.

Exhaust Manifold Removal - Left Side w/o RPO NC1 or NF7 - Aurora


    Object Number: 679775  Size: SH
  1. Remove the exhaust manifold heat shield bolts.
  2. Remove the exhaust manifold heat shield.

  3. Object Number: 240838  Size: SH
  4. Loosen the exhaust manifold bolts.

  5. Object Number: 679769  Size: SH
  6. Remove the left exhaust manifold to crossover pipe flange bolts.
  7. Remove the left exhaust manifold bolts.
  8. Important: DO NOT reuse the exhaust manifold gasket or flange gasket.

  9. Remove the left exhaust manifold, exhaust manifold gasket and flange gasket.

  10. Object Number: 281929  Size: SH
  11. Remove the left engine coolant heater bolt.
  12. Remove the left engine coolant heater.