GM Service Manual Online
For 1990-2009 cars only

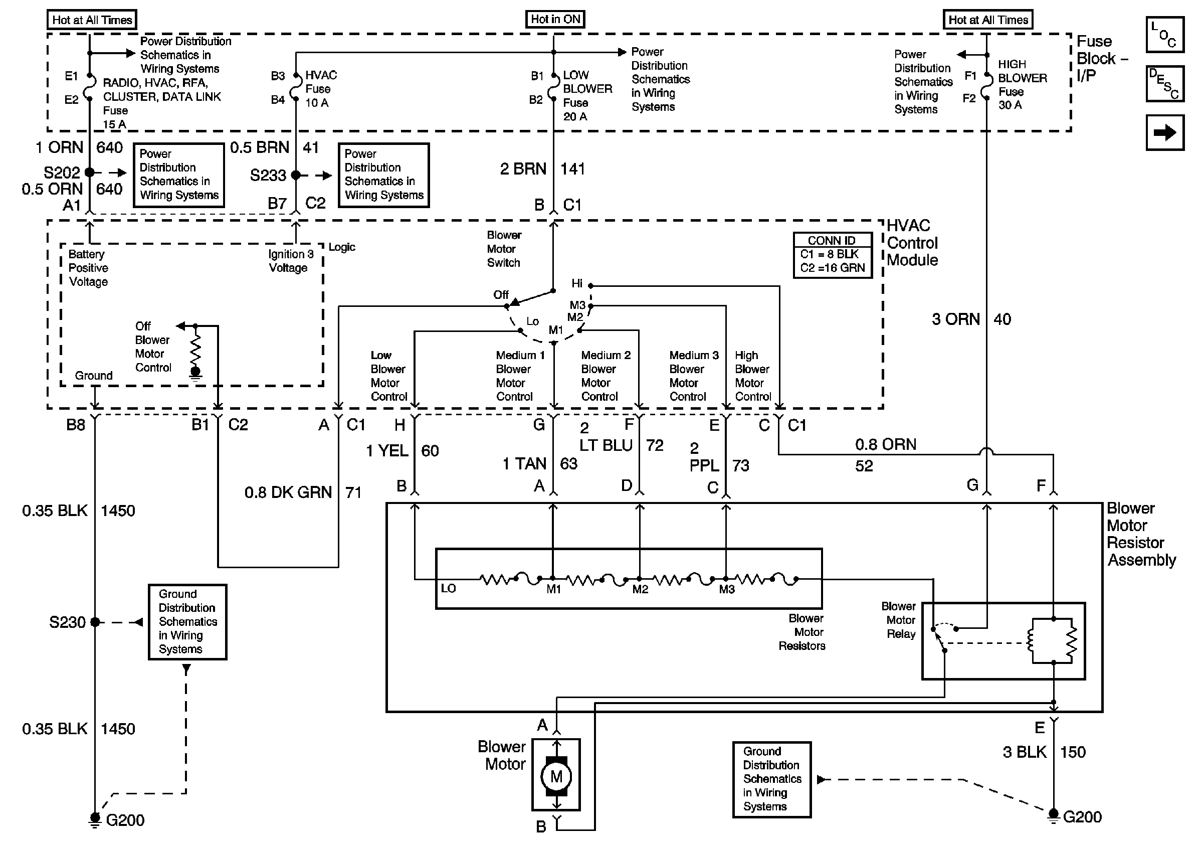
Power, Grounds, and Blower Controls

Power, Grounds, and Blower Controls


Object Number: 675216  Size: FS
Master Electrical Component List
Air Delivery Description and Operation
Power, Grounds, and Blower Controls
INADV POWER BUS/RAP, BCM, RADIO/HVAC/RFA CLUSTER/DATA LINK, RADIO AMP, and CIGAR LTR/AUX POWER/POWER DROP Fuses
INADV POWER BUS/RAP, BCM, RADIO/HVAC/RFA CLUSTER/DATA LINK, RADIO AMP, and CIGAR LTR/AUX POWER/POWER DROP Fuses
CRUISE SWITCH, LOW BLOWER, CRUISE, and HVAC Fuses
CRUISE SWITCH, LOW BLOWER, CRUISE, and HVAC Fuses
HIGH BLOWER, HAZARD, STOP LAMPS, DOOR LOCKS, and POWER MIRRORS Fuses
G200
G200