GM Service Manual Online
For 1990-2009 cars only
Makes
🢒
Oldsmobile
🢒
2002
🢒
Intrigue
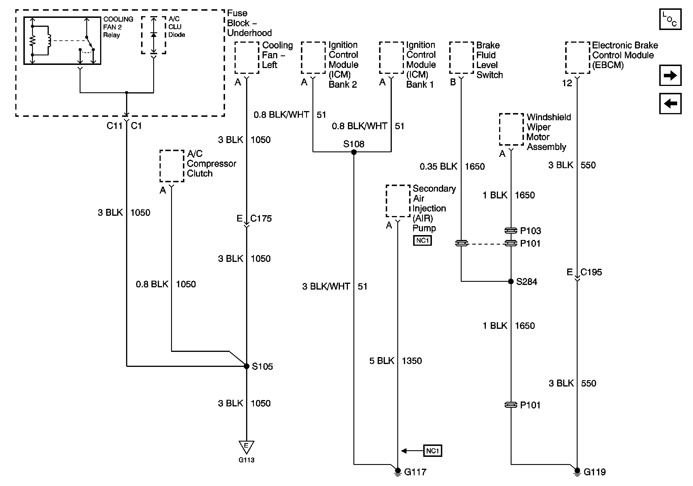
🢒 G113, G117, G119)
G113, G117, G119)
G113, G117, G119
Master Electrical Component List
G200
G113
G113