GM Service Manual Online
For 1990-2009 cars only
Makes
🢒
Oldsmobile
🢒
2002
🢒
Intrigue
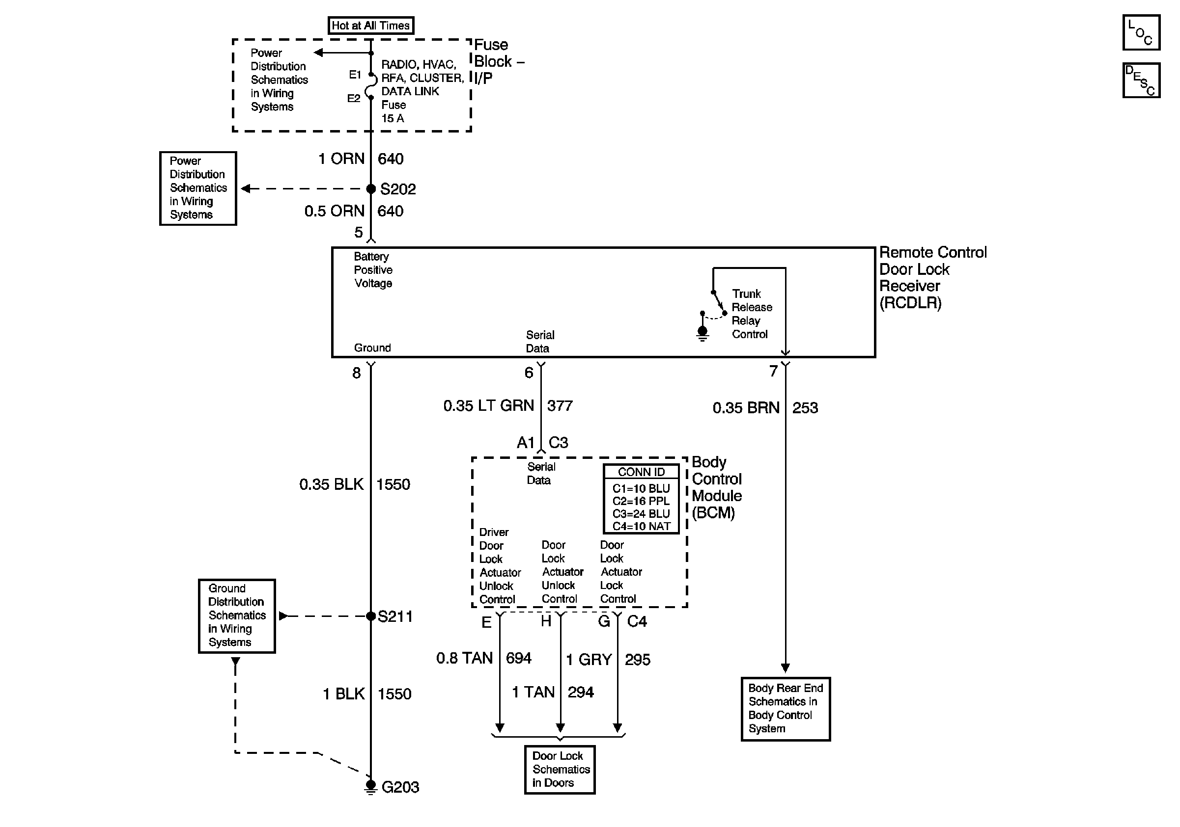
🢒 Power, Ground, and Serial Data, and Antenna Signal
Power, Ground, and Serial Data, and Antenna Signal
Master Electrical Component List
Keyless Entry System Description and Operation
INADV POWER BUS/RAP, BCM, RADIO/HVAC/RFA CLUSTER/DATA LINK, RADIO AMP, and CIGAR LTR/AUX POWER/POWER DROP Fuses
INADV POWER BUS/RAP, BCM, RADIO/HVAC/RFA CLUSTER/DATA LINK, RADIO AMP, and CIGAR LTR/AUX POWER/POWER DROP Fuses
G203
Door Lock Actuators
Power, Ground, Lid Release Relay, Lid Release Switch