GM Service Manual Online
For 1990-2009 cars only
Figure 1:

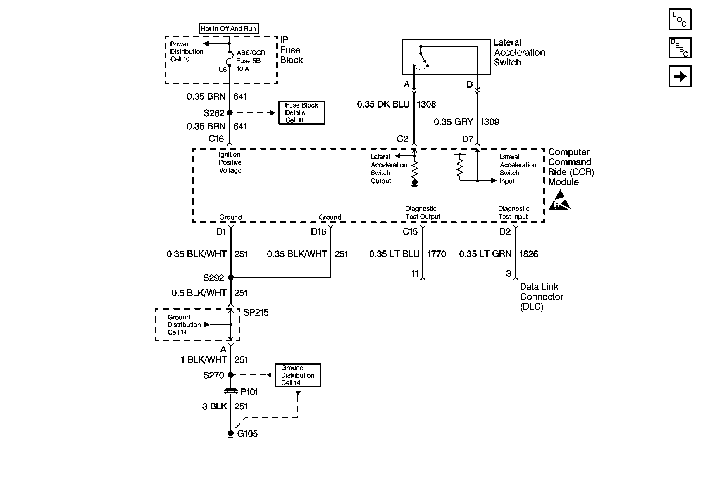
Cell 43: CCR Power and Grounds


Object Number: 204699  Size: FS
Suspension Controls Components
Real Time Damping Description
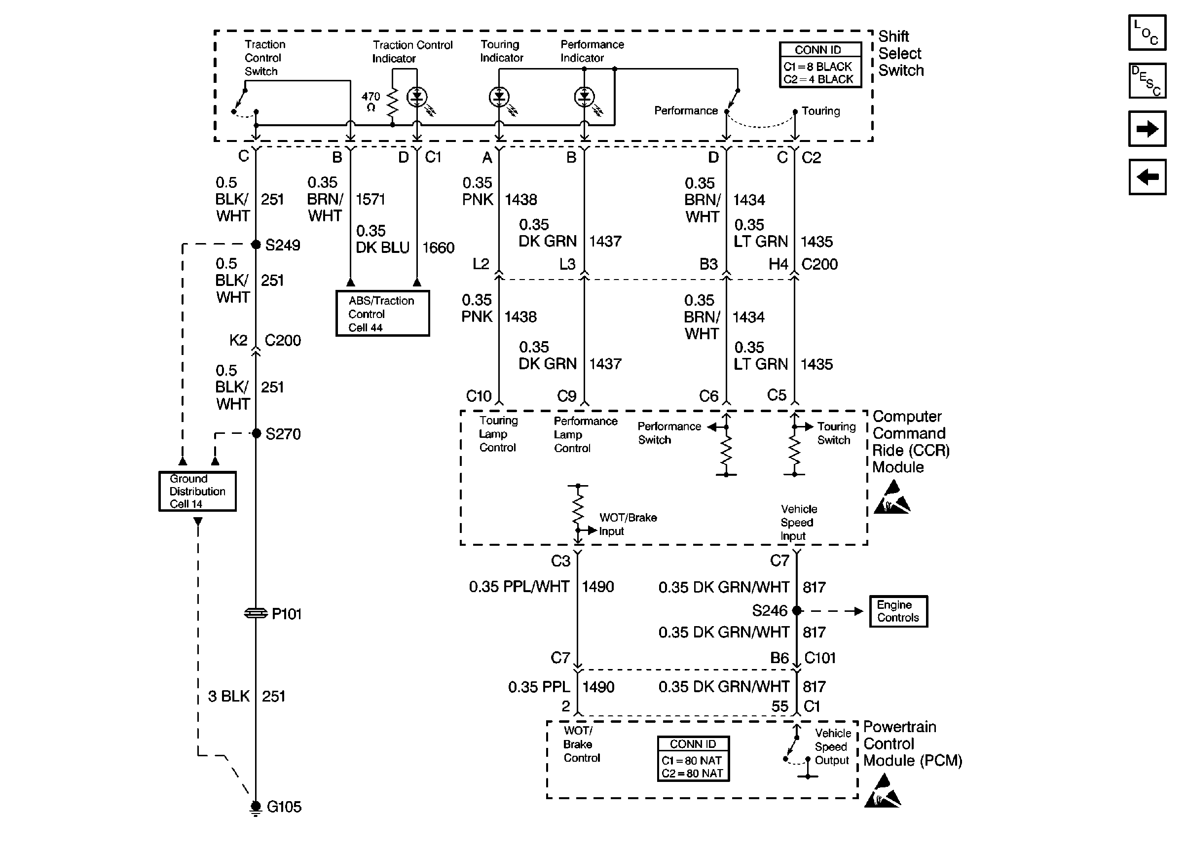
Cell 43: Shift Select Switch
Suspension Controls Schematic References
Suspension Controls Schematic References
Suspension Controls Schematic References
Suspension Controls Schematic References
Handling ESD Sensitive Parts Notice
Figure 2:

Cell 43: Shift Select Switch


Object Number: 204700  Size: FS
Suspension Controls Components
Real Time Damping Description
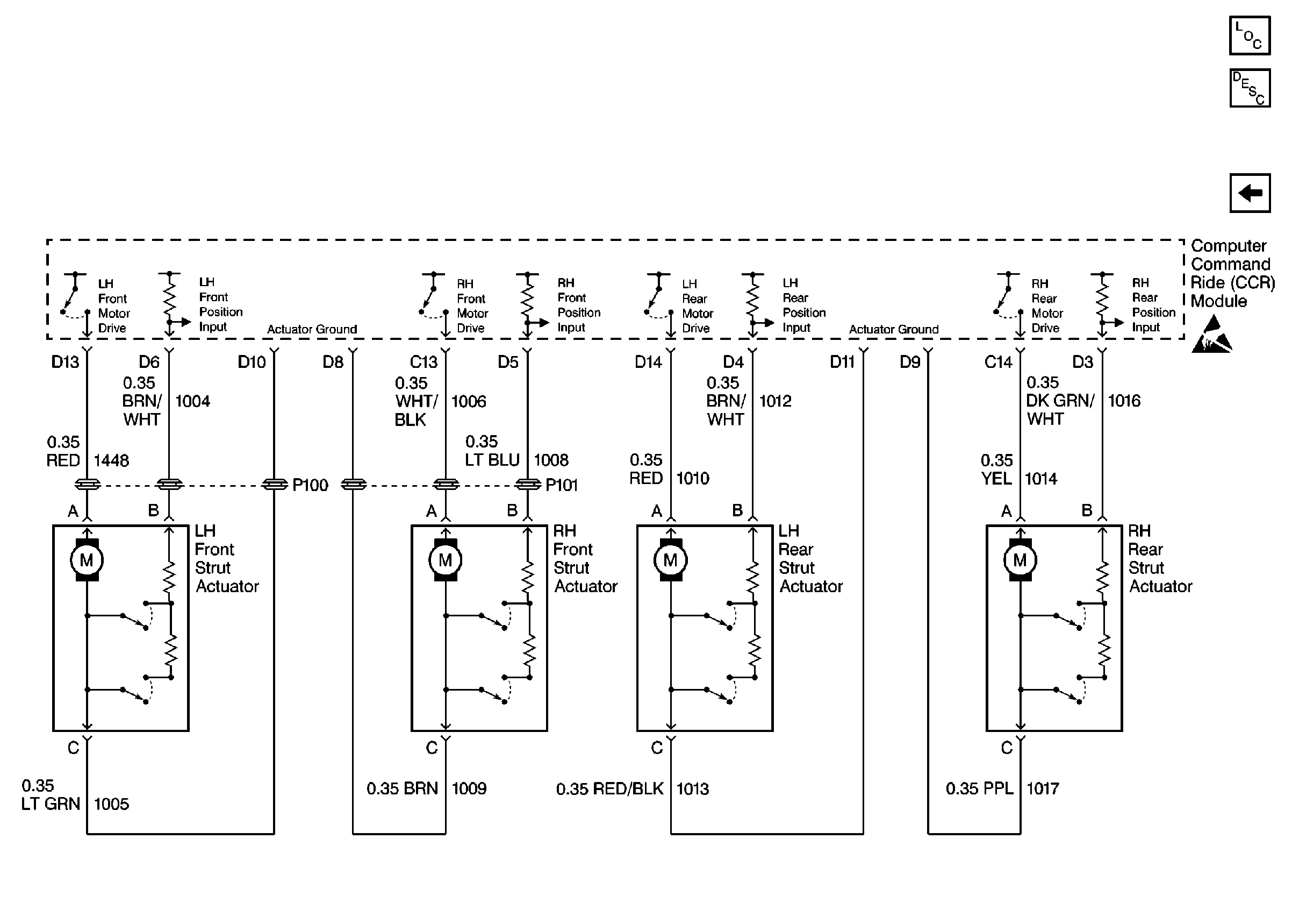
Cell 43: Strut Actuators
Cell 43: CCR Power and Grounds
Suspension Controls Schematic References
Suspension Controls Schematic References
Suspension Controls Schematic References
Handling ESD Sensitive Parts Notice
Handling ESD Sensitive Parts Notice
Figure 3:

Cell 43: Strut Actuators


Object Number: 204702  Size: FS
Suspension Controls Components
Real Time Damping Description
Cell 43: Shift Select Switch
Handling ESD Sensitive Parts Notice