GM Service Manual Online
For 1990-2009 cars only
Makes
🢒
Oldsmobile
🢒
1998
🢒
LSS
🢒
Steering
🢒
Power Steering System
🢒 Power Steering Gear Disassembled View
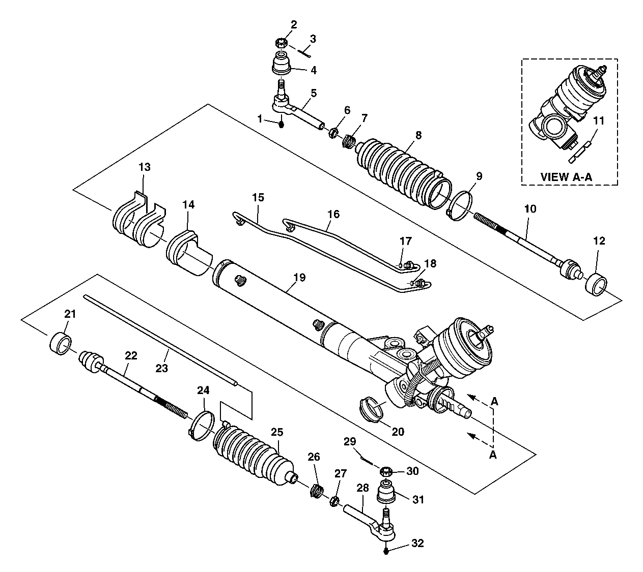
Power Steering Gear Disassembled View Quiet Valve
Quiet Valve Power Steering Gear
(1)
Lubrication Fitting
(2)
Hexagon Slotted Nut
(3)
Cotter Pin
(4)
Tie Rod Seal
(5)
Outer Tie Rod
(6)
Hexagon Jam Nut
(7)
Tie Rod End Clamp
(8)
Rack and Pinion Boot
(9)
Large Boot Retaining Clamp
(10)
Inner Tie Rod
(11)
Adjuster Plug Lock Nut
(12)
Shock Dampener Ring
(13)
Mounting Bracket Assembly
(14)
Mounting Grommet
(15)
Cylinder Line (LH)
(16)
Cylinder Line (RH)
(17)
O-ring Seal
(18)
O-ring Seal
(19)
Seal Adapter
(20)
Retaining Ring
(21)
Stub Shaft Seal
(22)
Bearing Annulus Assembly
(23)
Hexagon Lock Nut
(24)
Dust Cover
(25)
Rack and Pinion Gear Assembly (Partial)
(26)
Shock Dampener Ring
(27)
Inner Tie Rod
(28)
Breather Tube
(29)
Large Retaining Clamp
(30)
Rack and Pinion Boot
(31)
Tie Rod End Clamp
(32)
Hexagon Jam Nut
(33)
Outer Tie Rod
(34)
Cotter Pin
(35)
Hexagon Slotted Nut
(36)
Tie Rod Seal
(37)
Lubrication Fitting
Power Steering Gear Disassembled View Magnasteer
Magnasteer Power Steering Gear
(1)
Lubrication Fitting
(2)
Hexagon Slotted Nut
(3)
Cotter Pin
(4)
Tie Rod Seal
(5)
Outer Tie Rod
(6)
Hexagon Jam Nut
(7)
Tie Rod End Clamp
(8)
Rack and Pinion Boot
(9)
Large Boot Retaining Clamp
(10)
Inner Tie Rod
(11)
Adjuster Plug Lock Nut
(12)
Shock Dampener Ring
(13)
Mounting Bracket Assembly
(14)
Mounting Grommet
(15)
Cylinder Line (LH)
(16)
Cylinder Line (RH)
(17)
O-ring Seal
(18)
O-ring Seal
(19)
Rack and Pinion Gear Assembly (Partial)
(20)
Dust Cover
(21)
Shock Dampener Ring
(22)
Inner Tie Rod
(23)
Breather Tube
(24)
Large Boot Retaining Clamp
(25)
Rack and Pinion Boot
(26)
Tie Rod End Clamp
(27)
Hexagon Jam Nut
(28)
Outer Tie Rod
(29)
Cotter Pin
(30)
Hexagon Slotted Nut
(31)
Tie Rod Seal
(32)
Lubrication Fitting