GM Service Manual Online
For 1990-2009 cars only
Makes
🢒
Oldsmobile
🢒
1998
🢒
LSS
🢒
HVAC
🢒
HVAC Systems - Manual
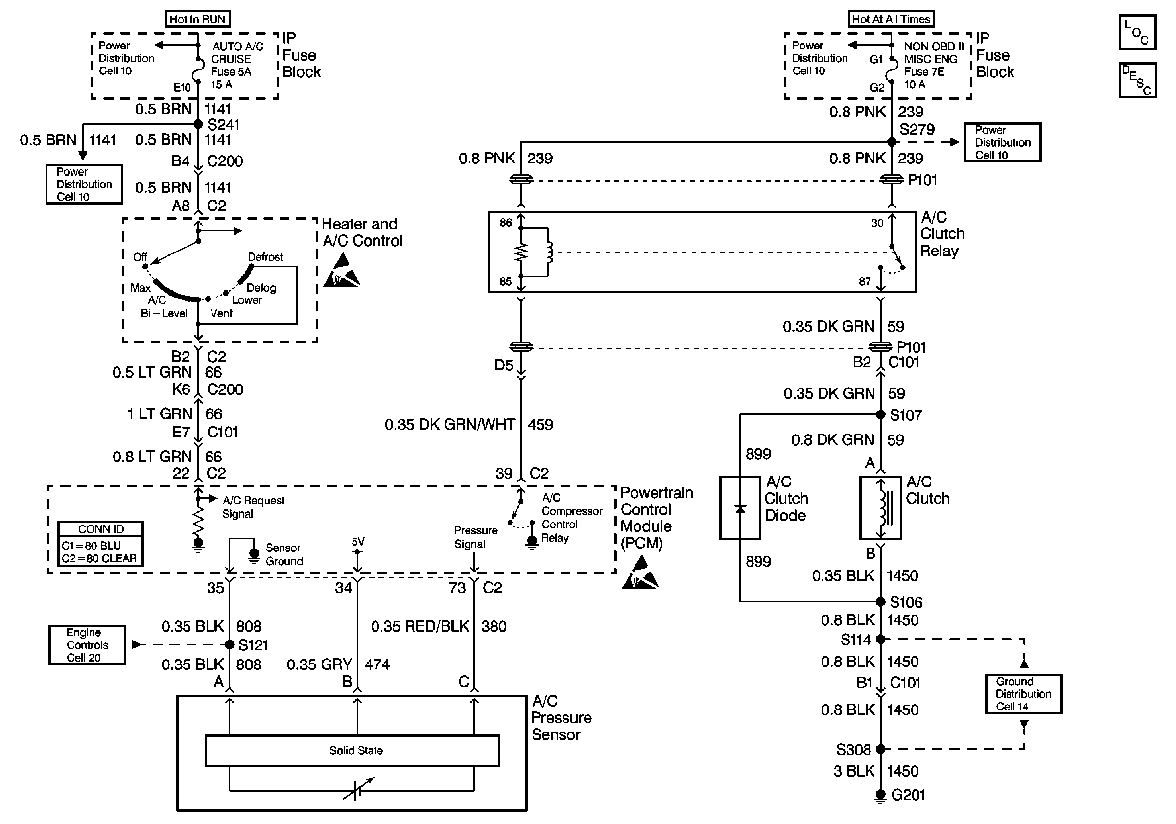
🢒 HVAC Compressor Control Schematics
Figure
1:
Cell 64: Pontiac
HVAC Components
HVAC Compressor Controls Circuit Description
Power Distribution Schematics
Power Distribution Schematics
Power Distribution Schematics
Power Distribution Schematics
Ground Distribution Schematics
Engine Controls Schematics
Handling ESD Sensitive Parts Notice
Handling ESD Sensitive Parts Notice
HVAC Connector End Views
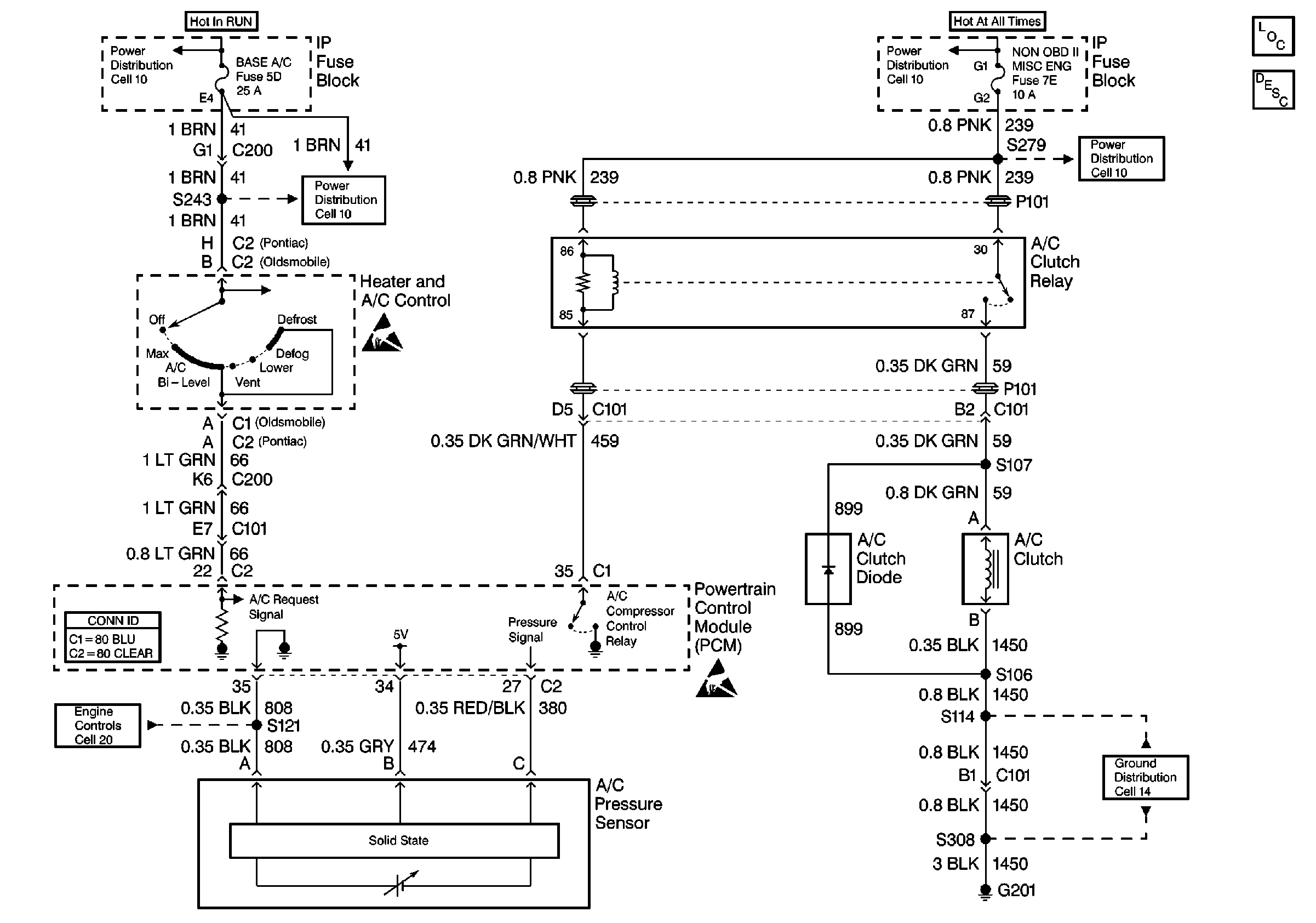
Figure
2:
Cell 64: Buick
HVAC Components
HVAC Compressor Controls Circuit Description
Power Distribution Schematics
Power Distribution Schematics
Power Distribution Schematics
Power Distribution Schematics
Ground Distribution Schematics
Engine Controls Schematics
Handling ESD Sensitive Parts Notice
Handling ESD Sensitive Parts Notice
HVAC Connector End Views