GM Service Manual Online
For 1990-2009 cars only

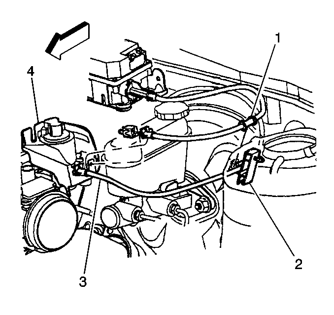
Removal Procedure


    Object Number: 289630  Size: SH

    Important: Note the cable routing for replacement.

  1. Remove the injector sight shield. Refer to Fuel Injector Sight Shield Replacement in Engine Mechanical.
  2. Disconnect the cruise control cable from the following components:
  3. • The TBI cam (1)
    • The throttle body bracket (2)
  4. Disconnect the cruise control cable from the cruise control module.

  5. Object Number: 60151  Size: SH
  6. Disconnect the cable from the retainers (2).

Installation Procedure


    Object Number: 289630  Size: SH
  1. Connect the cruise control cable to the cruise control module.
  2. Install the cruise control cable (1) to the TBI cam. Ensure that the cable is under the hook.
  3. Snap the cable to the throttle body bracket (2).

  4. Object Number: 60151  Size: SH
  5. Connect the cable to the retainers (2).
  6. Adjust the cruise control cable. Refer to Cruise Control Cable Adjustment .
  7. Install the injector sight shield. Refer to Fuel Injector Sight Shield Replacement in Engine Mechanical.