GM Service Manual Online
For 1990-2009 cars only

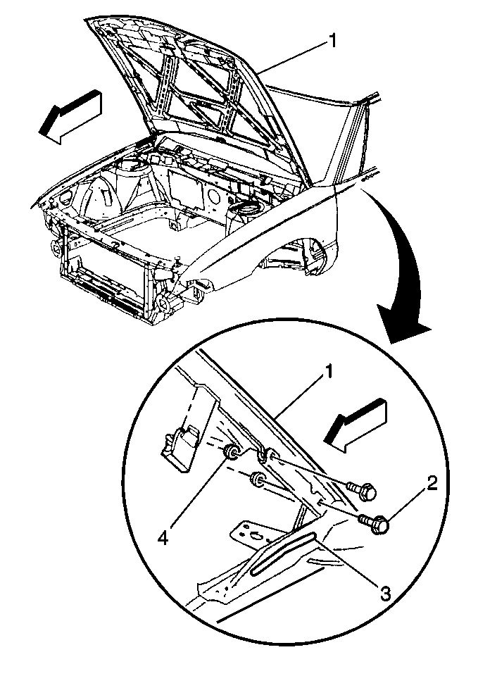
    Object Number: 306608  Size: MH
  1. Open the hood (1).
  2. Remove the hood primary latch. Refer to Hood Primary and Secondary Latch Replacement .
  3. Remove the hood pop up spring. Refer to Hood Pop-Up Spring Replacement .
  4. With the hood (1) in the closed position, verify the adjustment of the rear portion of the hood panel. Ensure that the following conditions exist:
  5. • Ensure that the hood panel is flush (up/down) with the fenders.
    • Perform up/down adjustments at the hood to hinge bolts (2), as needed.
    • Ensure that there are even gaps (side-to-side) between the hood panel and the fenders.
    • Perform side-to-side adjustments at the hinge to body bolts as needed.

    Object Number: 306702  Size: MH
  6. With the hood (1) in the closed position, verify the flushness (up/down) of the front portion of the hood panel to the fenders.
  7. Perform up/down adjustments at the front hood bumpers (2) as needed.

  8. Install the hood pop up spring. Refer to Hood Pop-Up Spring Replacement .
  9. Install the hood primary latch. Refer to Hood Primary and Secondary Latch Replacement .
  10. Adjust the hood primary latch. Refer to Hood Latch Adjustment .