GM Service Manual Online
For 1990-2009 cars only

Removal Procedure

  1. Remove the lower air deflector. Refer to Front Air Deflector Replacement .
  2. Remove the grille (Regency). Refer to Grille Replacement .
  3. Remove the front end panel. Refer to Front End Panel Replacement .

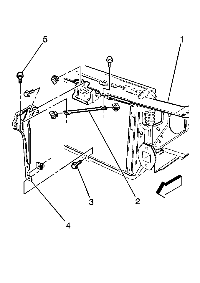
  4. Object Number: 309520  Size: MH
  5. Remove the bolts (5) that retains the side brace (2) at the radiator support (1) to the center brace (4).
  6. Remove the side brace (2).
  7. Remove the bolts (3) retaining the center brace (4) to the radiator support (1).
  8. Remove the center brace (4).

Installation Procedure


    Object Number: 309520  Size: MH
  1. Install the center brace (4).
  2. Notice: Use the correct fastener in the correct location. Replacement fasteners must be the correct part number for that application. Fasteners requiring replacement or fasteners requiring the use of thread locking compound or sealant are identified in the service procedure. Do not use paints, lubricants, or corrosion inhibitors on fasteners or fastener joint surfaces unless specified. These coatings affect fastener torque and joint clamping force and may damage the fastener. Use the correct tightening sequence and specifications when installing fasteners in order to avoid damage to parts and systems.

  3. Install the bolts (5) in order to retain the center brace (4) to the radiator support (1).
  4. Tighten
    Tighten the bolts to 13 N·m (115 lb in).

  5. Install the side brace (2).
  6. Install the bolts (3) in order to retain the side brace at the radiator support (1) to the center brace (4).
  7. Tighten
    Tighten the bolts to 9.5 N·m (84 lb in).

  8. Install the front end panel. Refer to Front End Panel Replacement .
  9. Install the grille assembly. Refer to Grille Replacement .
  10. Install the lower air deflector. Refer to Front Air Deflector Replacement .