GM Service Manual Online
For 1990-2009 cars only
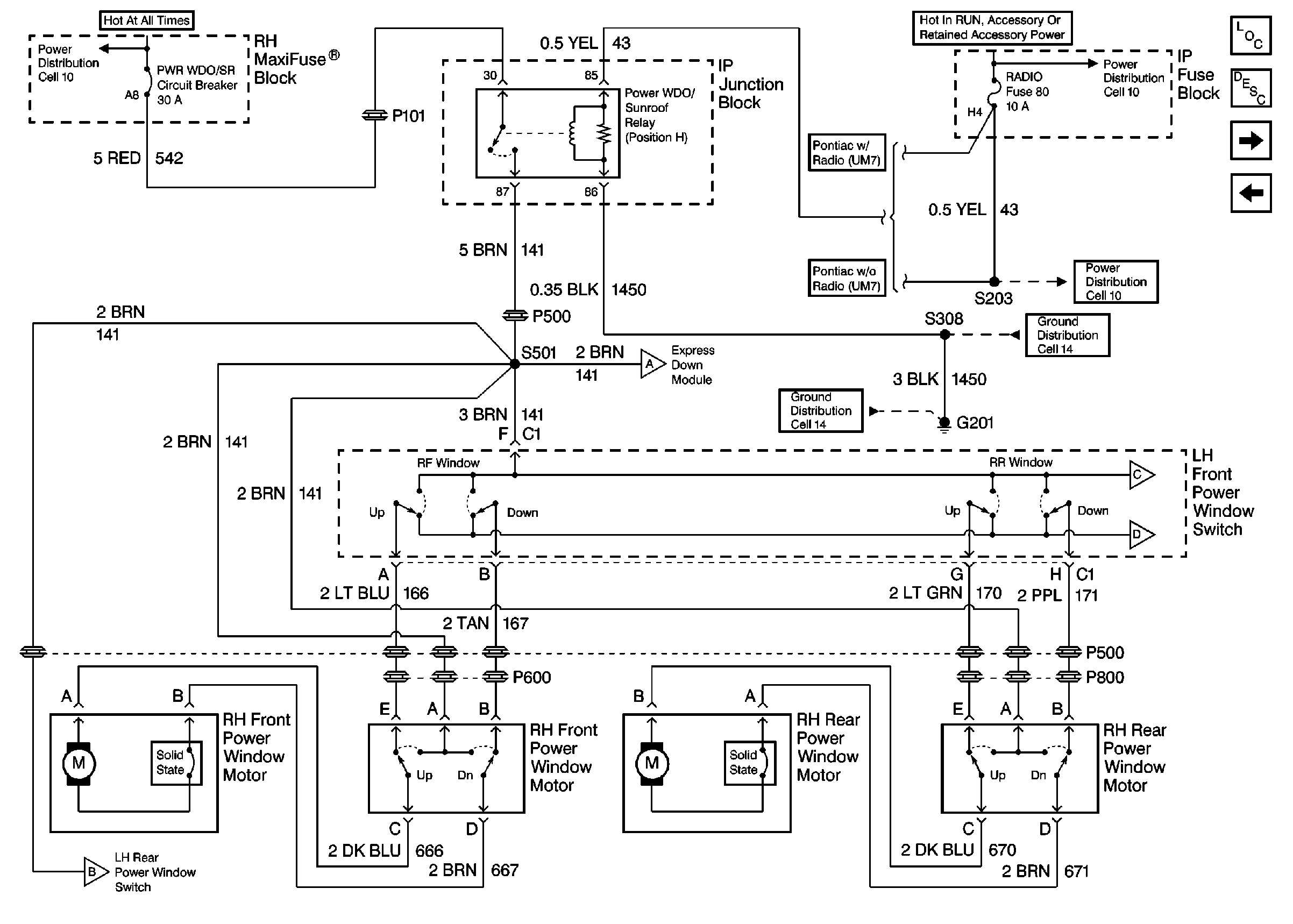
Figure 1:

Cell 120: Right Power Window Motors - Oldsmobile and Buick


Object Number: 469971  Size: FS
Power Distribution Schematics
Power Distribution Schematics
Power Distribution Schematics
Ground Distribution Schematics
Power Door Systems Components
Power Windows Circuit Description
Cell 120: Left Power Window Motors - Oldsmobile and Buick
Cell 120: Left Power Window Motors - Oldsmobile and Buick
Cell 120: Left Power Window Motors - Oldsmobile and Buick
Cell 120: Left Power Window Motors - Oldsmobile and Buick
Cell 120: Left Power Window Motors - Oldsmobile and Buick
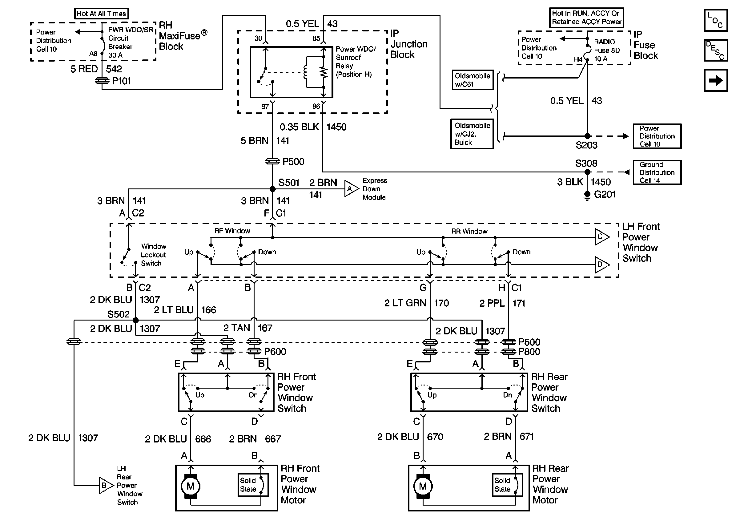
Figure 2:

Cell 120: Left Power Window Motors - Oldsmobile and Buick


Object Number: 469973  Size: FS
Handling ESD Sensitive Parts Notice
Ground Distribution Schematics
Ground Distribution Schematics
Power Door Systems Components
Power Windows Circuit Description
Cell 120: Right Power Window Motors - Pontiac
Cell 120: Right Power Window Motors - Oldsmobile and Buick
Ground Distribution Schematics
Cell 120: Right Power Window Motors - Oldsmobile and Buick
Cell 120: Right Power Window Motors - Oldsmobile and Buick
Cell 120: Right Power Window Motors - Oldsmobile and Buick
Cell 120: Right Power Window Motors - Oldsmobile and Buick
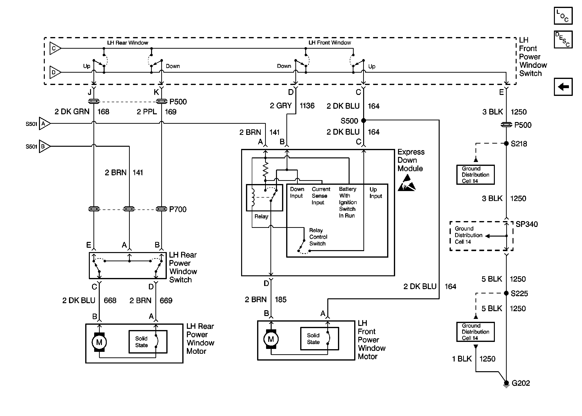
Figure 3:

Cell 120: Right Power Window Motors - Pontiac


Object Number: 469974  Size: FS
Power Distribution Schematics
Power Distribution Schematics
Power Distribution Schematics
Ground Distribution Schematics
Power Door Systems Components
Power Windows Circuit Description
Cell 120: Left Power Window Motors - Pontiac
Cell 120: Left Power Window Motors - Oldsmobile and Buick
Cell 120: Left Power Window Motors - Pontiac
Cell 120: Left Power Window Motors - Pontiac
Cell 120: Left Power Window Motors - Pontiac
Cell 120: Left Power Window Motors - Pontiac
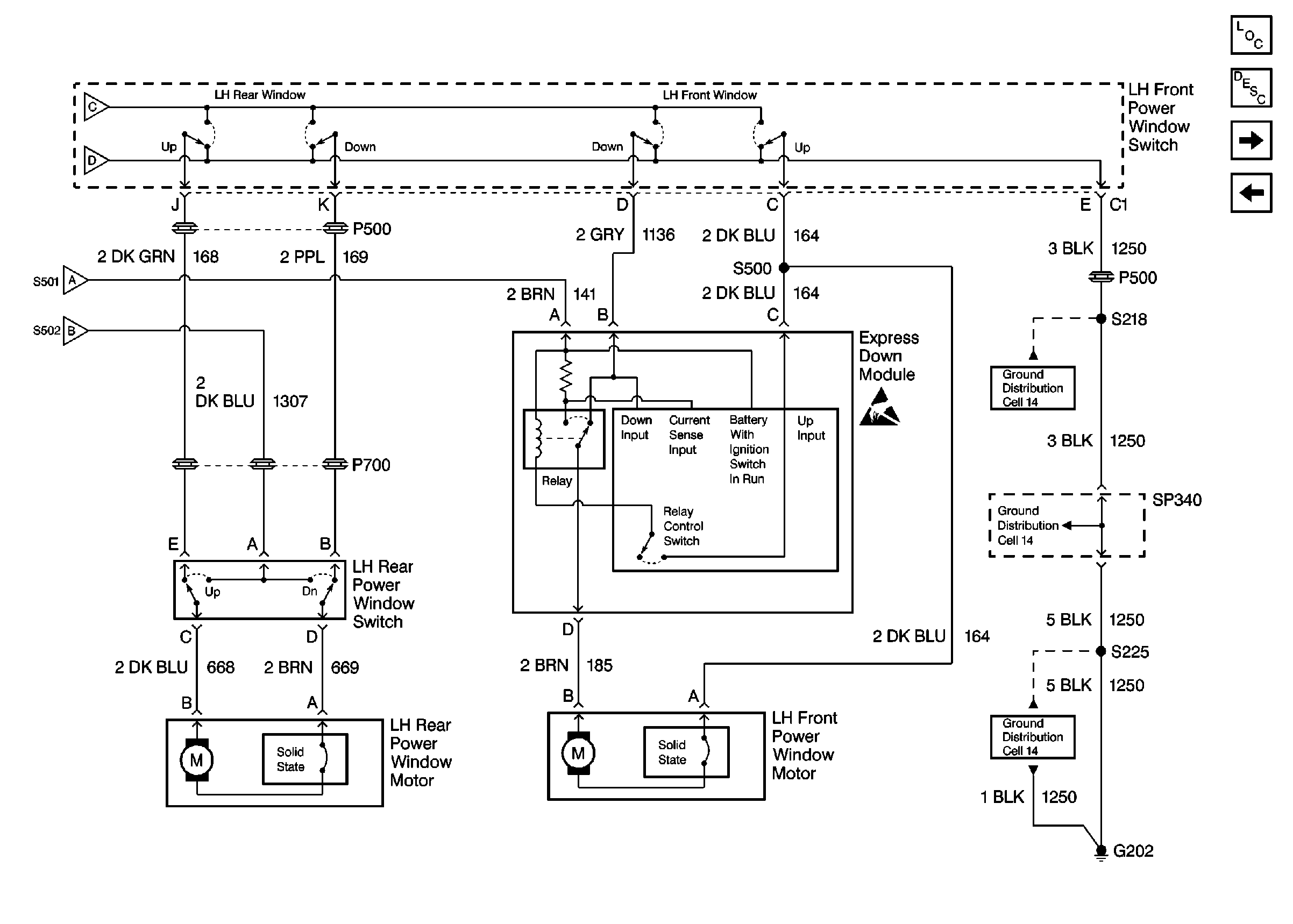
Figure 4:

Cell 120: Left Power Window Motors - Pontiac


Object Number: 469976  Size: FS
Ground Distribution Schematics
Ground Distribution Schematics
Power Door Systems Components
Power Windows Circuit Description
Cell 120: Right Power Window Motors - Pontiac
Handling ESD Sensitive Parts Notice
Ground Distribution Schematics
Cell 120: Right Power Window Motors - Pontiac
Cell 120: Right Power Window Motors - Pontiac
Cell 120: Right Power Window Motors - Pontiac
Cell 120: Right Power Window Motors - Pontiac