GM Service Manual Online
For 1990-2009 cars only

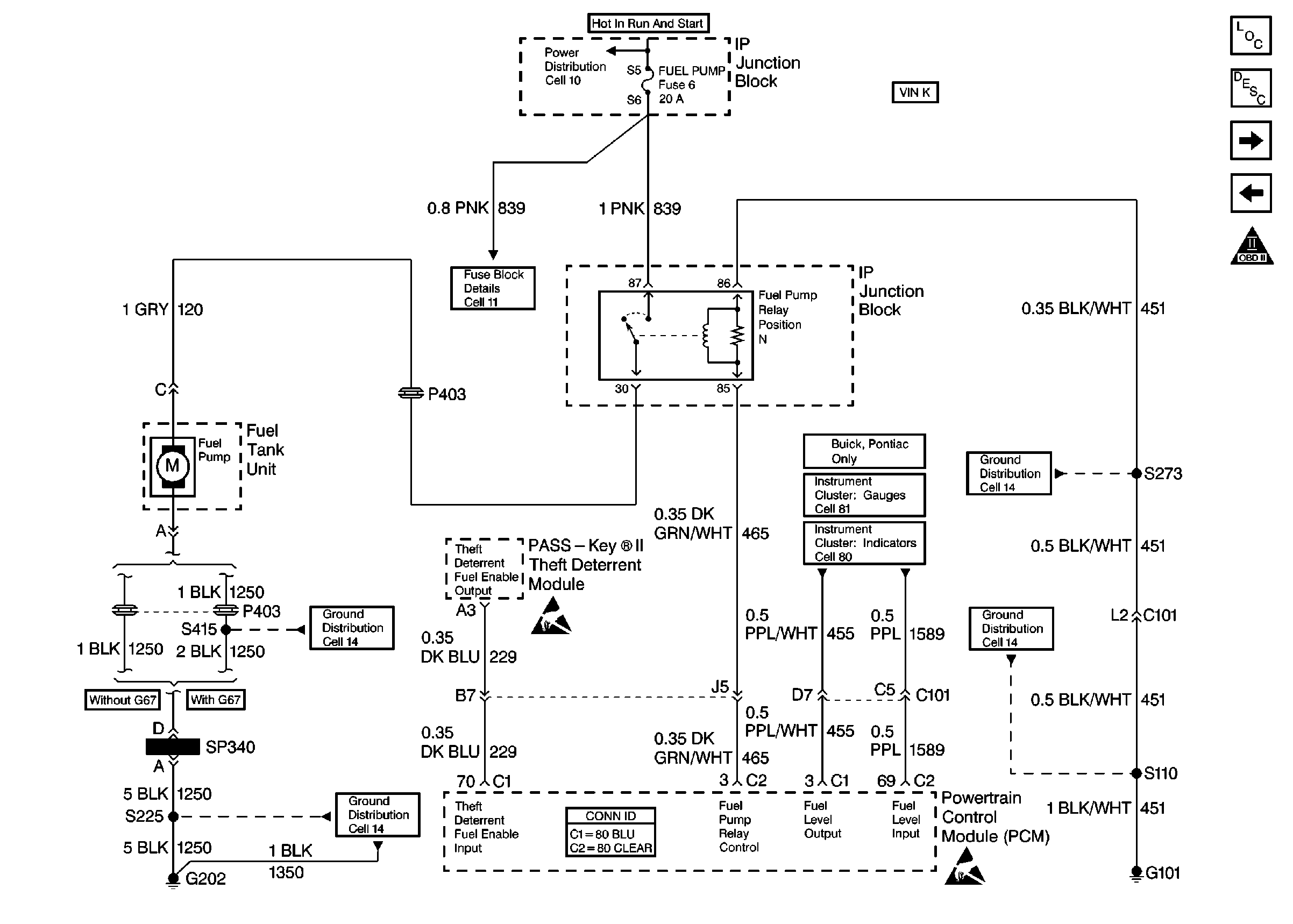
Cell 20: Fuel Control (VIN K)

Cell 20: Fuel Control (VIN K)


Object Number: 185908  Size: FS
Engine Controls Components
Powertrain Control Module Description
Cell 20: Fuel Control (VIN 1)
Cell 20: Ignition Control Module
OBD II Symbol Description Notice
Handling ESD Sensitive Parts Notice
Handling ESD Sensitive Parts Notice
Engine Controls Schematic References
Engine Controls Schematic References
Engine Controls Schematic References
Engine Controls Schematic References
Engine Controls Schematic References
Engine Controls Schematic References
Engine Controls Schematic References
Engine Controls Schematic References
Powertrain Control Module Connector End Views