GM Service Manual Online
For 1990-2009 cars only
Makes
🢒
Oldsmobile
🢒
1998
🢒
LSS
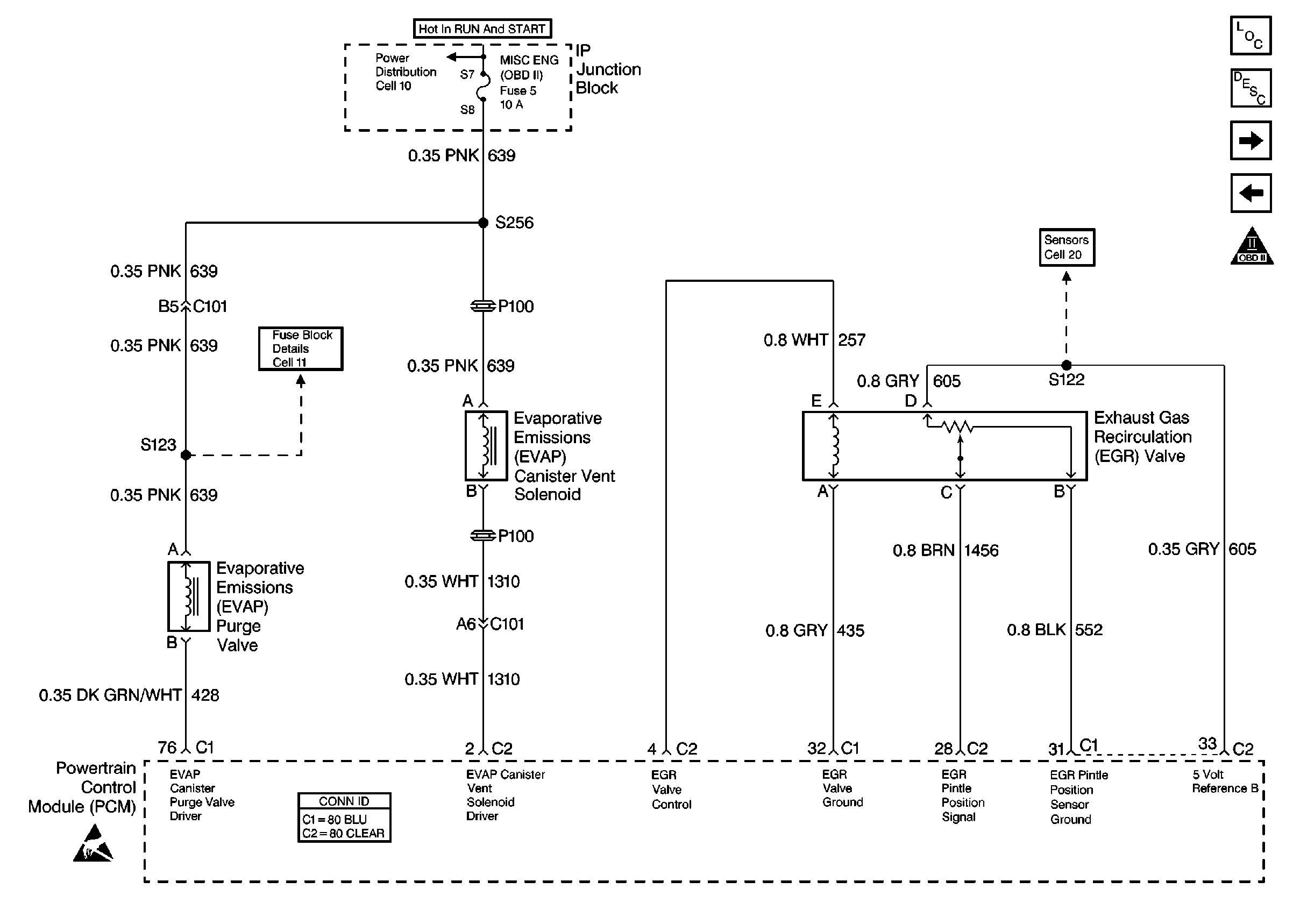
🢒 Cell 20: EGR Valve, EVAP System
Cell 20: EGR Valve, EVAP System
Cell 20: EGR Valve, EVAP System
Engine Controls Components
Powertrain Control Module Description
Cell 20: MAF, IAC, Knock Sensors
Cell 20: Sensors
OBD II Symbol Description Notice
Handling ESD Sensitive Parts Notice
Engine Controls Schematic References
Engine Controls Schematic References
Engine Controls Schematic References
Powertrain Control Module Connector End Views