GM Service Manual Online
For 1990-2009 cars only
Makes
🢒
Oldsmobile
🢒
1998
🢒
LSS
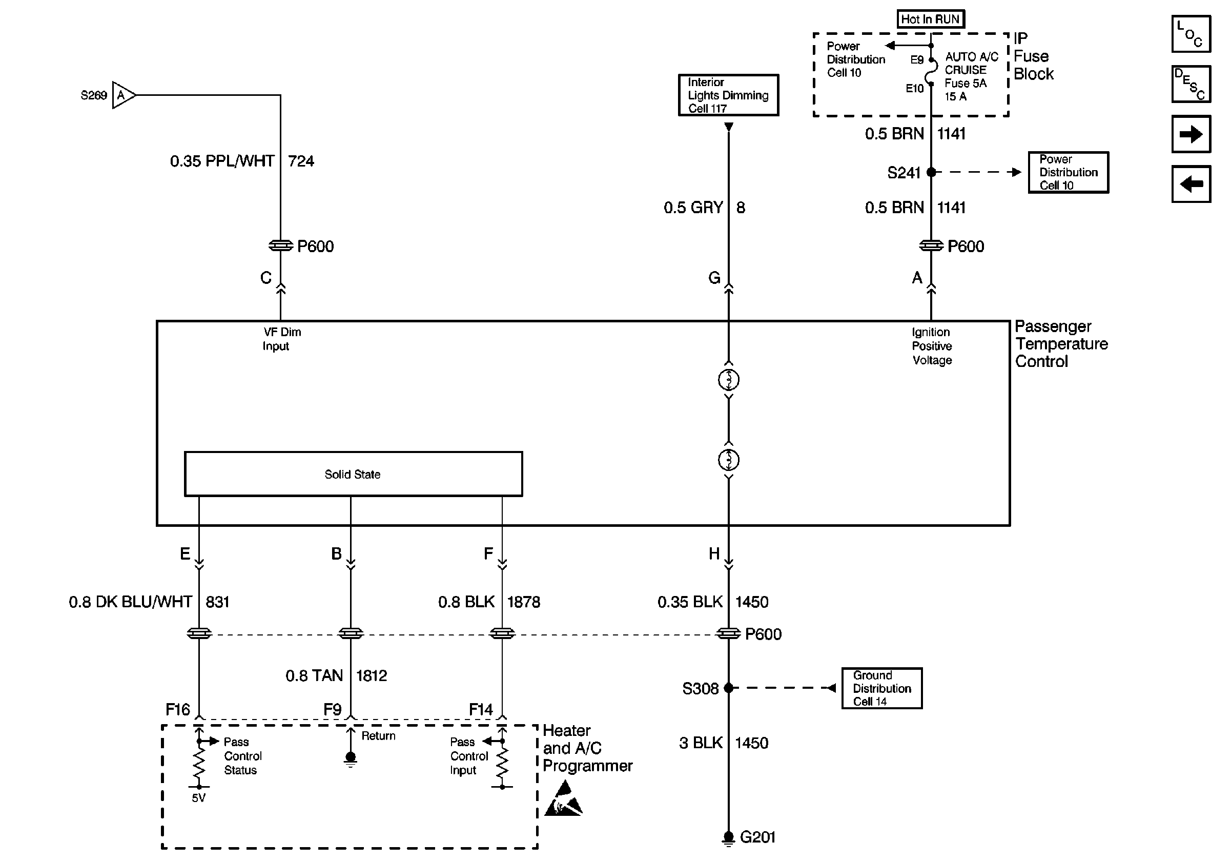
🢒 Cell 68: Passenger Temperature Control - Buick
Cell 68: Passenger Temperature Control - Buick
Cell 68: Passenger Temperature Control -- Buick
HVAC Components
HVAC Temperature Controls Circuit Description C68
Cell 68: IP Fuse Block, DLC - Oldsmobile
Cell 68: IP Fuse Block, Heater and A/C Control Assembly - Buick
Power Distribution Schematics
Power Distribution Schematics
Interior Lights Dimming Schematics Buick
Ground Distribution Schematics
Handling ESD Sensitive Parts Notice
HVAC Air Delivery Schematics (Cell 68: IP Fuse Block, DLC - Buick)