GM Service Manual Online
For 1990-2009 cars only
Makes
🢒
Oldsmobile
🢒
1998
🢒
LSS
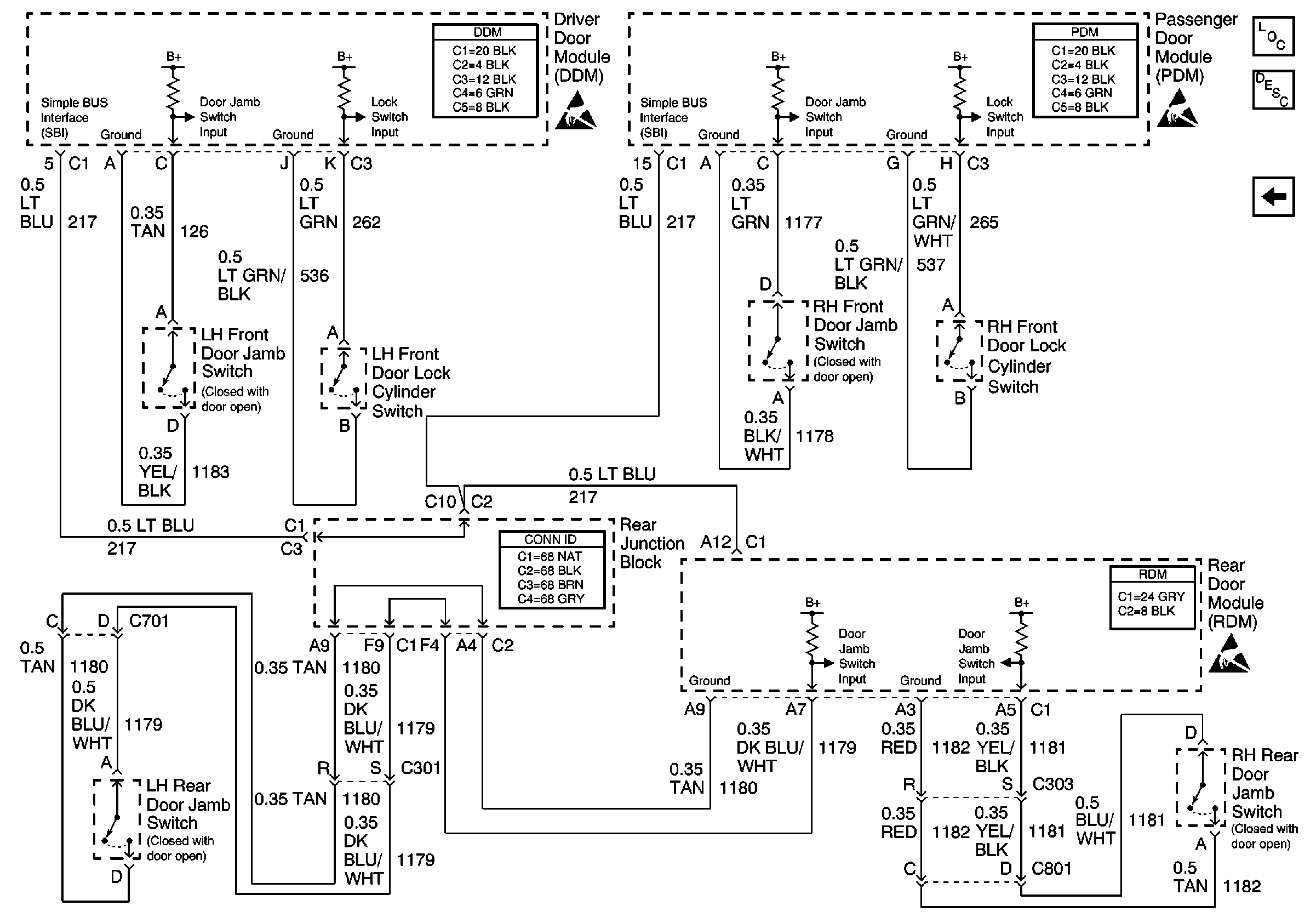
🢒 Cell 133: Door Jamb Switches
Cell 133: Door Jamb Switches
Cell 133: Door Jamb Switches
Instrument Cluster and HUD Connector End Views
Power Door Systems Connector End Views
Power Door Systems Connector End Views
Power Door Systems Connector End Views
Content Theft Deterrent (CTD) Circuit Description
Theft Deterrent System Components
Cell 133: Content Theft Deterrent
Handling ESD Sensitive Parts Notice
Handling ESD Sensitive Parts Notice
Handling ESD Sensitive Parts Notice