GM Service Manual Online
For 1990-2009 cars only
Makes
🢒
Oldsmobile
🢒
1998
🢒
LSS
🢒 Cell 83
Cell 83
Cell 83
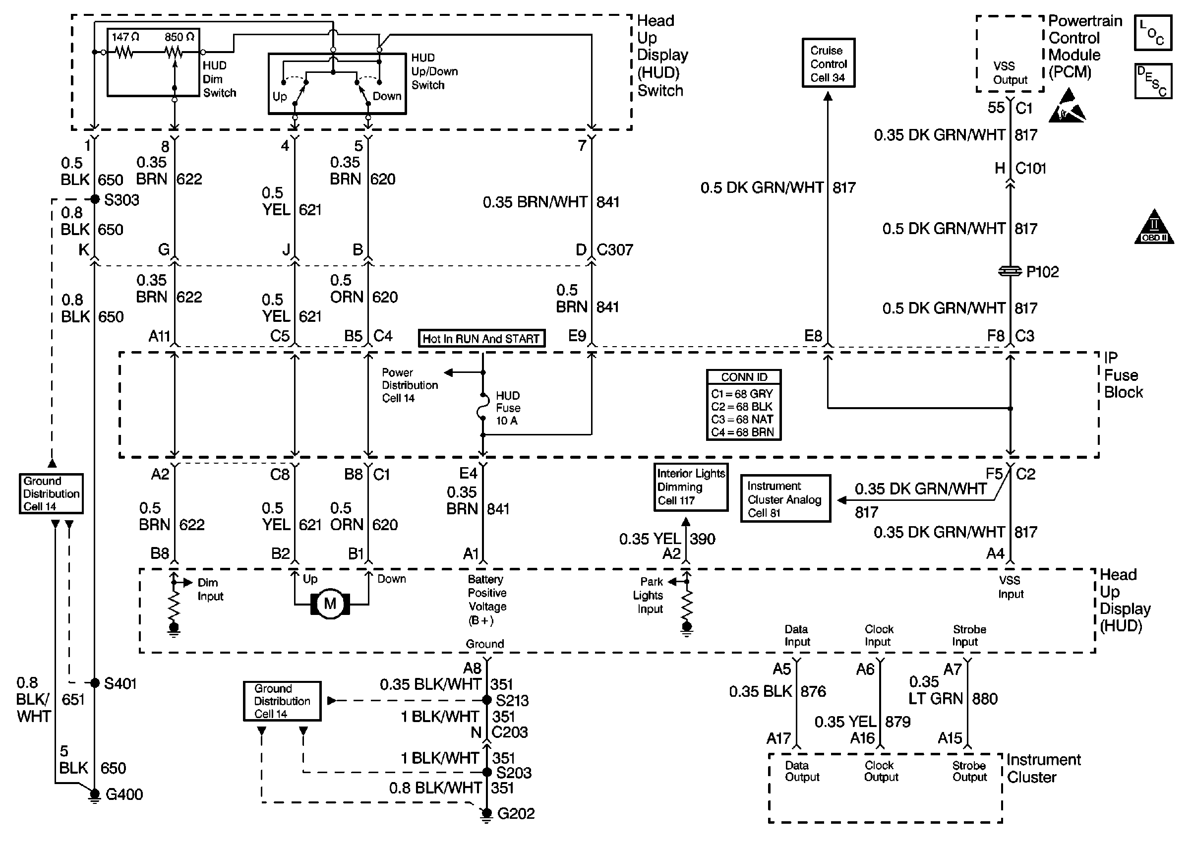
Audible Warnings Components
Audible Warnings Circuit Description
OBD II Symbol Description Notice
Cruise Control Schematics
Handling ESD Sensitive Parts Notice
Cell 14: G400 (2 of 2)
Cell 14: G202 (2 of 4)
Cell 10: WSW, WSW/RFA, HUD, ELC, CR CONT, A/C and HVAC Fuses
Cell 117: Instrument Cluster and Radio Backlighting; VF Dimming Control
Cell 81: Temperature Gauge, Tachometer, Speedometer and Odometer
Power and Grounding Connector End Views