GM Service Manual Online
For 1990-2009 cars only
Makes
🢒
Oldsmobile
🢒
1998
🢒
LSS
🢒 Cell 105
Cell 105
Cell 105
Power Distribution Schematics
Fuse Block Schematics
Fuse Block Schematics
Fuse Block Schematics
Power Distribution Schematics
Ground Distribution Schematics
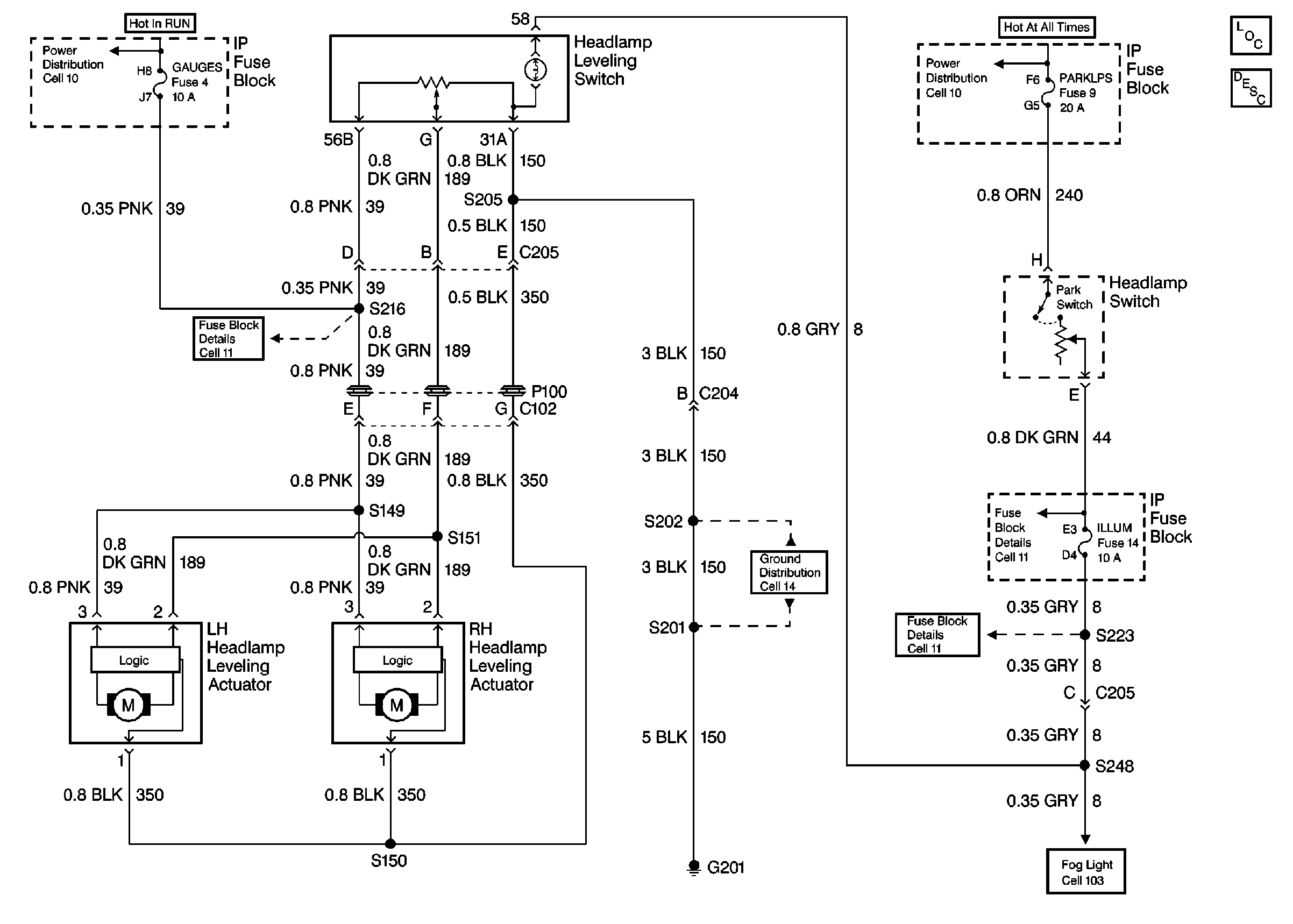
Lighting Systems Components