GM Service Manual Online
For 1990-2009 cars only
Makes
🢒
Oldsmobile
🢒
1998
🢒
LSS
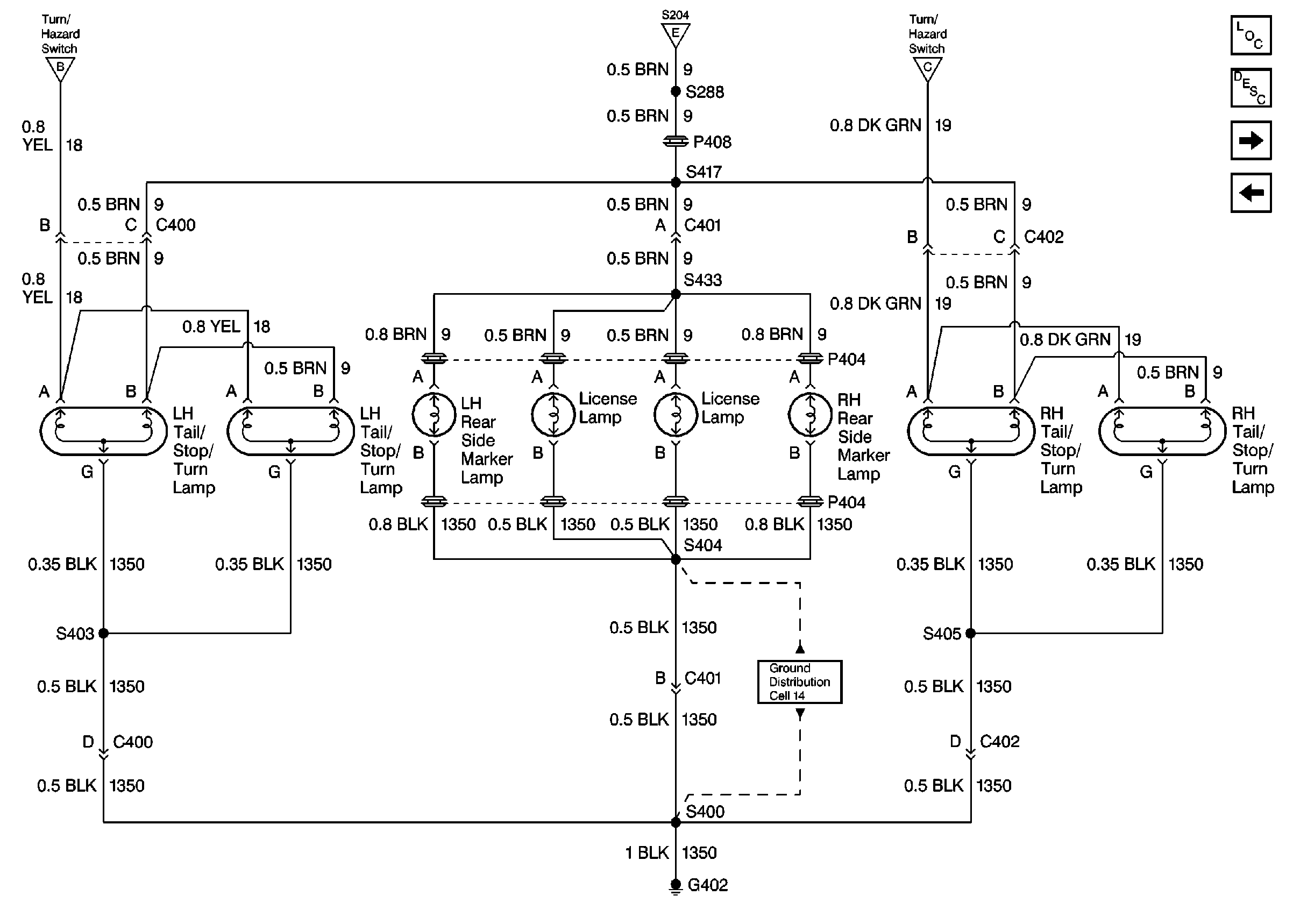
🢒 Cell 110: Tail/Stop/Turn, License, and Rear Side Marker Lamps
Cell 110: Tail/Stop/Turn, License, and Rear Side Marker Lamps
Cell 110: Tail/Stop/Turn, License, and Rear Side Marker Lamps
Lighting Systems Components
Exterior Lights Circuit Description
Cell 110: Front Park/Turn and Side Marker Lamps, Turn Indicators
Ground Distribution Schematics
Turn/Hazard Switch and Stoplamp/BTSI Switch
Turn/Hazard Switch and Stoplamp/BTSI Switch
Turn/Hazard Switch and Stoplamp/BTSI Switch
Cell 110: Cornering Lamps w/ T87