GM Service Manual Online
For 1990-2009 cars only
Makes
🢒
Oldsmobile
🢒
1998
🢒
LSS
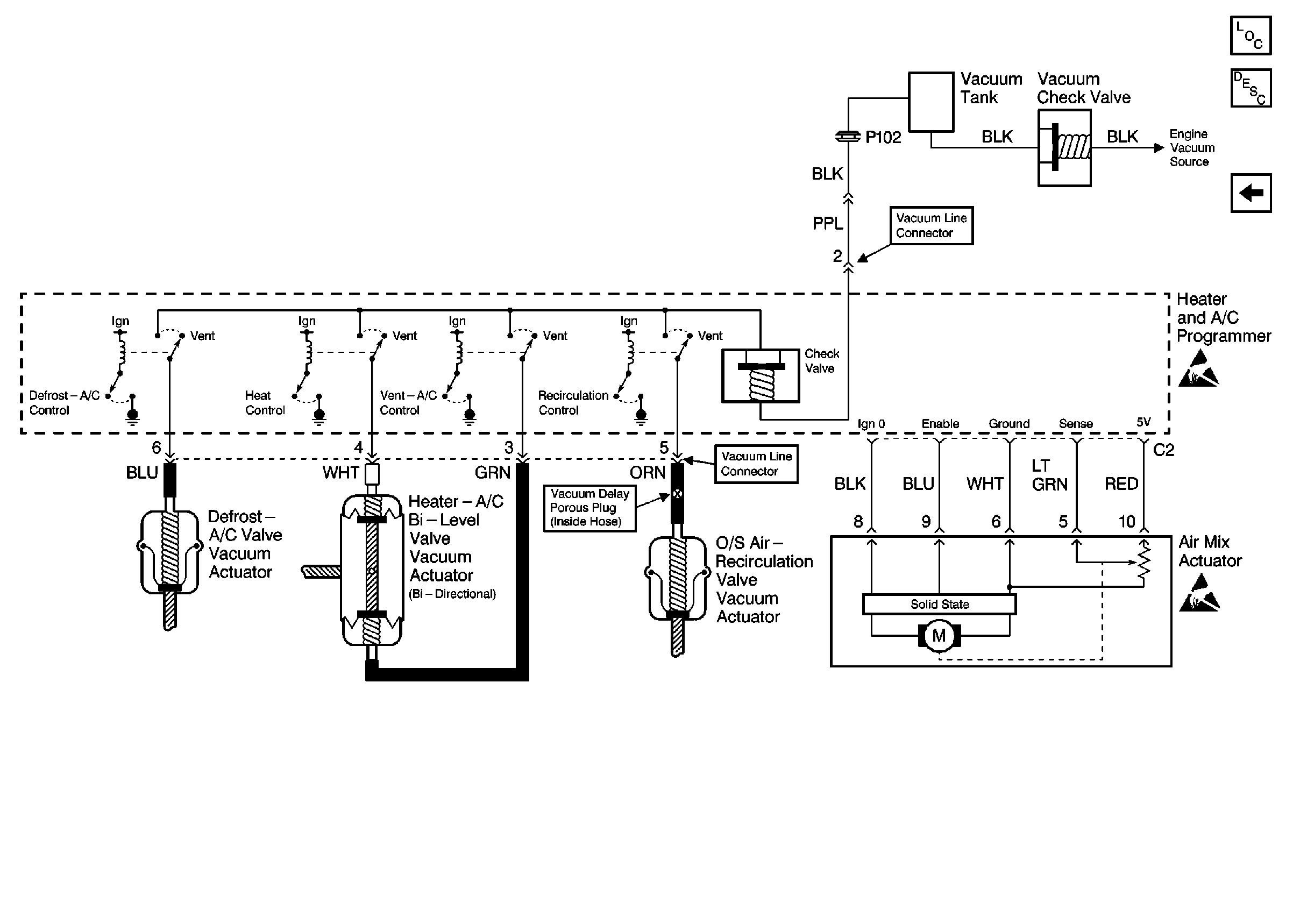
🢒 Cell 68: Vacuum Tank - Pontiac
Cell 68: Vacuum Tank - Pontiac
Cell 68: Vacuum Tank -- Pontiac
HVAC Components
Cell 68: IP Fuse Block, Heater and A/C Control Assembly - Pontiac
Handling ESD Sensitive Parts Notice
Handling ESD Sensitive Parts Notice