GM Service Manual Online
For 1990-2009 cars only
Makes
🢒
Oldsmobile
🢒
1998
🢒
LSS
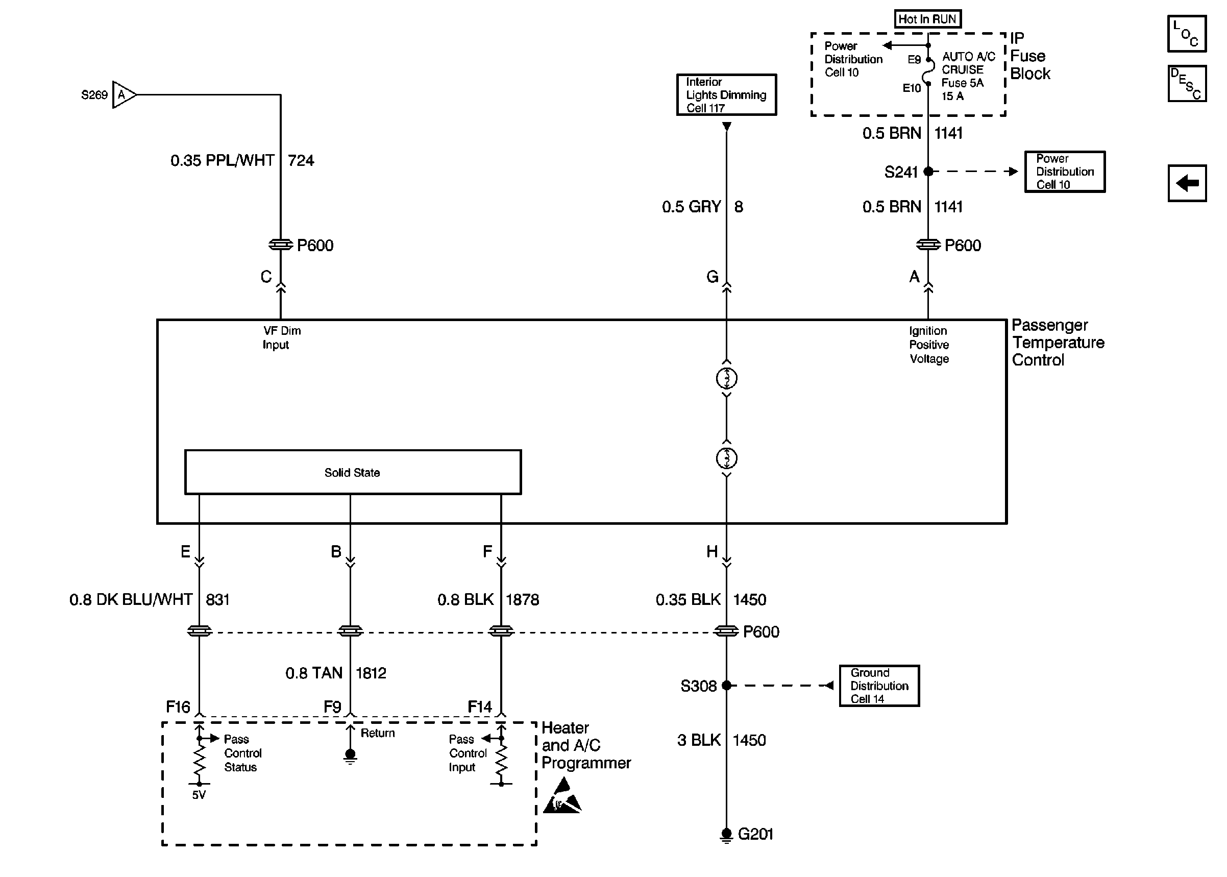
🢒 Cell 68: Passenger Temperature Control - Buick
Cell 68: Passenger Temperature Control - Buick
Cell 68: Passenger Temperature Control -- Buick
HVAC Components
HVAC Schematics (Cell 68: Buick)
Power Distribution Schematics
Power Distribution Schematics
Interior Lights Dimming Schematics Buick
Ground Distribution Schematics
Handling ESD Sensitive Parts Notice
Cell 68: IP Fuse Block, DLC (Buick)