GM Service Manual Online
For 1990-2009 cars only
Makes
🢒
Oldsmobile
🢒
1998
🢒
LSS
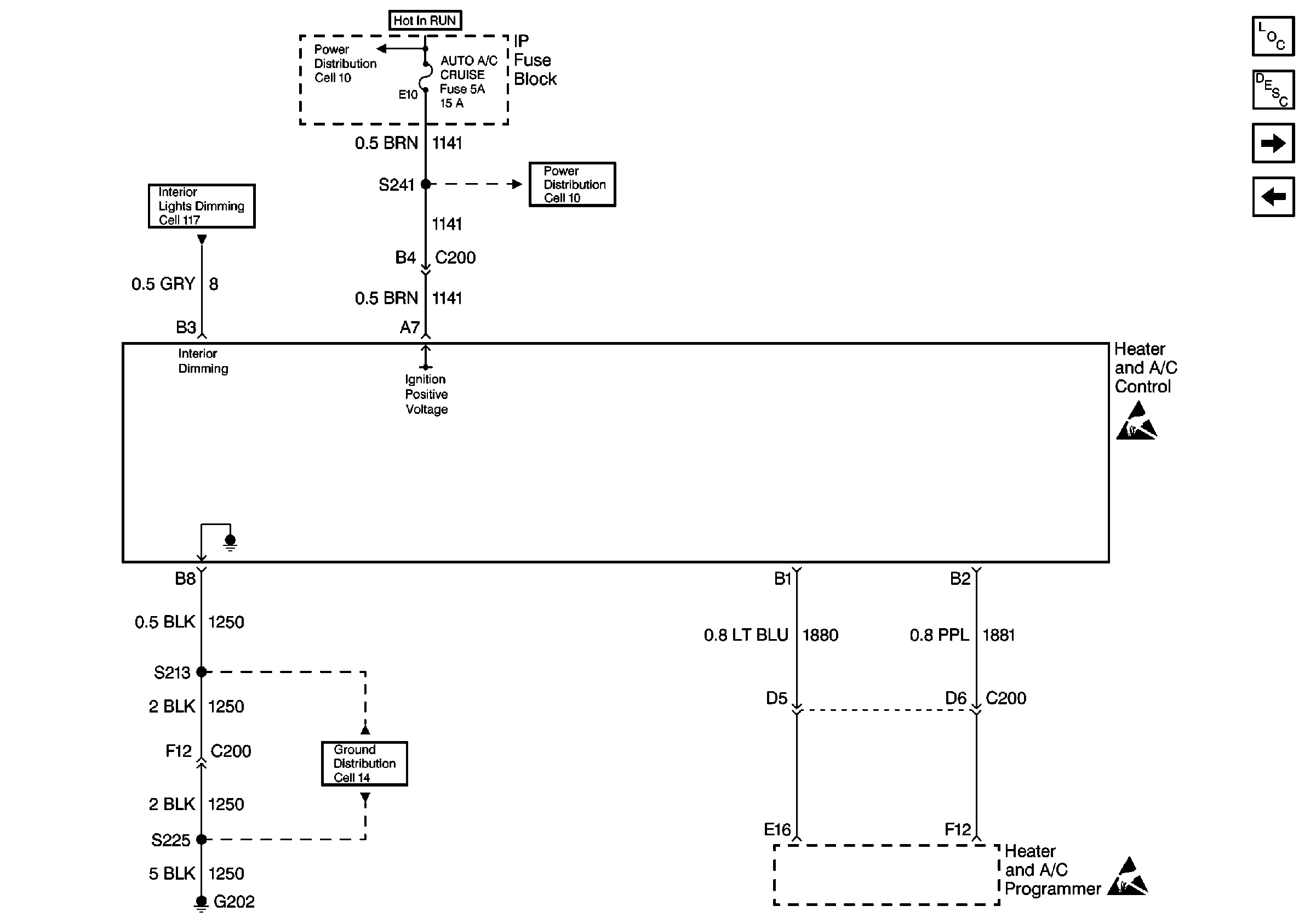
🢒 Cell 68: IP Fuse Block, Heater and A/C Control Assembly (Oldsmobile)
Cell 68: IP Fuse Block, Heater and A/C Control Assembly (Oldsmobile)
Cell 68: IP Fuse Block, Heater and A/C Control Assembly (Oldsmobile)
HVAC Components
Cell 68: Passenger Temperature Control (Oldsmobile)
Cell 68: Heater and A/C Programmer (Oldsmobile)
Power Distribution Schematics
Power Distribution Schematics
Interior Lights Dimming Schematics Oldsmobile
Ground Distribution Schematics
Handling ESD Sensitive Parts Notice
Handling ESD Sensitive Parts Notice