GM Service Manual Online
For 1990-2009 cars only
Makes
🢒
Oldsmobile
🢒
1998
🢒
LSS
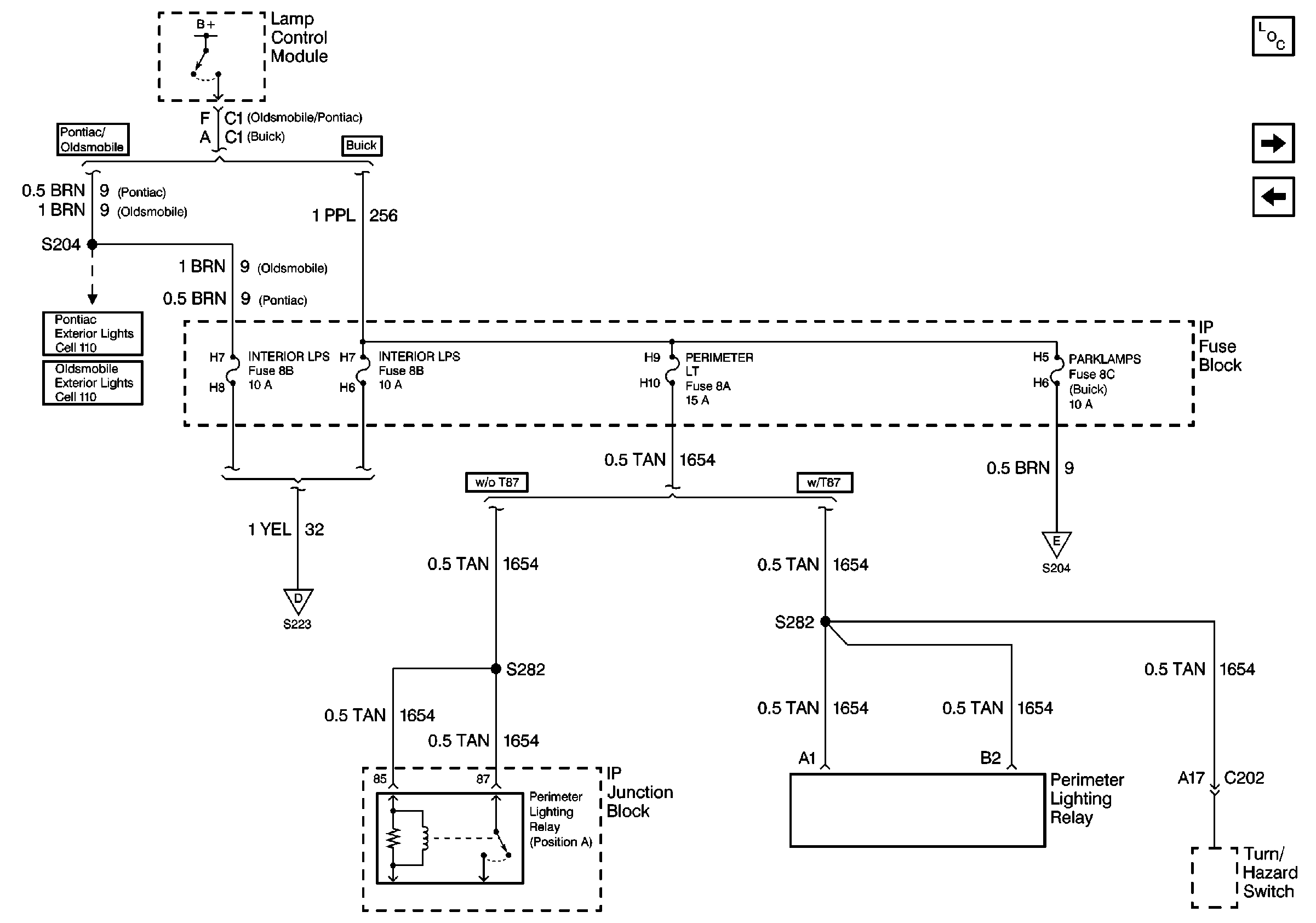
🢒 Cell 10: INTERIOR LPS, PERIMETER LT, and PARKLAMPS (Buick) Fuses
Cell 10: INTERIOR LPS, PERIMETER LT, and PARKLAMPS (Buick) Fuses
Cell 10: INTERIOR LPS, PERIMETER LT, and PARKLAMPS (Buick) Fuses
Power and Grounding Components
Cell 11: Wiper/Washer Fuse
Cell 10: PARKLAMPS Fuse - Buick
Exterior Lights Schematics Oldsmobile
Cell 10: PARKLAMPS Fuse - Buick
Cell 10: MISC\RDO\CLSTR Fuse