GM Service Manual Online
For 1990-2009 cars only
Makes
🢒
Oldsmobile
🢒
1998
🢒
LSS
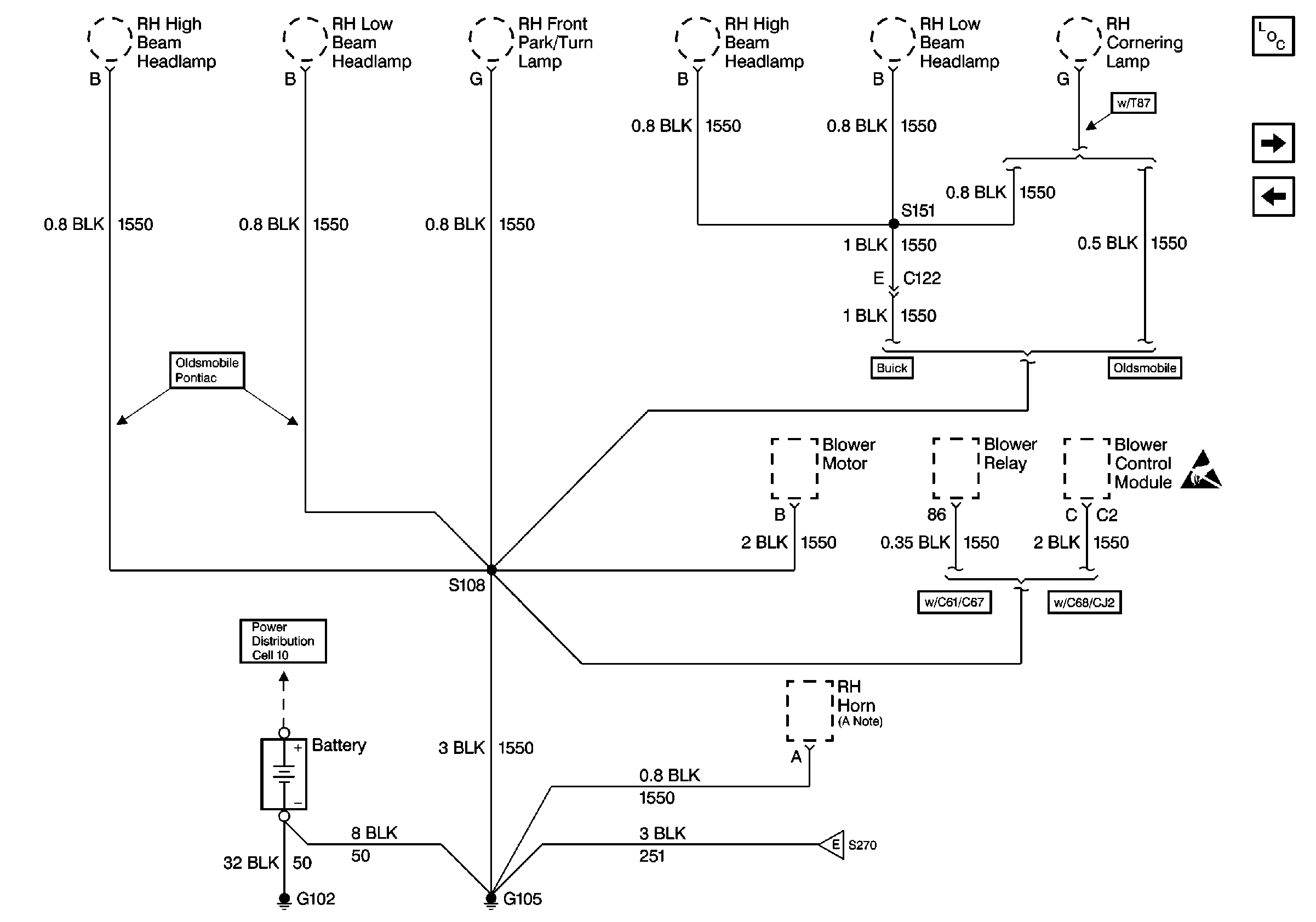
🢒 Cell 14: G102 and G105 (1 of 4)
Cell 14: G102 and G105 (1 of 4)
Cell 14: G102 and G105 (1 of 4)
Power and Grounding Components
Cell 14: G105 (2 of 4)
Cell 14: G104 and Hood Ajar Switch
Cell 14: G105 (2 of 4)
Power Distribution Schematics
Handling ESD Sensitive Parts Notice