GM Service Manual Online
For 1990-2009 cars only
Makes
🢒
Oldsmobile
🢒
1998
🢒
LSS
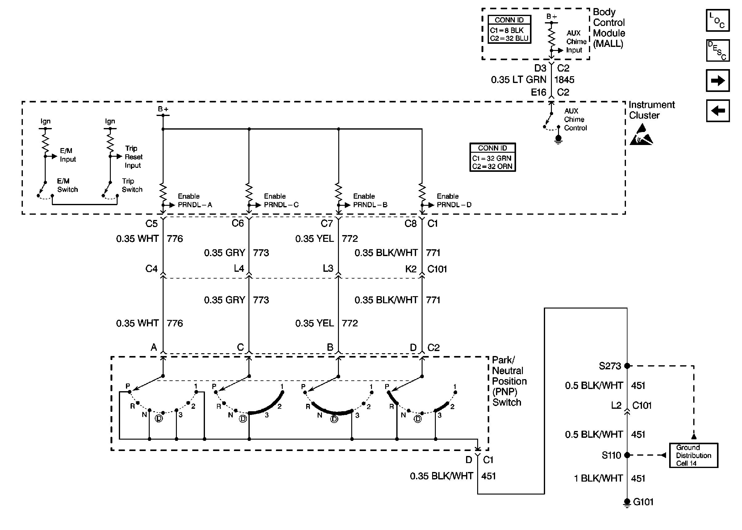
🢒 Cell 81: Body Control Module (MALL)
Cell 81: Body Control Module (MALL)
Cell 81: Body Control Module (MALL)
Instrument Cluster and HUD Components
Instrument Cluster Circuit Description
Cell 81: Powertrain Control Module (PCM)
Cell 81: Engine Oil Pressure Switch
Ground Distribution Schematics
Handling ESD Sensitive Parts Notice
Instrument Cluster and HUD Connector End Views
Instrument Cluster and HUD Connector End Views