GM Service Manual Online
For 1990-2009 cars only
Makes
🢒
Oldsmobile
🢒
1998
🢒
LSS
🢒 Cell 81: Pontiac with UB3
Cell 81: Pontiac with UB3
Cell 81: Pontiac with UB3
Instrument Cluster and HUD Components
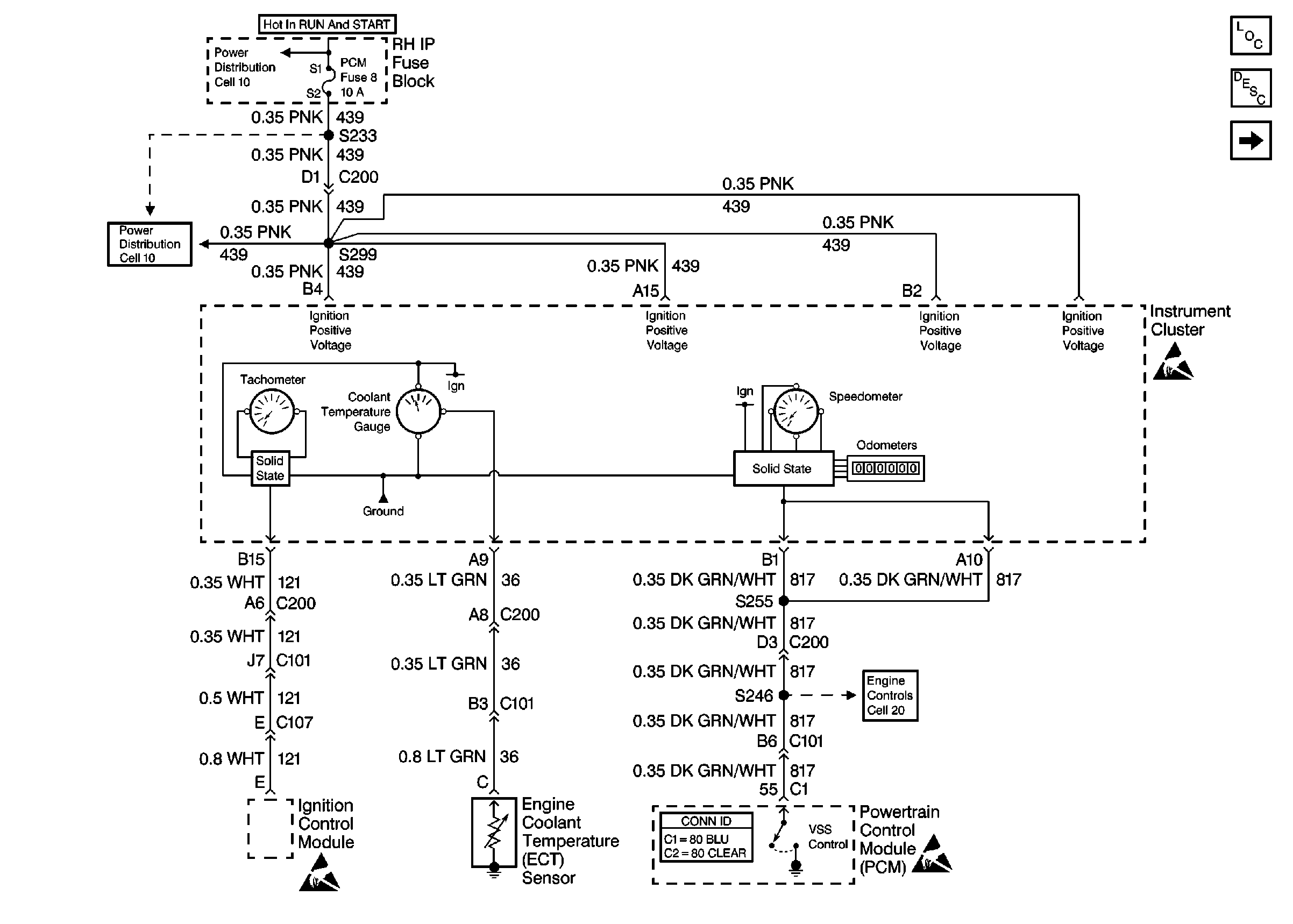
Instrument Cluster Circuit Description
Cell 81: Fuel Tank Unit
Handling ESD Sensitive Parts Notice
Handling ESD Sensitive Parts Notice
Handling ESD Sensitive Parts Notice
Power Distribution Schematics
Power Distribution Schematics
Engine Controls Schematics
Instrument Cluster and HUD Connector End Views