GM Service Manual Online
For 1990-2009 cars only
Makes
🢒
Oldsmobile
🢒
1998
🢒
LSS
🢒 Cell 50: UART Serial Data Line
Cell 50: UART Serial Data Line
Cell 50: UART Serial Data Line
SIR Handling Caution
Handling ESD Sensitive Parts Notice
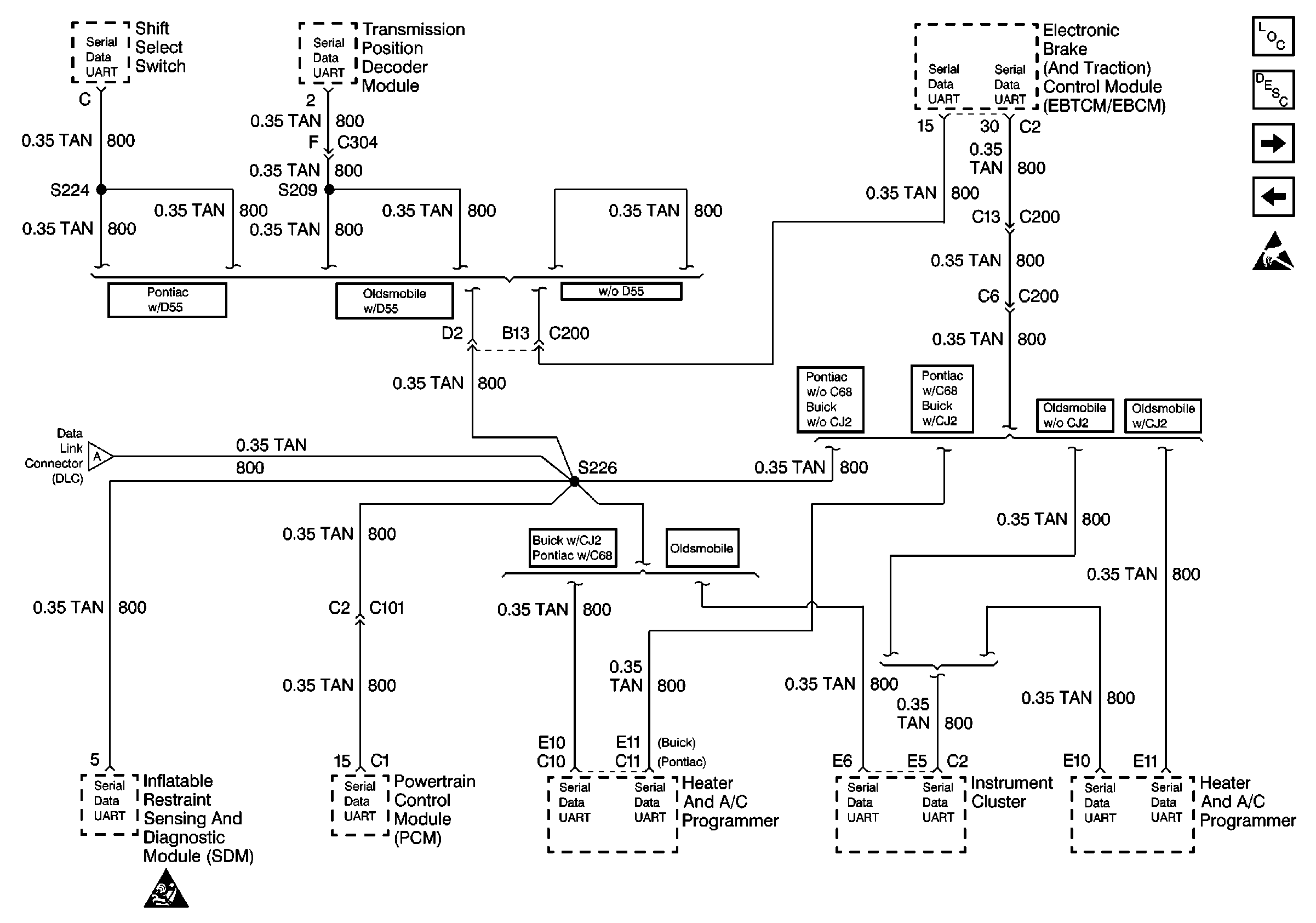
Data Link Communications Components
Cell 50: Class 2 and E&C Serial Data Lines
Cell 50: Data Link Connector (DLC)
Data Link Connector Circuit Description
Cell 50: Data Link Connector (DLC)