GM Service Manual Online
For 1990-2009 cars only

CONSOLE ASHTRAY DOOR BINDS REPAIR PROCEDURE

MODEL/YEARS 1987 NINETY-EIGHT TOURING SEDAN

Some 1987 Ninety-Eight Touring Sedans built prior to VIN Number H4348191 may experience less than acceptable operation of the console ashtray door. When pressure is applied incorrectly to open the door, there is a possibility of damaging the hinges.

A new ashtray door assembly and holder with improved hinges has been developed to correct this condition. If an ashtray door assembly require replacement, the following procedures should be followed.

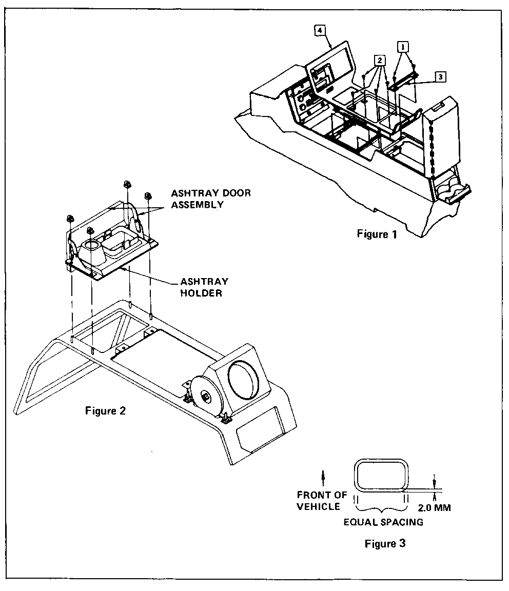
1. Raise console armrest and remove two (2) screws that retain storage compartment.

2. Remove storage compartment.

3. Remove two (2) rear trim plate retainer screws (Figure 1, Item 1) and remove retainer. (Figure 1, Item 3).

4. Remove shift indicator trim by pulling upward to disengage retaining clips. Use care to prevent damage to PRNDL to gear shift handle link.

5. Disconnect shift indicator trim lights and remove shift indicator trim.

6. Remove four (4) trim plate retaining screws. (Figure 1, Item 2)

7. Disconnect seat switch connectors in the harness and remove the switch the trim plate. (Figure 1, Item 4)

8. Loosen front of trim plate from console (retained by clips) and disconnect lighter and fog lamp switch connectors.

9. Remove trim plate. (Figure 1, Item 4)

10. From the bottom side of the trim plate remove four(4) ashtray assembly attaching nuts and remove ashtray assembly. (Figure 2)

11. Remove ashtray and lighter assembly from the ashtray holder. (Figure 2)

12. Assembly ashtray and lighter assembly into the new ashtray holder.

13. Install the new ashtray holder assembly to trim plate. Make sure that the assembly is centered in the trim plate opening. (Figure 3)

14. Reinstall trim plate and switches in console and make sure all electrical connections are completed.

15. Reconnect shift indicator trim electrical connections. Carefully align PRNDL link to gearshift handle and press down on shift indicator trim to engage retaining clips.

16. Reinstall storage compartment.

PARTS INFORMATION

Description Part Number ----------- ----------- Ashtray Door Assembly 25533193

WARRANTY INFORMATION

Labor Operation Number Labor Time ---------------------- ---------- C2770 .3 hr.


Object Number: 87244  Size: FS

General Motors bulletins are intended for use by professional technicians, not a "do-it-yourselfer". They are written to inform those technicians of conditions that may occur on some vehicles, or to provide information that could assist in the proper service of a vehicle. Properly trained technicians have the equipment, tools, safety instructions and know-how to do a job properly and safely. If a condition is described, do not assume that the bulletin applies to your vehicle, or that your vehicle will have that condition. See a General Motors dealer servicing your brand of General Motors vehicle for information on whether your vehicle may benefit from the information.