GM Service Manual Online
For 1990-2009 cars only

SERVICE MANUAL UPDATE SEC. 6E3 DRIVEABILITY & EMISSIONS

SUBJECT: SERVICE MANUAL UPDATE - DRIVEABILITY AND EMISSIONS REVISED C-1 OA CHART AND FACING PAGES

MODELS/YEARS: 1991 NINETY-EIGHT WITH 3800 (VIN L) ENGINE

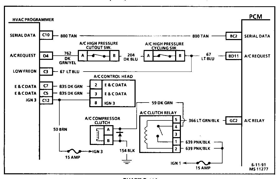
This bulletin replaces Chart C-10A, "A/C Clutch Circuit Diagnosis" in "Driveability And Emissions' Section 6E3-ClO of the 1991 Ninety-Eight Service Manual. The C-10A Diagnosis Chart included in the service manual at time of printing has been revised. The new chart addresses the possibility of a faulty A/C programmer not allowing A/C clutch engagement.

CHART C-10A A/C CLUTCH CIRCUIT DIAGNOSIS 3800 (VIN L) (TPI) ----------------------------------------------- Circuit Description: The A/C relay is PCM controlled to delay A/C clutch engagement 0.4 seconds after A/C is turned "ON." This allows the IAC to adjust engine rpm before the A/C clutch engages. The PCM also causes the relay to disengage the A/C clutch during WOT operation. The A/C relay is energized when the PCM provides a ground path for CKT 366. The PCM may apply the A/C clutch during cranking to prevent A/C slugging during startup.

Test Description: Number(s) below refer to circled number(s) on the diagnostic chart.

1. Determines whether or not the PCM recognizes the A/C request signal. 2. Checks for an open high pressure cutout switch. 3. Checks for a ignition to control assembly. 4. Checks for a false A/C request signal at the PCM. 5. Determines whether the A/C relay contacts can be controlled by the PCM 6. Checks for ignition voltage to relay contacts. 7. Determines whether problem is caused by relay, relay connections, clutch, or clutch circuitry.


Object Number: 84284  Size: FS


Object Number: 84283  Size: FS


Object Number: 84282  Size: FS

General Motors bulletins are intended for use by professional technicians, not a "do-it-yourselfer". They are written to inform those technicians of conditions that may occur on some vehicles, or to provide information that could assist in the proper service of a vehicle. Properly trained technicians have the equipment, tools, safety instructions and know-how to do a job properly and safely. If a condition is described, do not assume that the bulletin applies to your vehicle, or that your vehicle will have that condition. See a General Motors dealer servicing your brand of General Motors vehicle for information on whether your vehicle may benefit from the information.