GM Service Manual Online
For 1990-2009 cars only

SERVICE MANUAL UPDATE REVISED HEATED SEAT SCHEMATICS

SUBJECT: SERVICE MANUAL UPDATE REVISED HEATED SEATS SCHEMATICS SHOWING WIRE COLORS

MODELS/YEARS: 1991 NINETY-EIGHT

The Heated Seats Schematics (pages 8A-1 48-0 and 8A-1 48-1) as well as the Heater Element isolation test (page 8A-1 48-4) and the Heater Seat Switch Test (page 8A-1 48-5) have been revised.

Please mark a reference to this bulletin in your copy(s) of the 1991 Ninety-Eight Service Manual.

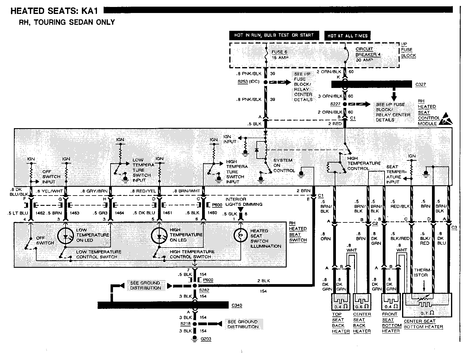
CIRCUIT OPERATION

When LO is pressed on the Heated Seat Switch and the Ignition Switch is in RUN, the Heated Seat Control Module LO input terminal is momentarily grounded. This causes the Seat Control Module to turn on the LO LED indicator and apply voltage to the Seat Heaters at terminal C2/A. The Heated Seat Control Module monitors the seat surface temperature through a thermistor located in the Center Seat Bottom. The Heated Seat Control Module will maintain the seat surface temperature at approximately 370C (980F) when LO has been selected.

Operation of the Heated Seat in the HI mode is similar to LO operation except the HI LED indicator will be lit and seat surface temperature will be maintained at approximately 42 C (107 F).

When the OFF switch is pressed, the Heated Seat Control Module's OFF input (terminal C1/F) is grounded momentarily. The module will react by turning off the voltage applied to the seat heaters. The module will also turn off the Heated Seats whenever the Ignition Switch has been cycled OFF and then back to RUN.


Object Number: 82491  Size: FS


Object Number: 74581  Size: FS


Object Number: 89305  Size: FS


Object Number: 89691  Size: FS


Object Number: 77569  Size: FS

General Motors bulletins are intended for use by professional technicians, not a "do-it-yourselfer". They are written to inform those technicians of conditions that may occur on some vehicles, or to provide information that could assist in the proper service of a vehicle. Properly trained technicians have the equipment, tools, safety instructions and know-how to do a job properly and safely. If a condition is described, do not assume that the bulletin applies to your vehicle, or that your vehicle will have that condition. See a General Motors dealer servicing your brand of General Motors vehicle for information on whether your vehicle may benefit from the information.