GM Service Manual Online
For 1990-2009 cars only

SMU - SEC. 6E-REV. SCHEMATICS & COMP LOC. TABLE

SUBJECT: SERVICE MANUAL UPDATE - SECTION 6E - REVISED SCHEMATICS AND COMPONENT LOCATION TABLE

MODELS: 1996 BUICK LESABRE, PARK AVENUE 1996 OLDSMOBILE EIGHTY EIGHT, LSS, NINETY EIGHT 1996 PONTIAC BONNEVILLE

THIS BULLETIN IS BEING ISSUED TO REVISE SEVERAL SCHEMATICS AND THE COMPONENT LOCATION TABLE IN SECTION 6E OF THE SERVICE MANUAL.

THE REVISIONS ARE AS FOLLOWS:

PAGE(S) AFFECTED REVISION ================ ========

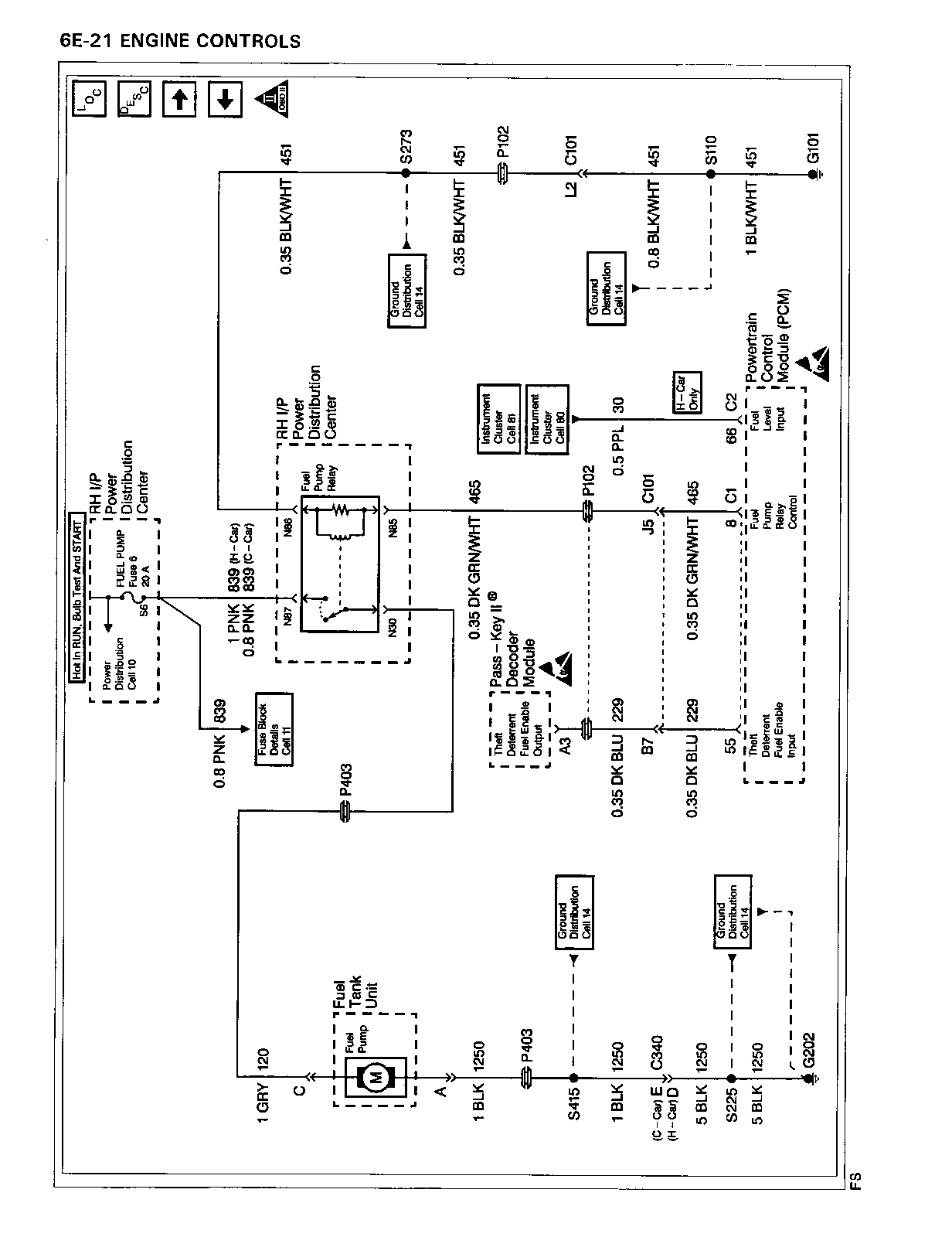
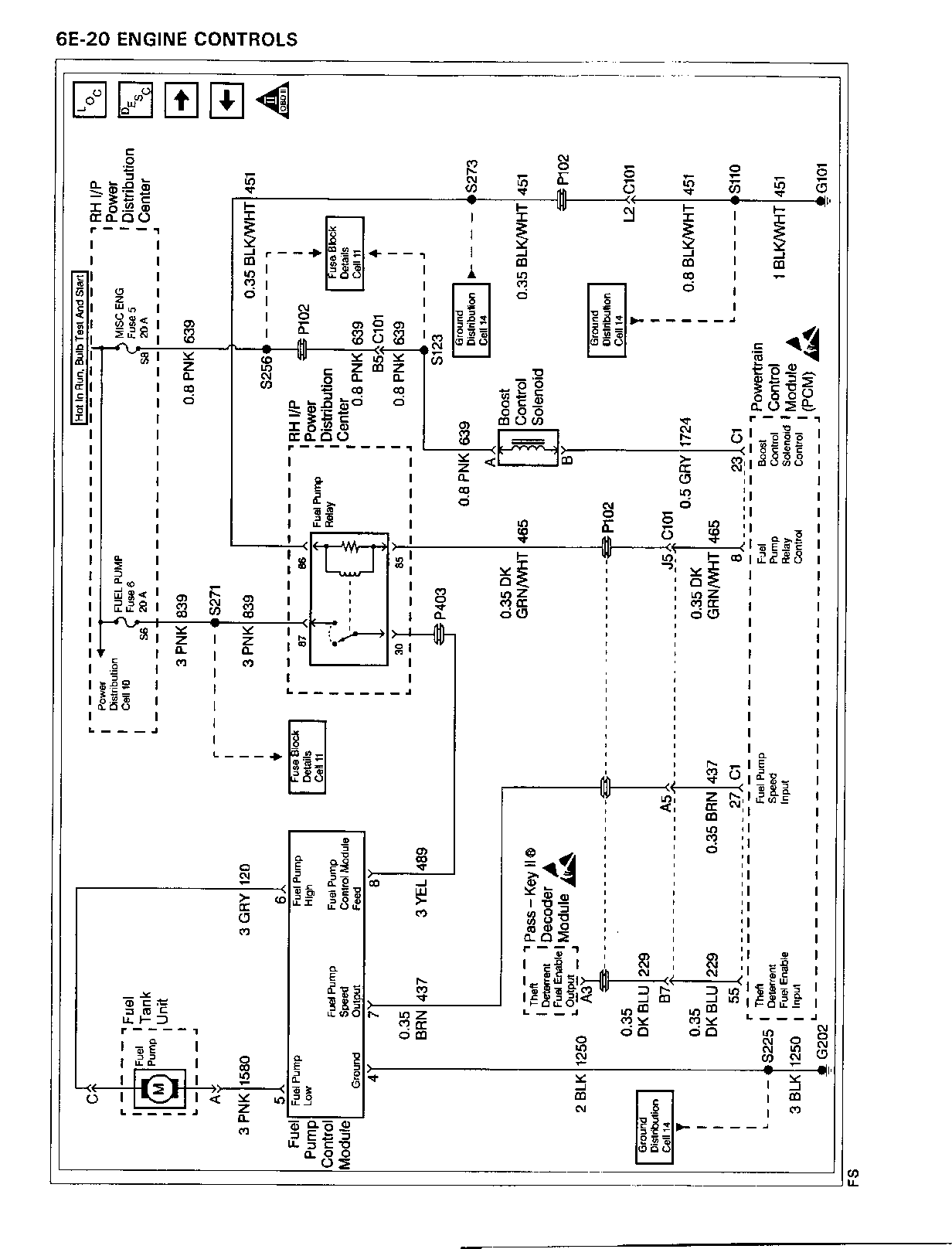
6E-20, 6E-21 ON EACH SCHEMATIC, THE FUEL PUMP RELAY AND FUEL PUMP FUSE LOCATIONS SHOULD BE CHANGED FROM "RELAY CENTER" TO "RH I/P POWER DISTRIBUTION CENTER". (SEE REVISED SCHEMATICS, ATTACHMENTS 1 AND 2).

6E-41 LOCATION OF THE FUEL PUMP RELAY (UNDERHOOD ELECTRICAL CENTER #1) IS INCORRECT. THE CORRECT LOCATION IS PROVIDED IN THE TABLE BELOW. IN ADDITION, THE RH I/P POWER DISTRIBUTION CENTER LOCATION HAS BEEN ADDED AS SHOWN BELOW.

ENGINE CONTROLS COMPONENT LOCATION TABLE ========================================

LOCATOR VIEW (8A-201 CONNECTOR NAME LOCATION PAGE #) FIGURE END VIEW ---- --------- -------- ------ ---------

FUEL PUMP IN THE RH I/P POWER -- -- -- RELAY DISTRIBUTION CENTER

RH I/P BEHIND THE RH SIDE 29 54, 55 8A-11-2 POWER OF THE I/P, ON THE DISTRIBUTION MULTI-USE BRACKET CENTER

FIGURES: 00 ATTACHMENTS: 02


Object Number: 169881  Size: FS


Object Number: 169882  Size: FS

GENERAL MOTORS BULLETINS ARE INTENDED FOR USE BY PROFESSIONAL TECHNICIANS, NOT A "DO-IT-YOURSELFER". THEY ARE WRITTEN TO INFORM THOSE TECHNICIANS OF CONDITIONS THAT MAY OCCUR ON SOME VEHICLES, OR TO PROVIDE INFORMATION THAT COULD ASSIST IN THE PROPER SERVICE OF A VEHICLE. PROPERLY TRAINED TECHNICIANS HAVE THE EQUIPMENT, TOOLS, SAFETY INSTRUCTIONS AND KNOW-HOW TO DO A JOB PROPERLY AND SAFELY. IF A CONDITION IS DESCRIBED, DO NOT ASSUME THAT THE BULLETIN APPLIES TO YOUR VEHICLE, OR THAT YOUR VEHICLE WILL HAVE THAT CONDITION. SEE A GENERAL MOTORS DEALER SERVICING YOUR BRAND OF GENERAL MOTORS VEHICLE FOR INFORMATION ON WHETHER YOUR VEHICLE MAY BENEFIT FROM THE INFORMATION.

COPYRIGHT 1997 GENERAL MOTORS CORPORATION. ALL RIGHTS RESERVED.