GM Service Manual Online
For 1990-2009 cars only

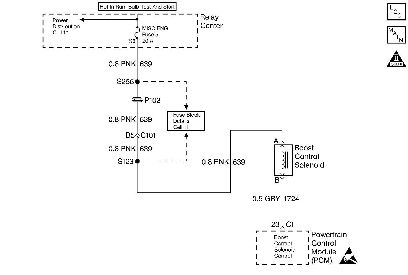
Object Number: 22663  Size: MF
Engine Controls Components
VIN 1 Fuel Control
OBD II Symbol Description Notice
Handling ESD Sensitive Parts Notice

Circuit Description

Under most conditions, the PCM commands the boost control solenoid to operate at a 100 percent PWM to allow full intake boost pressure upon demand. However, if reverse gear is selected, the PCM detects rapid deceleration, or engine load is extremely high, reduced boost pressure is desired. Under these conditions, the PCM commands the boost control solenoid to operate at a 0 percent PWM, which opens the bypass valve to reduce boost pressure by recirculating it back through the supercharger inlet.

Conditions for Setting the DTC

    • Intake air temperature greater than -10°C (14°F).
    • Engine torque exceeds a maximum torque threshold value. This value varies depending on commanded gear and engine rpm.
    • Above conditions for at least 6 seconds.

Action Taken When the DTC Sets

    • The PCM will illuminate the malfunction indicator lamp (MIL) during the second consecutive trip in which the diagnostic test has been run and failed.
    • The PCM will store conditions which were present when the DTC set as Freeze Frame and Failure Records data.

Conditions for Clearing the MIL/DTC

    • The PCM will turn OFF the MIL during the third consecutive trip in which the diagnostic has been run and passed.
    • The History DTC will clear after 40 consecutive warm-up cycles have occurred without a malfunction.
    • The DTC can be cleared by using the scan tool.

Boost Control System Hose Routing


Object Number: 12322  Size: MH
(1)Vacuum Signal to Bypass Valve Actuator
(2)Boost Signal to Fuel Pressure Regulator
(3) Bypass Valve Actuator
(4)Boost Signal to Bypass Valve Actuator
(5)Boost Control Solenoid
(6)Boost Source to Boost Control Solenoid

Diagnostic Aids

Check for the following conditions:

    • Boost Control Solenoid control circuit shorted to ground.
    • Binding Bypass Valve. Refer to Supercharger Section 6G.
    • Sticking or misadjusted Bypass Valve Actuator. Refer to Supercharger Bypass Valve Actuator .

An intermittent may be caused by rubbed through wire insulation.

Intermittent test - Disconnect PCM and install a J 39200 Digital Multimeter to monitor voltage between the boost control solenoid control circuit at the PCM harness connector and ground. With the key ON, observe voltage while manipulating related connectors and wiring harness. If the failure is induced, the voltage display will change.

Test Description

Number(s) below refer to Step number(s) in the diagnostic table.

  1. Checks the Boost Control Solenoid control circuit. A short to ground in the Boost Control Solenoid control circuit will keep the bypass valve closed when the PCM is commanding it open, possibly causing an overboost condition during high engine load situations.

  2. No inlet vacuum to the bypass valve actuator may cause the bypass valve to remain closed during deceleration. This condition may be perceived as a sail-on, possibly accompanied by a rough idle.

  3. Checks for a sticking boost control solenoid.

  4. This vehicle is equipped with a PCM which utilizes an Electrically Erasable Programmable Read Only Memory (EEPROM). When the PCM is being replaced, the new PCM must be programmed.

DTC P1257 - Supercharger System Overboost

Step

Action

Value(s)

Yes

No

1

Was the Powertrain On-Board Diagnostic (OBD) System Check performed?

--

Go to Step 2

Go to the Powertrain On Board Diagnostic (OBD) System Check

2

Important: Before continuing with diagnosis, visually and physically inspect for damaged, disconnected, or incorrectly routed boost control system hoses. Refer to
Object Number: 12322  Size: MH

(1)Vacuum Signal to Bypass Valve Actuator
(2)Boost Signal to Fuel Pressure Regulator
(3) Bypass Valve Actuator
(4)Boost Signal to Bypass Valve Actuator
(5)Boost Control Solenoid
(6)Boost Source to Boost Control Solenoid
.

Select DTC info, Last Tst Fail and record any other DTCs set.

Are any other DTCs stored?

--

Diagnose the other DTC first - Refer to Powertrain Control Module Diagnosis

Go to Step 3

3

  1. Disconnect the Boost Control Solenoid electrical connector.
  2. Turn ON the ignition switch.
  3. Connect the test light between the Boost Control Solenoid harness connector terminals.

Is the test light ON?

--

Go to Step 9

Go to Step 4

4

  1. Disconnect the inlet vacuum signal hose from the Bypass Valve actuator. Refer to
    Object Number: 12322  Size: MH
    (1)Vacuum Signal to Bypass Valve Actuator
    (2)Boost Signal to Fuel Pressure Regulator
    (3) Bypass Valve Actuator
    (4)Boost Signal to Bypass Valve Actuator
    (5)Boost Control Solenoid
    (6)Boost Source to Boost Control Solenoid
    .
  2. Connect a vacuum gauge to read the inlet vacuum signal to the Bypass Valve Actuator.
  3. Start the engine and idle in Park.
  4. Observe the vacuum gauge reading

Does the vacuum gauge indicate vacuum greater than the specified value?

12 in. Hg

Go to Step 5

Go to Step 11

5

  1. Reconnect the Boost Control Solenoid electrical connector and the inlet vacuum signal hose.
  2. Disconnect the boost signal hose between the Boost Control Solenoid and the Bypass Valve Actuator. Refer to
    Object Number: 12322  Size: MH
    (1)Vacuum Signal to Bypass Valve Actuator
    (2)Boost Signal to Fuel Pressure Regulator
    (3) Bypass Valve Actuator
    (4)Boost Signal to Bypass Valve Actuator
    (5)Boost Control Solenoid
    (6)Boost Source to Boost Control Solenoid
    .
  3. Connect the vacuum gauge to read the boost signal from the Boost Control Solenoid.
  4. Turn the Boost Control Solenoid OFF using the scan tool output control function.
  5. Observe the vacuum gauge.

Does the vacuum gauge indicate vacuum greater than the specified value with the Boost Control Solenoid commanded OFF?

12 in. Hg

Go to Step 6

Go to Step 12

6

  1. Check for a restricted or damaged boost signal hose between the Boost Control Solenoid and the Bypass Valve Actuator. Refer to
    Object Number: 12322  Size: MH
    (1)Vacuum Signal to Bypass Valve Actuator
    (2)Boost Signal to Fuel Pressure Regulator
    (3) Bypass Valve Actuator
    (4)Boost Signal to Bypass Valve Actuator
    (5)Boost Control Solenoid
    (6)Boost Source to Boost Control Solenoid
    .
  2. If a problem is found, repair as necessary.

Was a problem found?

--

Go to Step 15

Go to Step 7

7

  1. Check for the following conditions:
  2. • Binding Bypass Valve.
    • Sticking or misadjusted Bypass Valve Actuator linkage.
  3. If a problem is found, repair as necessary. Refer to Supercharger .

Was a problem found?

--

Go to Step 15

Go to Step 8

8

Replace the Bypass Valve actuator. Refer to Supercharger Bypass Valve Actuator .

Is action complete?

--

Go to Step 15

--

9

  1. Turn OFF the ignition switch.
  2. Disconnect the PCM.
  3. Turn ON the ignition switch.
  4. Observe the test light.

Is the test light ON?

--

Go to Step 10

Go to Step 13

10

Locate and repair short to ground in Boost Control Solenoid control circuit. Refer to Repair Procedures in Electrical Diagnosis.

Is action complete?

--

Go to Step 15

--

11

Repair restricted or damaged inlet vacuum signal hose to the Bypass Valve Actuator or blocked inlet vacuum source. Refer to
Object Number: 12322  Size: MH

(1)Vacuum Signal to Bypass Valve Actuator
(2)Boost Signal to Fuel Pressure Regulator
(3) Bypass Valve Actuator
(4)Boost Signal to Bypass Valve Actuator
(5)Boost Control Solenoid
(6)Boost Source to Boost Control Solenoid
.

Is action complete?

--

Go to Step 15

--

12

  1. Check for a restricted or damaged boost source hose to the Boost Control Solenoid. Refer to
    Object Number: 12322  Size: MH
    (1)Vacuum Signal to Bypass Valve Actuator
    (2)Boost Signal to Fuel Pressure Regulator
    (3) Bypass Valve Actuator
    (4)Boost Signal to Bypass Valve Actuator
    (5)Boost Control Solenoid
    (6)Boost Source to Boost Control Solenoid
    .
  2. If a problem is found, repair as necessary.

Was a problem found?

--

Go to Step 15

Go to Step 14

13

Replace the PCM.

Important:: The replacement PCM must be programmed. Go to Powertrain Control Module Replacement/Programming .

Is action complete?

--

Go to Step 15

--

14

Replace the Boost Control Solenoid. Refer to Boost Control Solenoid .

Is action complete?

--

Go to Step 15

--

15

  1. Review and record scan tool Fail Records data.
  2. Clear DTCs.
  3. Operate the vehicle within Fail Records conditions.
  4. Monitor Specific DTC info for DTC P1257 on the scan tool.

Does the scan tool indicate DTC P1257 failed this ign?

--

Go to Step 2

System OK