GM Service Manual Online
For 1990-2009 cars only
Makes
🢒
Oldsmobile
🢒
1999
🢒
Shelby Series 1
🢒 A/C System
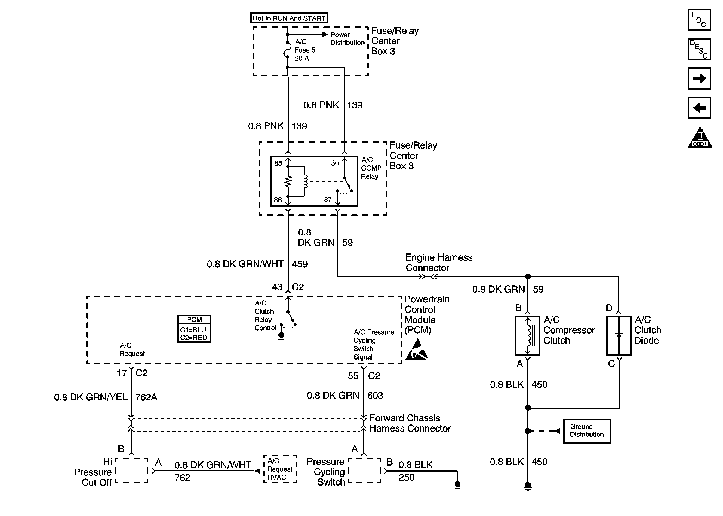
A/C System
A/C System
Engine Controls Components
Information Sensors/Switches Description
Engine Cooling Fans
EVAP and ECT
OBD II Symbol Description Notice
Powertrain Control Module Connector End Views
Handling ESD Sensitive Parts Notice