Some 1986 and early 1987 Eldorados and Sevilles equipped with the Delco Bose System may experience a popping noise heard through the speaker enclosures as the brake is applied or the power seat switch or power window switch is released. The noise in the Delco Bose tuned enclosures is due to back current from one or more of these switches. To suppress popping, follow the procedures in this bulletin as needed.
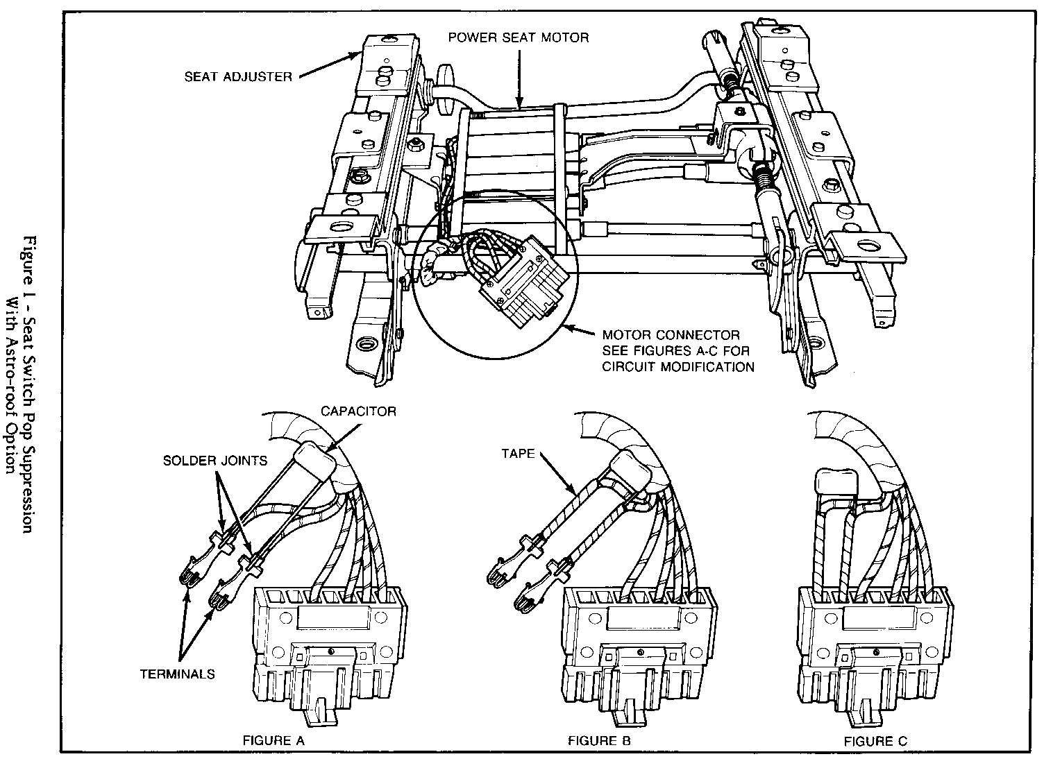
SEAT SWITCH POPS WITH ASTROROOF OPTION
Parts Required Quantity P/N 1644291 (Do Not Substitute) 3/Power Seat
Procedure - Refer to Figure 1
1. With the ignition "off," disconnect the negative battery cable. 2. Remove left power seat trim as described in Section 9D of the Body Service Manual. 3. Disconnect power seat motor six-way connector. 4. Remove left power seat. 5. Using terminal pins, remove blue stripe wires from connector. 6. Solder capacitor P/N 1644291 to the back of the terminals as shown in Figure 1-A. Position capacitor leads on top of terminal so that the capacitor is as far from the terminal leads as possible. 7. Tape capacitor leads to wires as shown in Figure 1-B. Be sure to securely wrap tape around capacitor leads so that they are completely insulated. 8. Reinstall terminals into connector. See Figure 1-C. 9. Repeat steps 5-8 for the green stripe wires. 10. Repeat steps 5-8 for the white stripe wires. 11. Reinstall power seat. 12. Connect power seat six-way connector to harness. 13. Reinstall power seat trim. 14. Repeat steps 1-13 for right seat.
POPPING WHEN RELEASING LUMBAR SEAT SWITCH
Parts Required Quantity P/N 20703379 - Suppression Jumper 1 per power seat P/N 3816659 - Strap 1 per power seat
Procedure - Refer to Figure 2
1. Position both driver and passenger seats to their full forward positions. 2. With the ignition "off," disconnect the negative battery cable. 3. Working from the behind the driver's seat, disconnect the power feed (see Figure 2, two-way connector with black and orange/black wires) for the seat motor. 4. Install the suppression jumper to the two-way connectors and strap the harness to the adjuster cable as shown in Figure 2, View A. 5. Repeat the procedure for the passenger seat. 6. Reconnect the battery. 7. Return the seats to their normal positions.
POPPING WHEN RELEASING WINDOW SWITCH - ELDORADO
Parts Required Quantity P/N 20700250 - Jumper Harness 2 P/N 3816659 - Strap 2
Procedure - Refer to Figure 3
1. With ignition off, disconnect the negative battery cable. 2. Remove left door trim as described in Sectin 5D of the Body Service Manual. 3. Disconnect cross car harness from window motor. 4. Reroute cross car harness window motor lead from behind sheet metal and out the wide oblong opening to the right of the window motor. 5. Connect appropriate end of jumper harness to the cross car harness window motor lead. 6. Reroute the free end of the jumper harness behind the cross car harness and behind the sheet metal. Connect the jumper to the window motor. 7. Secure the jumper harness by strapping the middle of the jumper to the sheet metal between the wide oblong opening and the nearest narrow oblong opening.
8. Reinstall left door trim. 9. Repeat steps 2-8 for the right door. 10. Reconnect the battery.
POPPING WHEN RELEASING WINDOW SWITCH - SEVILLE
Parts Required Quantity P/N 20700250 - Jumper Harness 4 P/N 11501906 - Strap 4
Front Door Procedure - Refer to Figure 4
1. With ignition "off," disconnect the negative battery cable. 2. Remove left front door trim as described in Section 5D of the Body Service Manual. 3. Disconnect cross car harness from window motor. 4. Reroute cross car harness window motor lead from behind sheet metal and out the small oblong opening as shown in Figure 4. 5. Secure window motor lead to sheet metal with tie strap. 6. Route appropriate end of jumper harness behind sheet metal to connect with power window motor. 7. Route other end of jumper harness out large trapezium shaped opening, and into first section of the conduit. 8. Position connector out of first opening of the conduit and securely connect to the cross car harness window motor lead connector. 9. Reinstall left front door trim. 10. Repeat the above steps 2-9 for the right front door.
Rear Door Procedure - Refer to Figure 5
11. Remove right rear door trim as described in Sectin 5D of the Body Service Manual. 12. Disconnect cross car harness from power window motor. 13. Connect appropriate end of jumper harness to the power window motor. 14. Route free end of jumper harness behind the cross car harness from behind the sheet metal and out through the oblong opening. 15. Connect cross car harness window motor lead to the end of the jumper harness which was positioned through the oblong opening. 16. Secure jumper harness and cross car harness power window motor lead by strapping them to the sheet metal between the oblong opening and the large opening which exposes the window motor. 17. Reinstall the door trim. 18. Repeat steps 11-17 for the left rear door. 19. Reconnect the battery.
POPPING WHEN APPLYING BRAKE SWITCH
Parts Required Quantity P/N 12060761 - Suppression Jumper 1
Procedure
1. With the ignition "off," disconnect the negative battery cable. 2. Turn ignition off and remove left-hand sound insulator as described in Section BC of the Service Manual. 3. Disconnect electrical connector from brake switch and remove two terminals from brake switch connector body. Discard connector body. 4. Remove two single cavity male connector bodies from jumper harness, P/N 12060761. 5. Install brake switch terminals (removed in step 3) into single cavity male connector bodies. 6. Reconnect single cavity connectors to matching wire colors. 7. Connect three cavity jumper harness connector to brake switch. Reinstall left-hand sound insulator.
General Motors bulletins are intended for use by professional technicians, not a "do-it-yourselfer". They are written to inform those technicians of conditions that may occur on some vehicles, or to provide information that could assist in the proper service of a vehicle. Properly trained technicians have the equipment, tools, safety instructions and know-how to do a job properly and safely. If a condition is described, do not assume that the bulletin applies to your vehicle, or that your vehicle will have that condition. See a General Motors dealer servicing your brand of General Motors vehicle for information on whether your vehicle may benefit from the information.