GM Service Manual Online
For 1990-2009 cars only
Makes
🢒
Opel
🢒
2007
🢒
Antara
🢒
Diagnostic Navigation
🢒
Vehicle Diagnostic Information
🢒 Remote Function Schematics
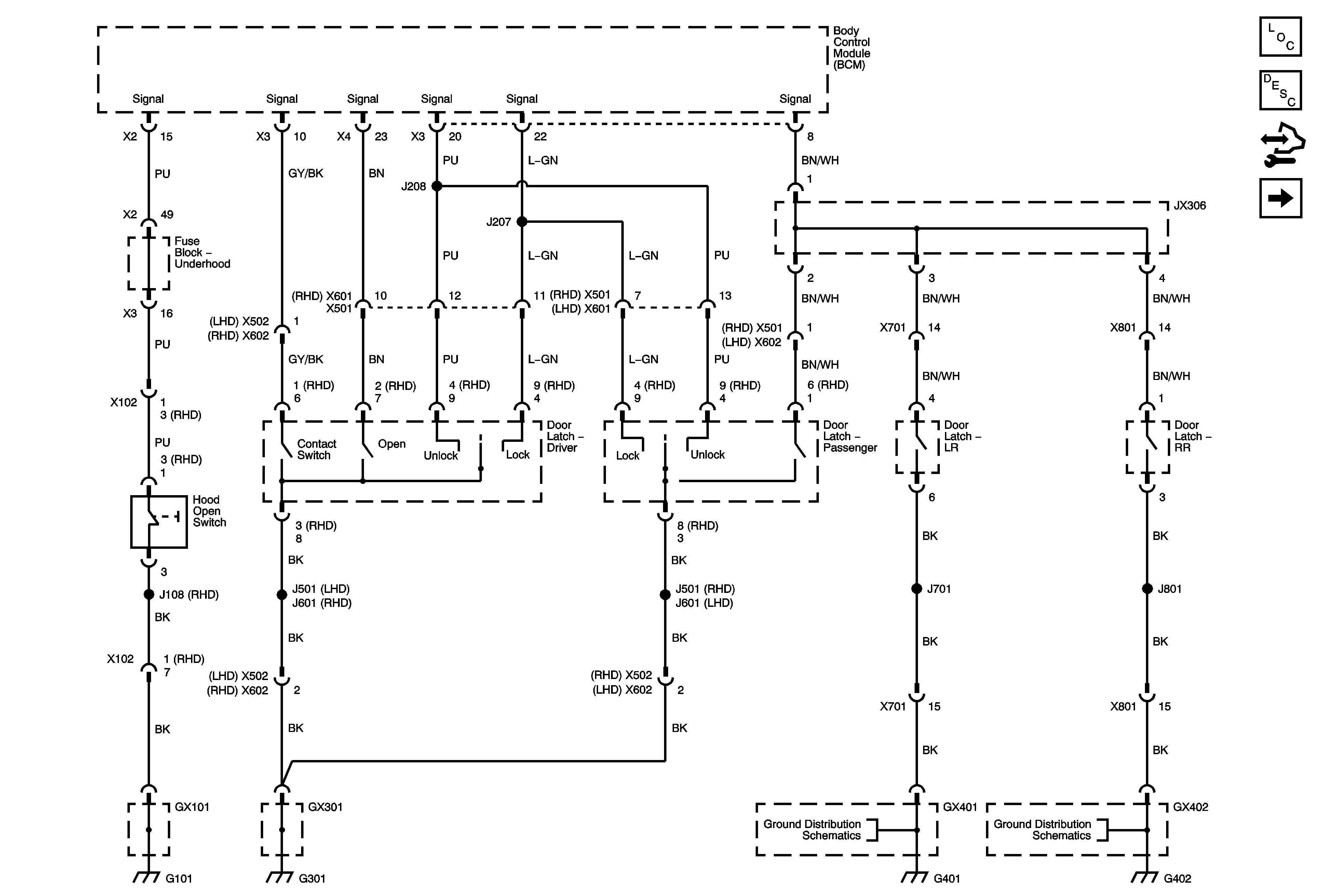
Figure
1:
Door Latches
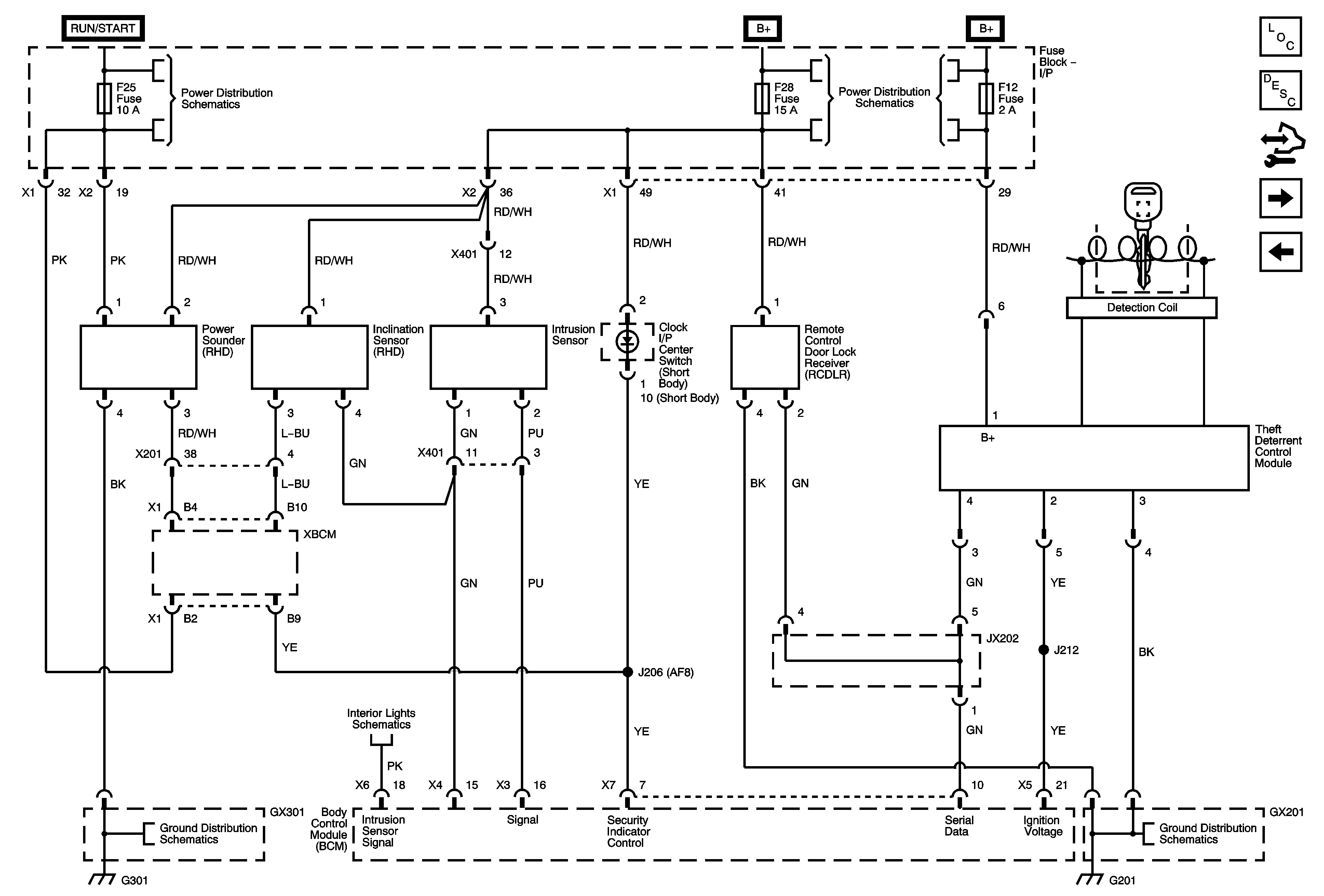
Figure
2:
Remote Control Door Lock Receiver, Theft Deterent Control Module, Intrusion Sensor
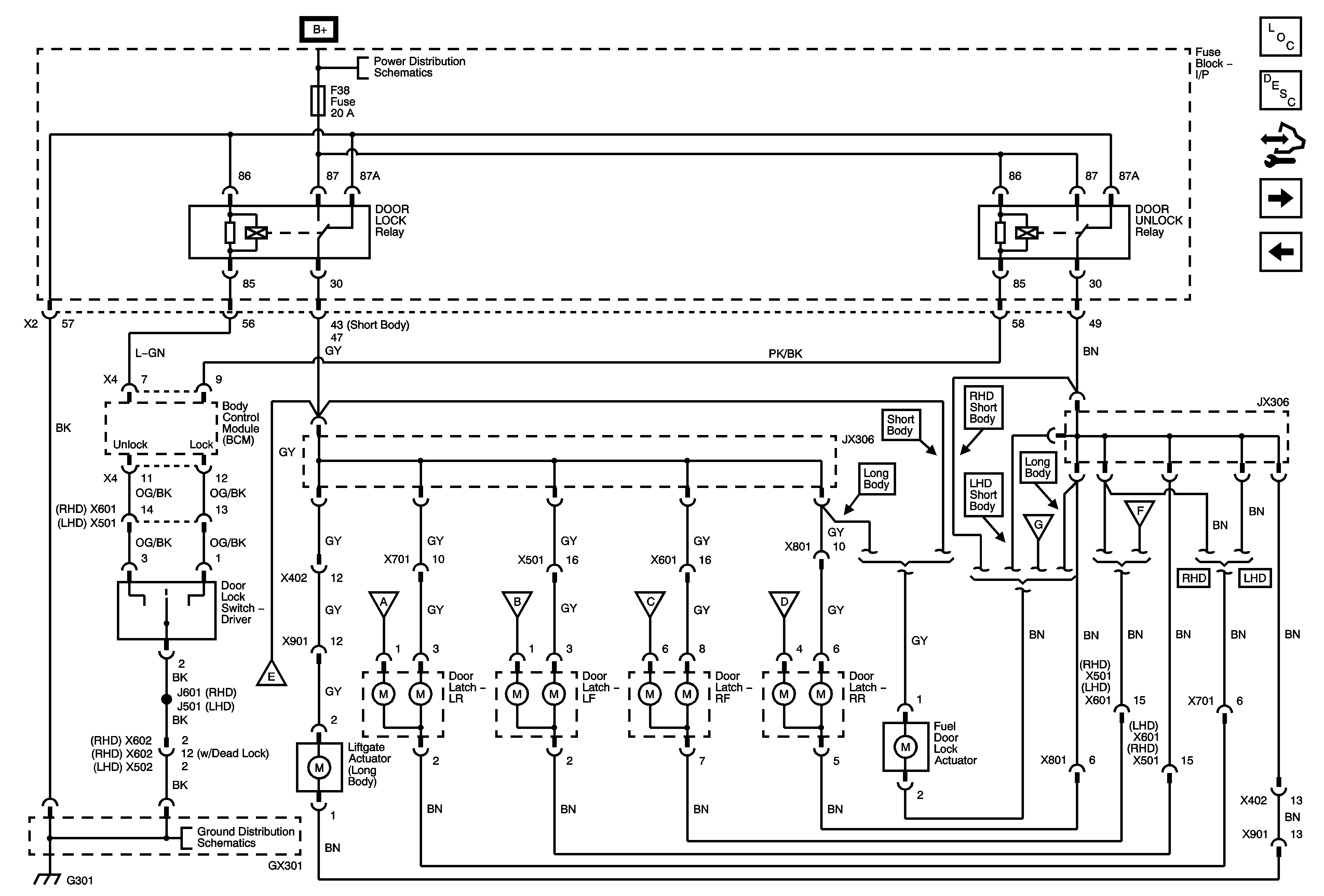
Figure
3:
Door Actuators
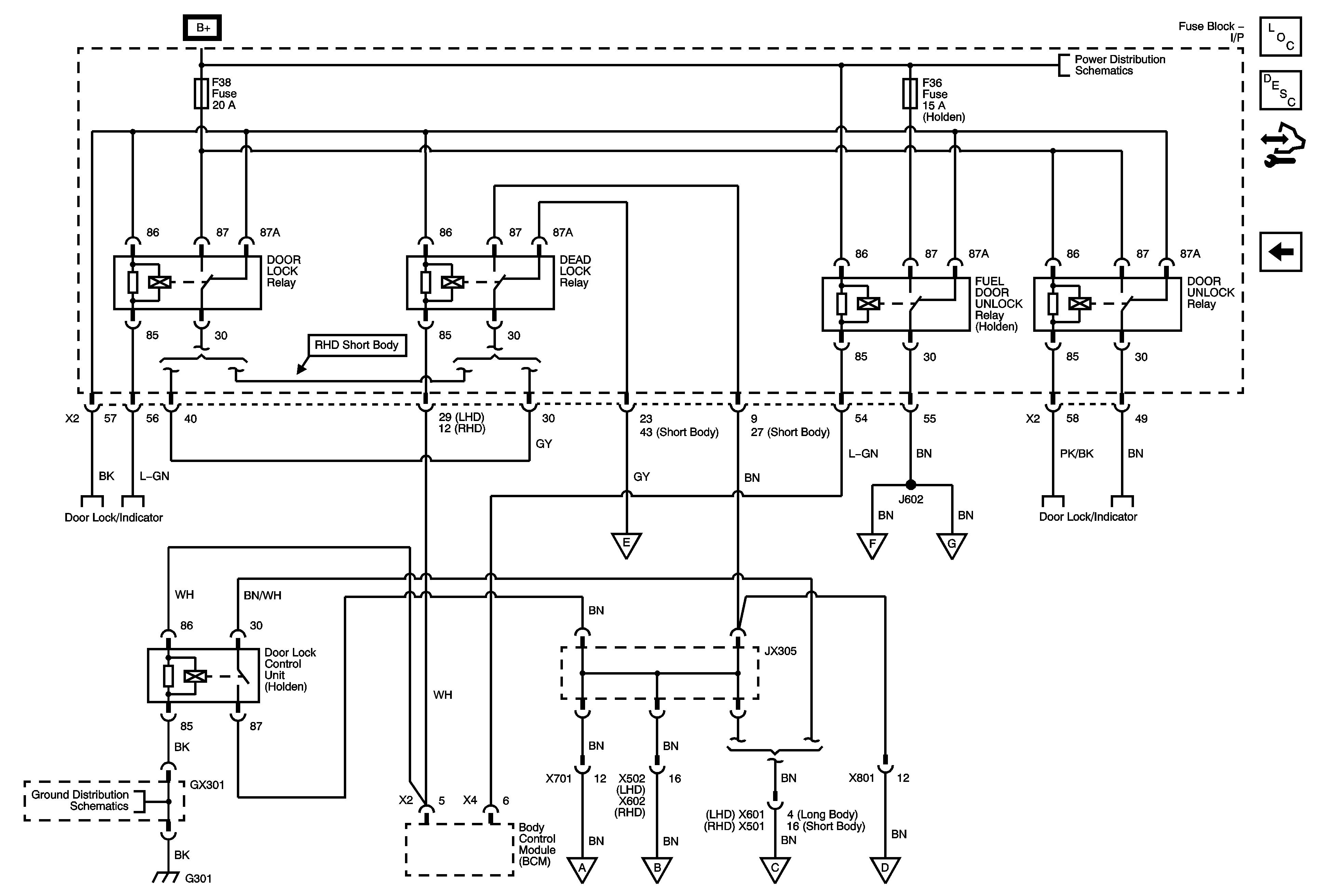
Figure
4:
Central/Dead Locking