GM Service Manual Online
For 1990-2009 cars only
Makes
🢒
Opel
🢒
2007
🢒
Antara
🢒
Body Systems
🢒
Lighting
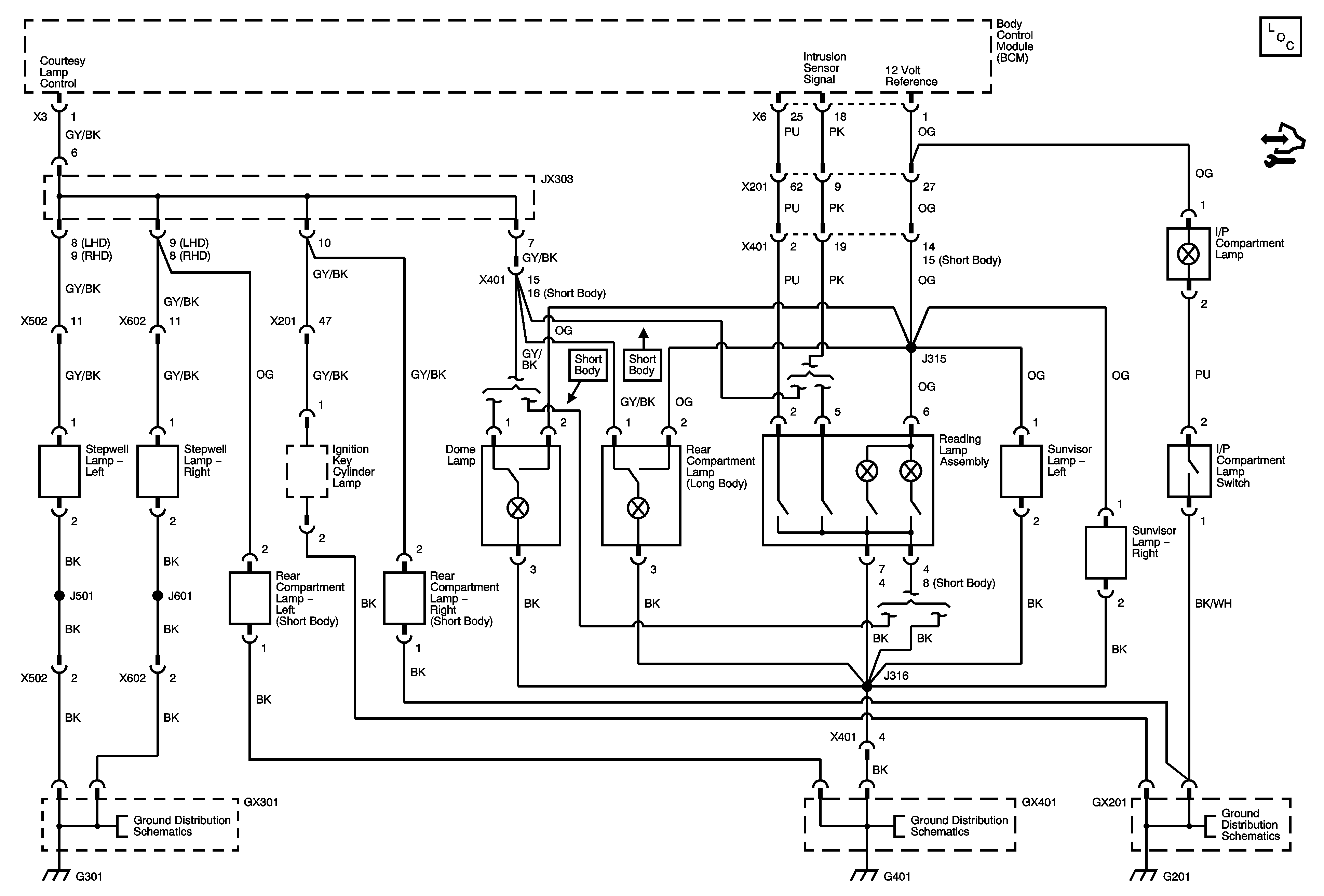
🢒 Interior Lights Schematics
Master Electrical Component List
Control Module References
Ground Distribution G301
Ground Distribution G401
Ground Distribution G201