GM Service Manual Online
For 1990-2009 cars only
Makes
🢒
Opel
🢒
2007
🢒
Antara
🢒
Body Systems
🢒
Fixed and Moveable Windows
🢒 Moveable Window Schematics
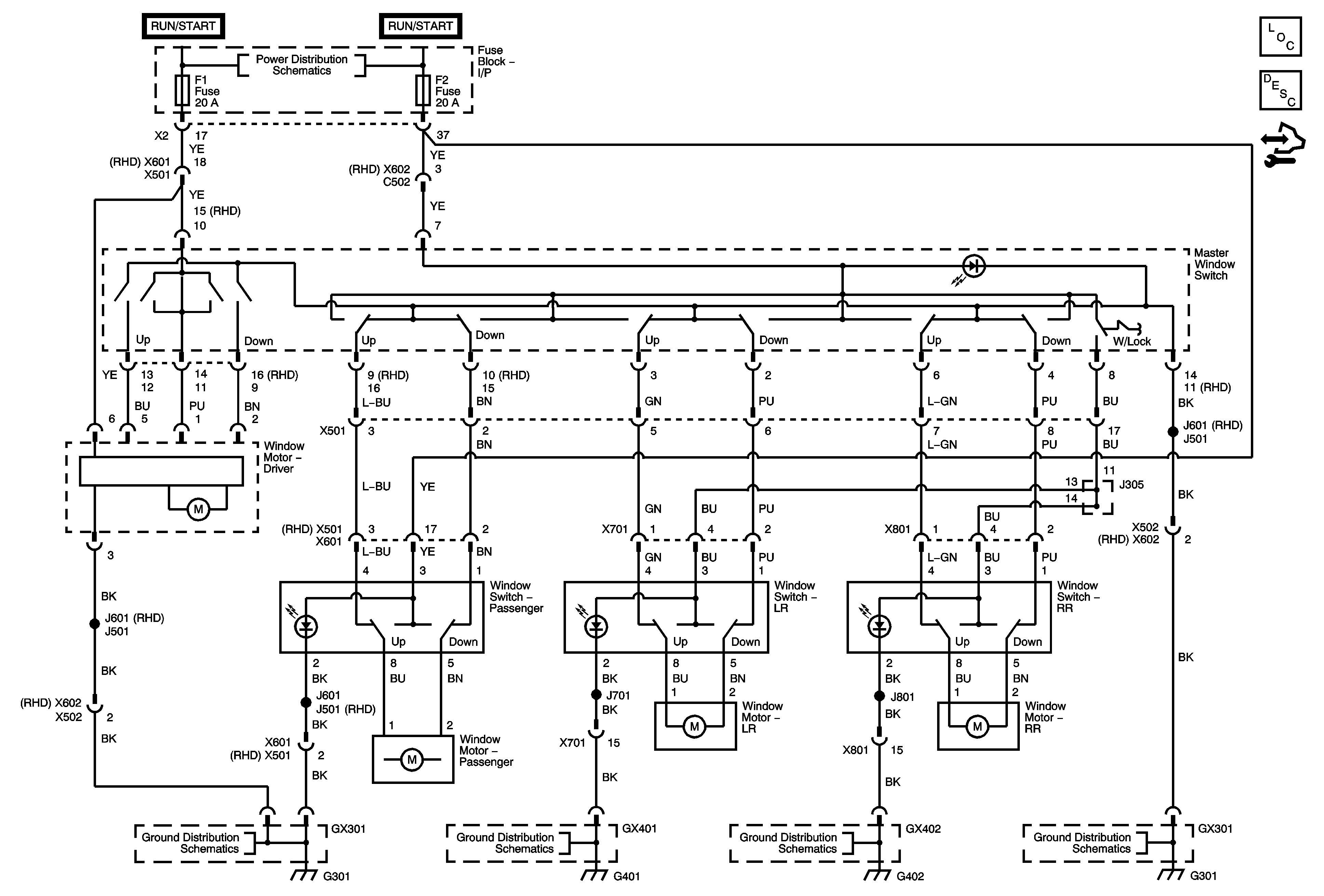
Moveable Window Schematics C100/Long Body
Master Electrical Component List
Power Windows Description and Operation
Control Module References
EF3, F1, 2, 10, 15, 18, 30, 33, 39 Fuses, Run, ACC/RAP Relays
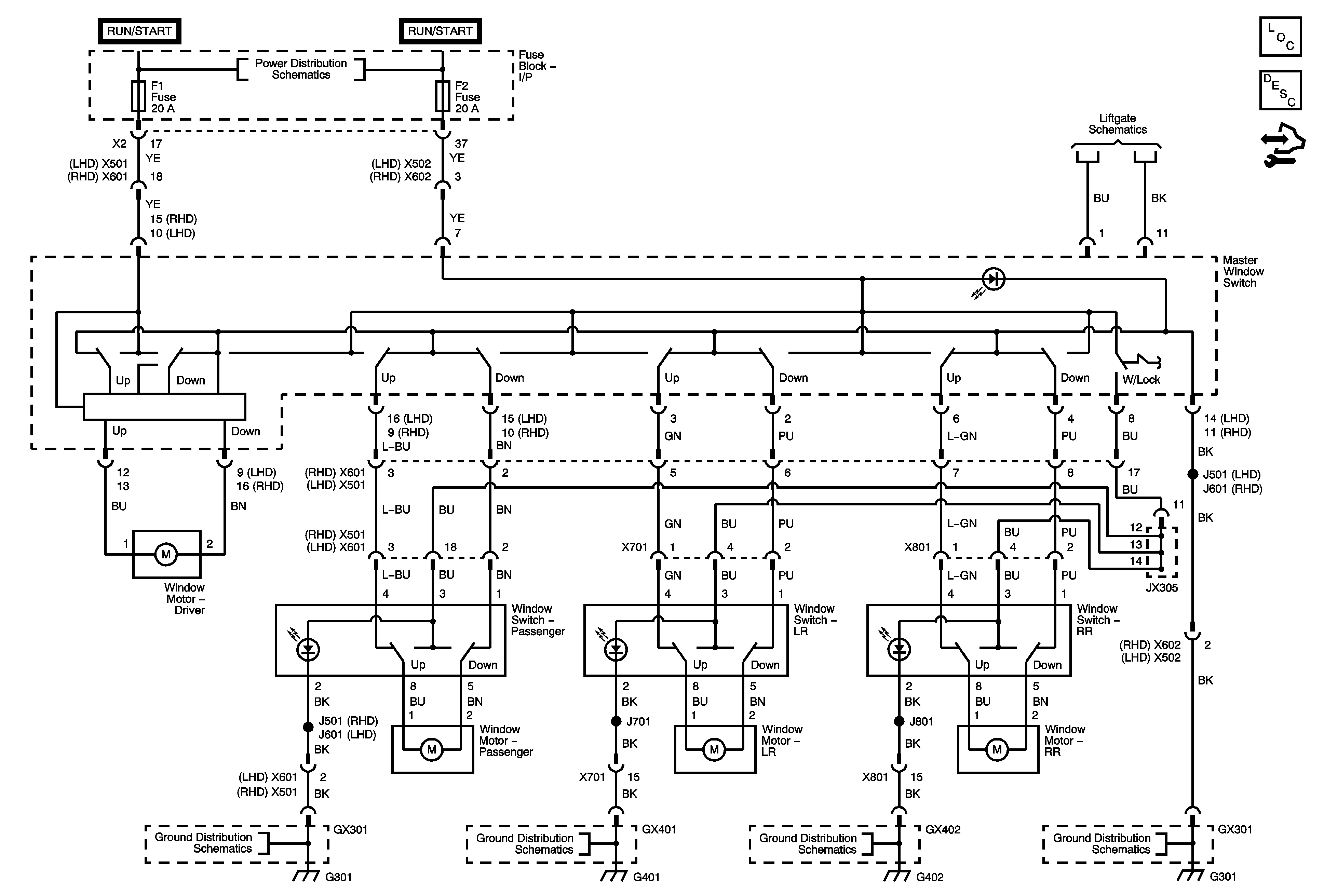
Liftgate Schematics
Ground Distribution G301
Ground Distribution G401
Ground Distribution G402
Ground Distribution G301
Moveable Window Schematics C105/Short Body
Master Electrical Component List
Power Windows Description and Operation
Control Module References
EF3, F1, 2, 10, 15, 18, 30, 33, 39 Fuses, Run, ACC/RAP Relays
Ground Distribution G301
Ground Distribution G401
Ground Distribution G402
Ground Distribution G301