GM Service Manual Online
For 1990-2009 cars only
Makes
🢒
Opel
🢒
2007
🢒
Antara
🢒
Transmission/Transaxle
🢒
Shift Lock Control
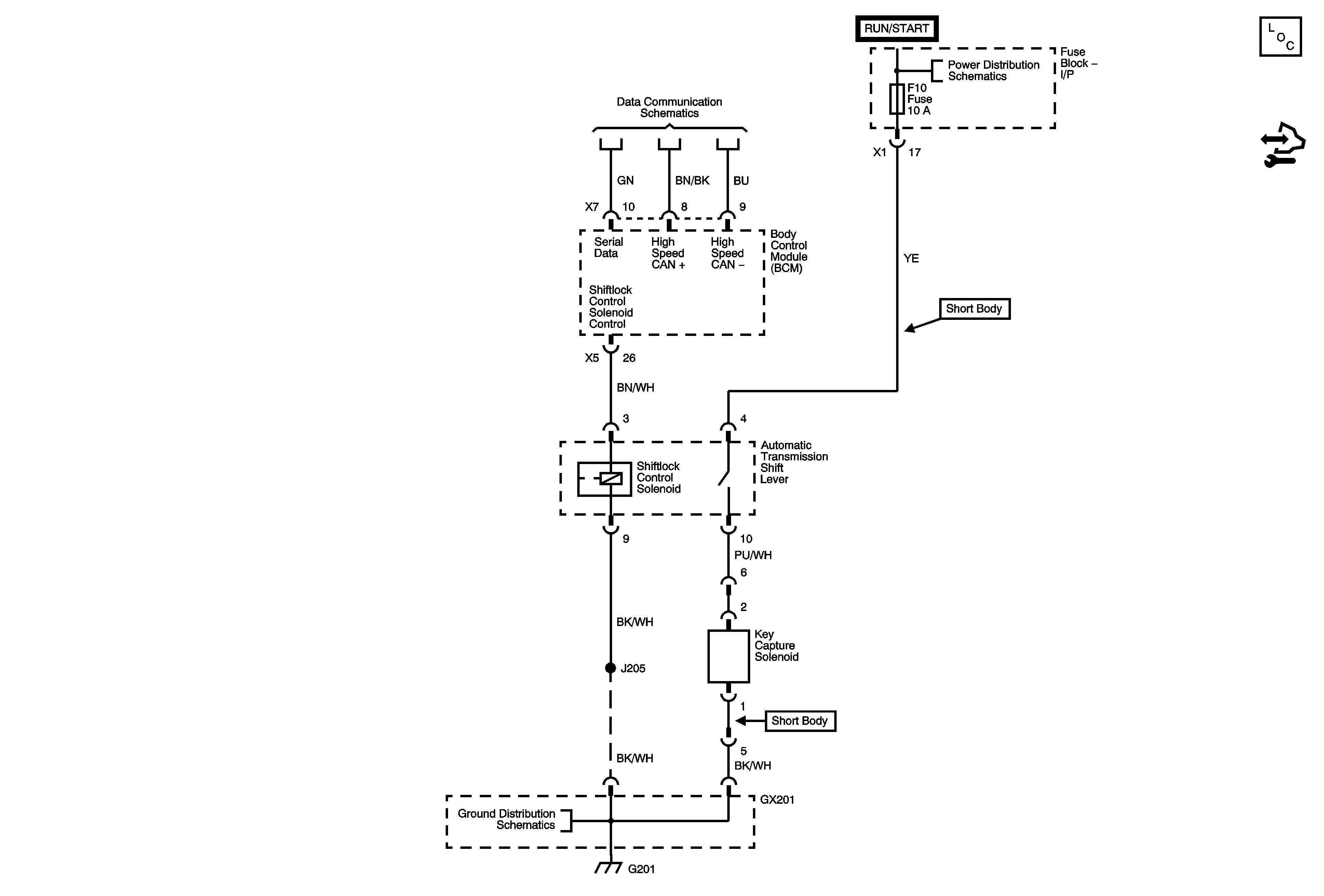
🢒 Shift Lock Control Schematics
Master Electrical Component List
Control Module References
Data Link Connector (DLC)
EF3, F1, 2, 10, 15, 18, 30, 33, 39 Fuses, Run, ACC/RAP Relays
Ground Distribution G201