GM Service Manual Online
For 1990-2009 cars only
Makes
🢒
Opel
🢒
2007
🢒
Antara
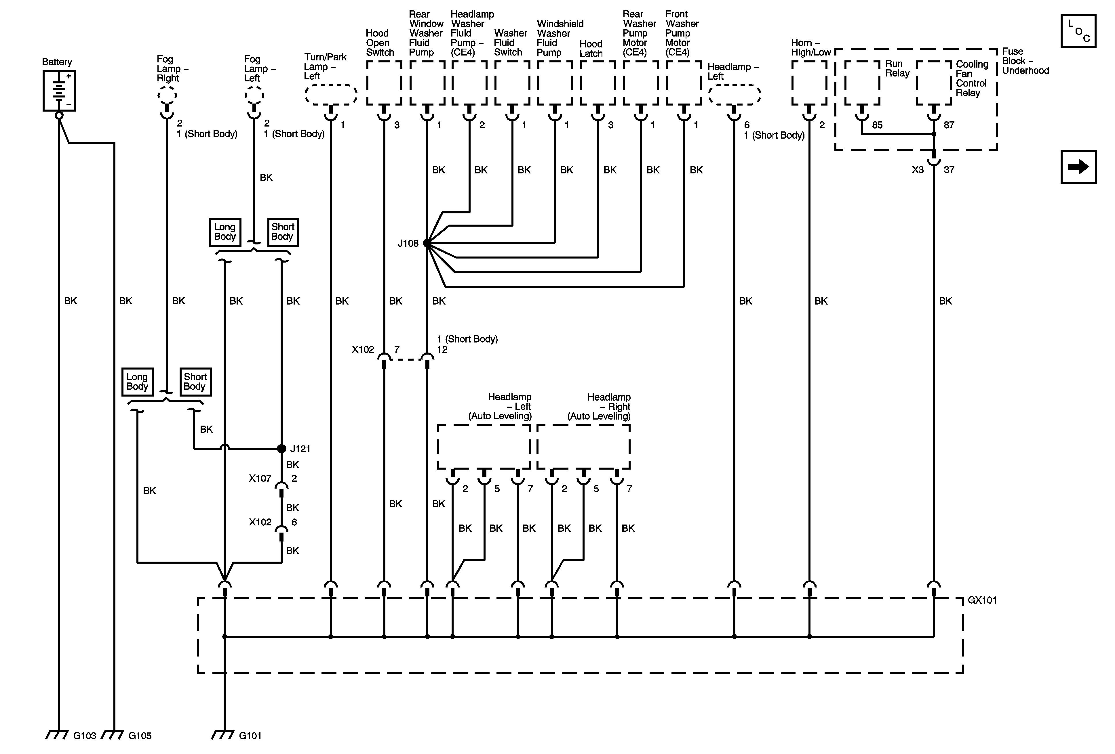
🢒 Ground Distribution G101, G103, G105
Ground Distribution G101, G103, G105
(G101, G103, G105)
Master Electrical Component List
Ground Distribution G102, G202, G203, G204