GM Service Manual Online
For 1990-2009 cars only
Makes
🢒
Opel
🢒
2007
🢒
Antara
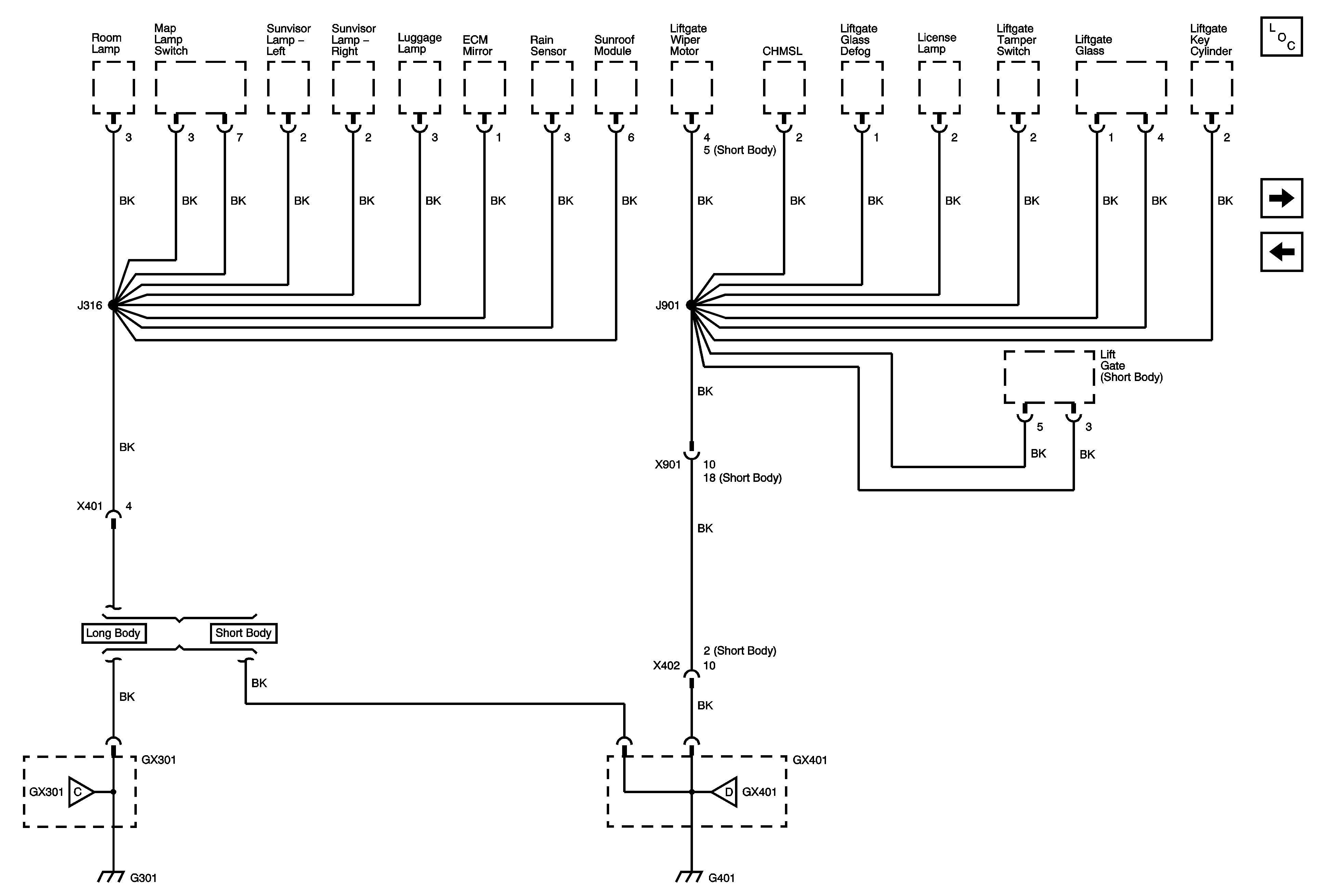
🢒 Ground Distribution G301 Cont.
Ground Distribution G301 Cont.
(G301 Cont.)
Master Electrical Component List
Ground Distribution G401
Ground Distribution G301 Cont.