GM Service Manual Online
For 1990-2009 cars only
Makes
🢒
Opel
🢒
2007
🢒
Antara
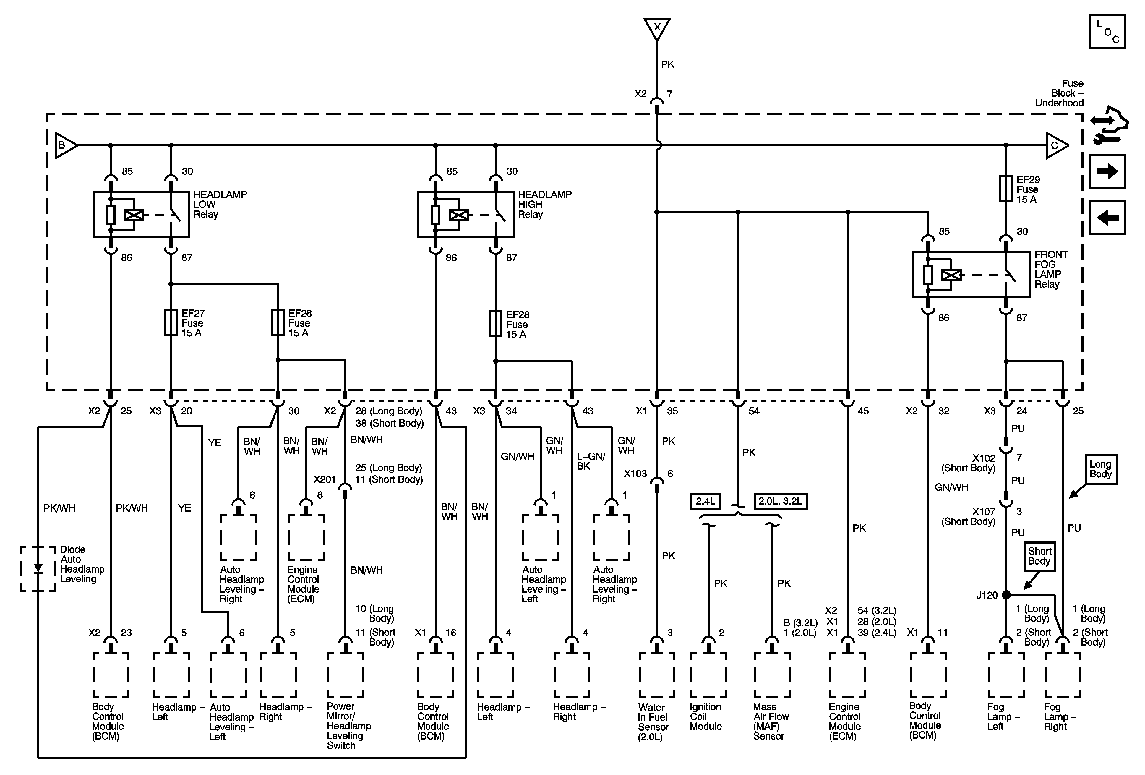
🢒 EF26, 27, 28, 29 Fuses, Head Lamps, Fog Lamp Relays
EF26, 27, 28, 29 Fuses, Head Lamps, Fog Lamp Relays
EF26, 27, 28, 29 Fuses, Headlamps, Foglamps Relays
Master Electrical Component List
Control Module References
EF22, 33, 34 Fuses, Horn, Wipers, Head Lamp Washer Relays
EF5, 13, 16, 24, 31, 32 Fuses, Starter, Park Lamp, Fuel Pump Relays