GM Service Manual Online
For 1990-2009 cars only
Makes
🢒
Opel
🢒
2007
🢒
Antara
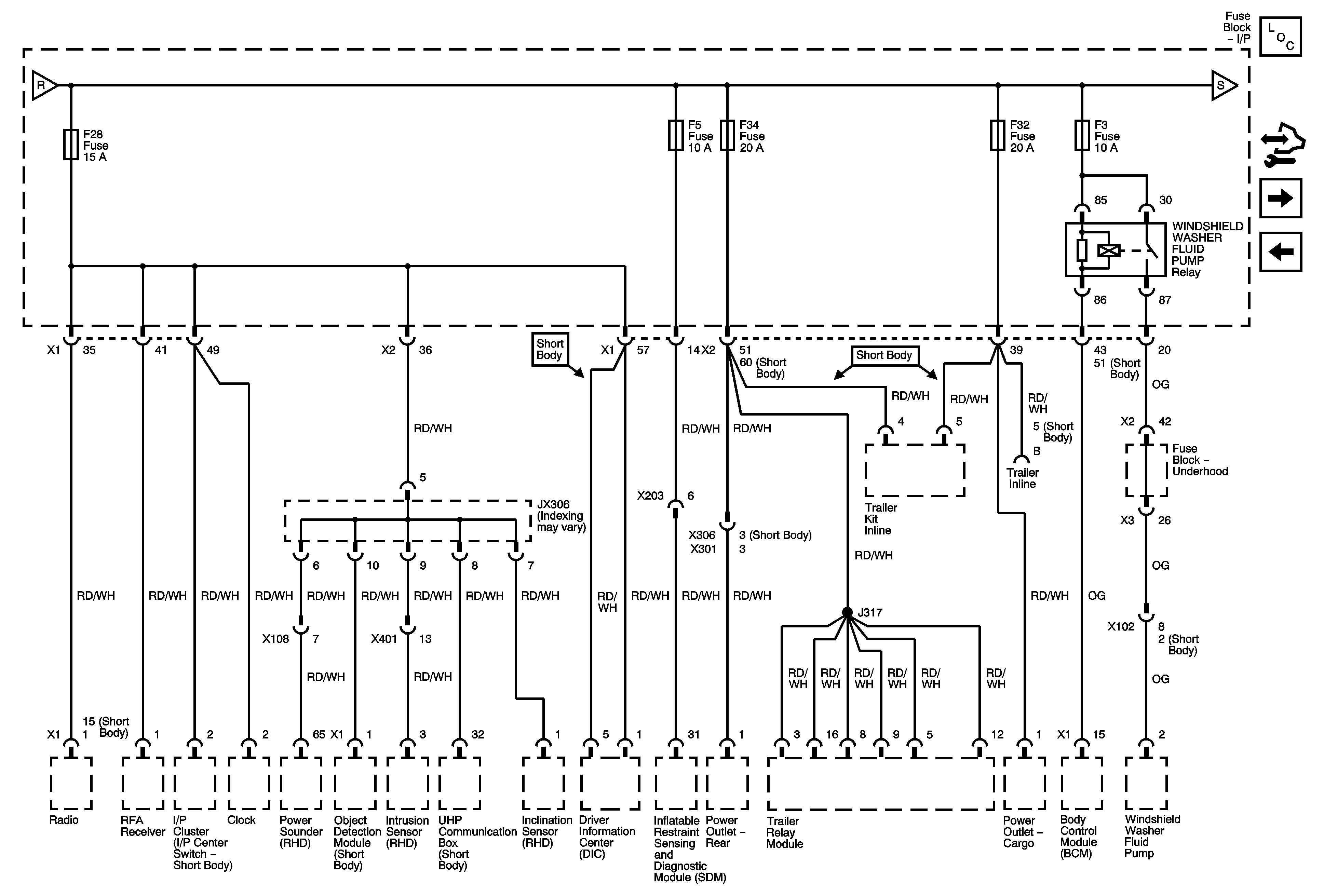
🢒 F3, 5, 28, 32, 34 Fuses, Front Washer Pump Relay
F3, 5, 28, 32, 34 Fuses, Front Washer Pump Relay
F3, 5, 28, 32, 34 Fuses
Master Electrical Component List
Control Module References
F38 Fuse, Door Lock and Unlock Relays
EF2, F11, 12, 14, 16, 19, 24, 26, 31, 35 Fuses