GM Service Manual Online
For 1990-2009 cars only
Makes
🢒
Opel
🢒
2007
🢒
Antara
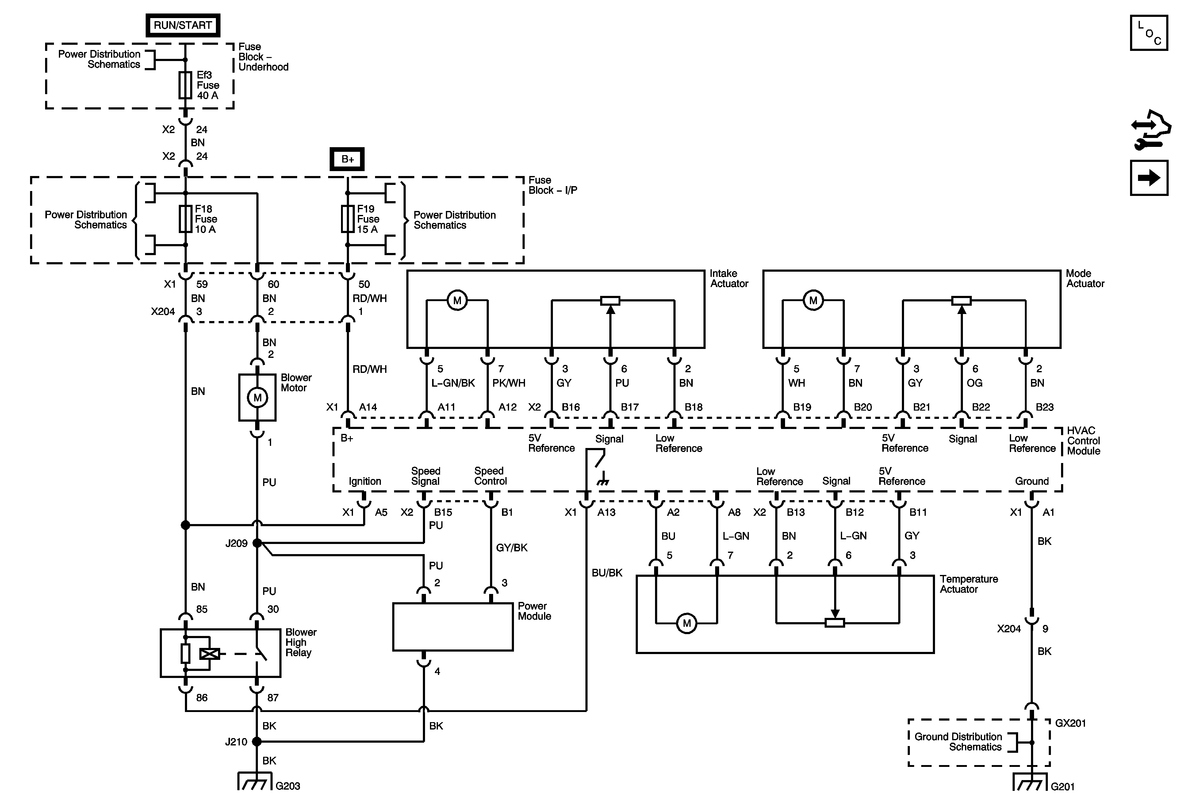
🢒 Blower, Mode, Temperature Controls
Blower, Mode, Temperature Controls
Blower, Mode, Temperature Controls
Master Electrical Component List
Control Module References
Temperature Sensors and Signals
EF3, F1, 2, 10, 15, 18, 30, 33, 39 Fuses, Run, ACC/RAP Relays
EF3, F1, 2, 10, 15, 18, 30, 33, 39 Fuses, Run, ACC/RAP Relays
EF2, F11, 12, 14, 16, 19, 24, 26, 31, 35 Fuses
Ground Distribution G102, G202, G203, G204
Ground Distribution G201
Ground Distribution G201