GM Service Manual Online
For 1990-2009 cars only
Makes
🢒
Opel
🢒
2007
🢒
Antara
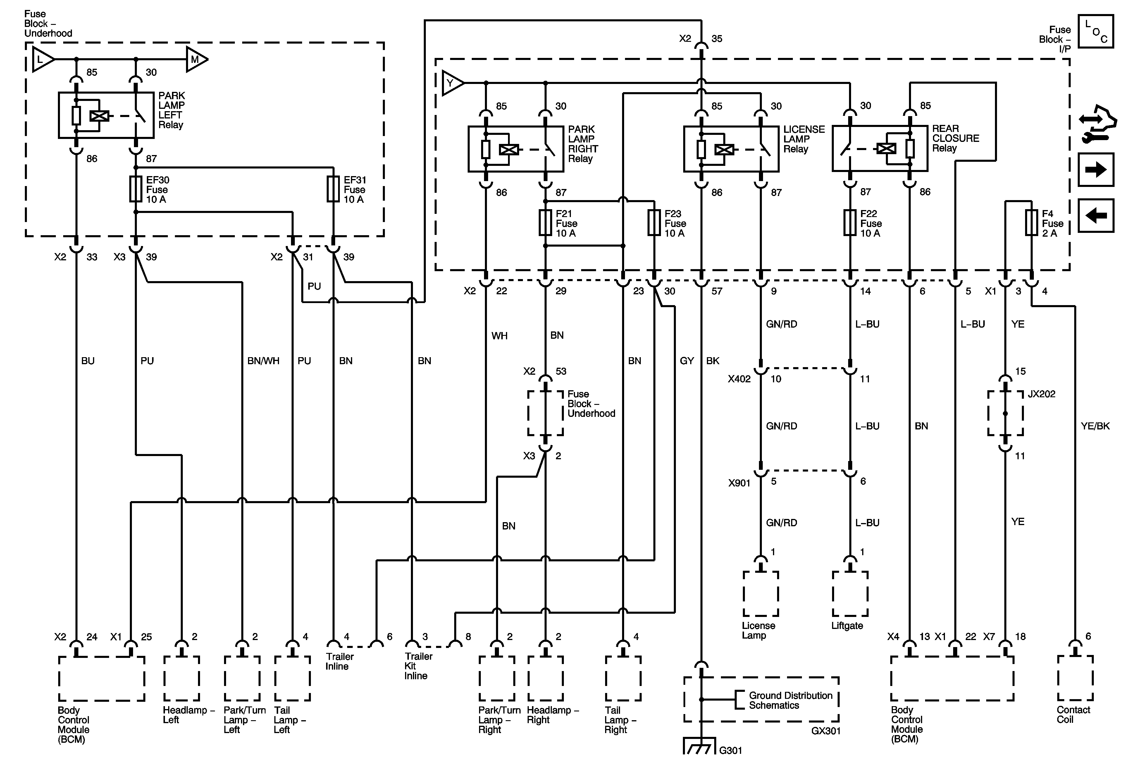
🢒 EF30, EF31, F4, F21, F22, F23 Fuses (Short Body)
EF30, EF31, F4, F21, F22, F23 Fuses (Short Body)
EF 30, EF31, F 4, F21, F22, F23 Fuses
Master Electrical Component List
Control Module References
EF10, 11, 12, 13, 15 Fuses, Main Relay (3.2L 2 of 2)
EF10, 11, 12, 13, 15 Fuses, Main Relay (3.2L 1 of 2)