GM Service Manual Online
For 1990-2009 cars only
Makes
🢒
Opel
🢒
2008
🢒
Antara
🢒
Brakes
🢒
Hydraulic Brakes
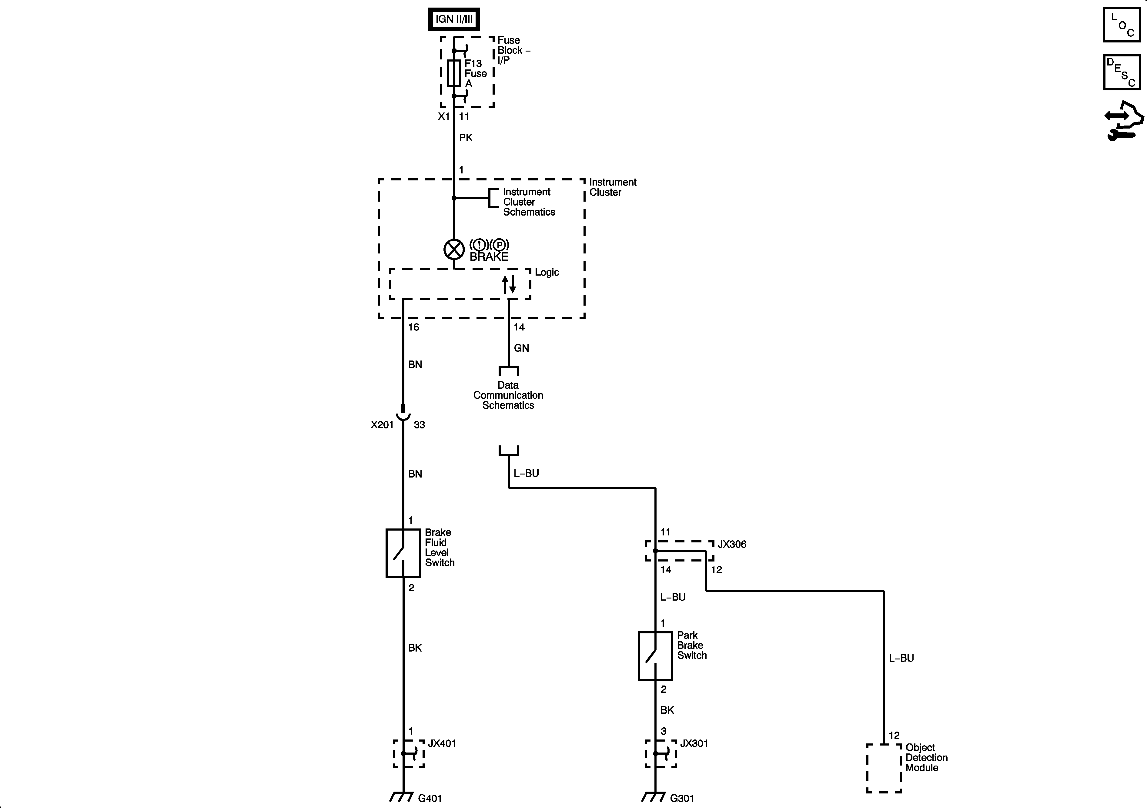
🢒 Hydraulic Brake Schematics
Master Electrical Component List
Hydraulic Brake System Description and Operation
Control Module References
EF7, F6, 8, 9, 13, 17, 20, 25, 27, 29 Fuses, Run/Crank, Rear Fog Lamps, Outside Rearview Mirror, liftgate Glass Relays
Data Link Connector (DLC)
G401 (2 of 2)
G301 (2 of 3)