GM Service Manual Online
For 1990-2009 cars only
Makes
🢒
Opel
🢒
2008
🢒
Antara
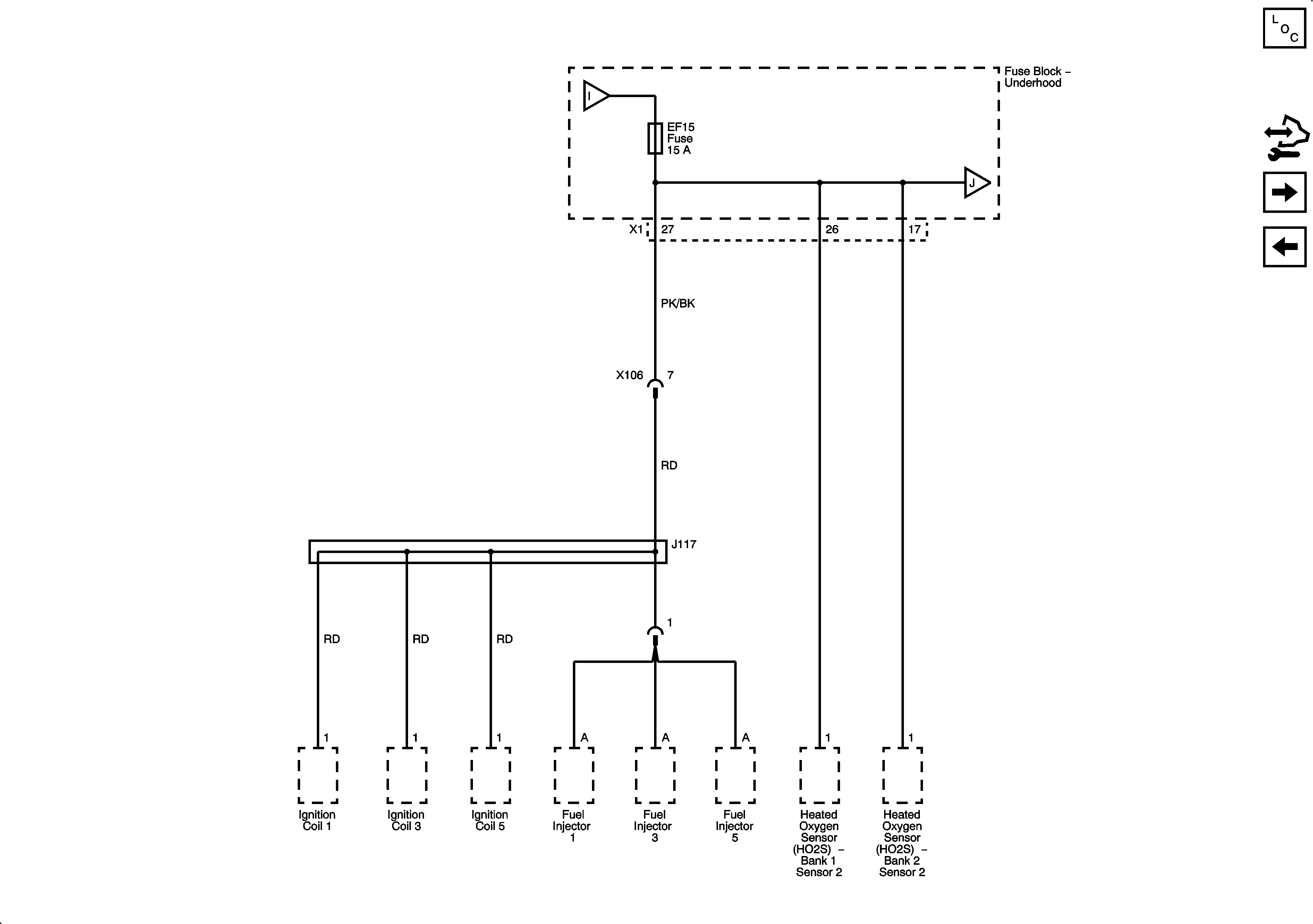
🢒 EF10, 11, 12, 13, 15 Fuses, Main Relay (3.2L) 2 of 2
EF10, 11, 12, 13, 15 Fuses, Main Relay (3.2L) 2 of 2
EF10, 11, 12, 13, 15 Fuses, Main Relay (3.2L) 2 of 2
Master Electrical Component List
Control Module References
EF8, 9, 14 Fuses, A/C Compressor, Cooling Fan Relays
EF10, 11, 12, 13, 15 Fuses, Main Relay (3.2L) 1 of 2