GM Service Manual Online
For 1990-2009 cars only
Makes
🢒
Opel
🢒
2008
🢒
Antara
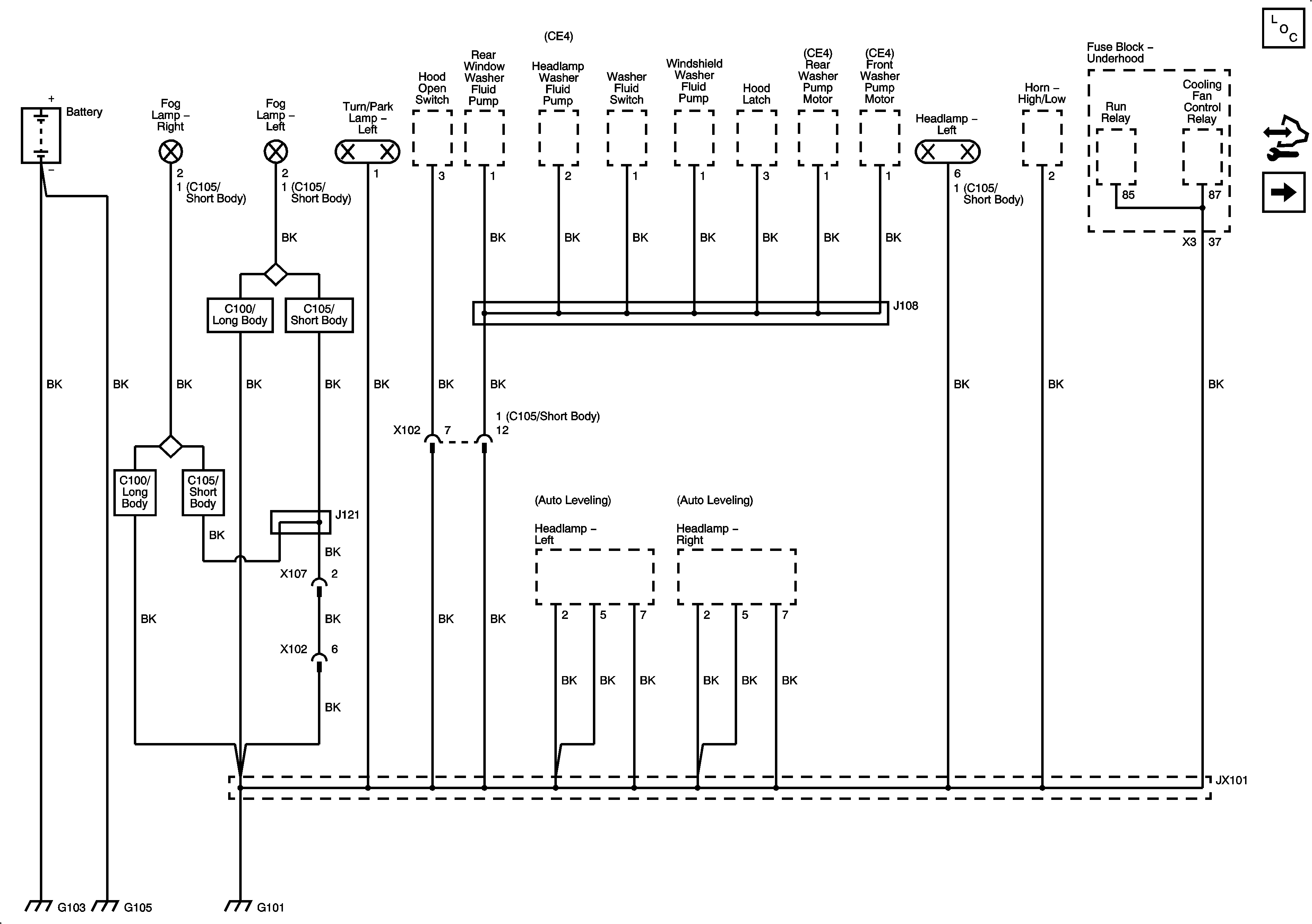
🢒 G101, G103, G105
G101, G103, G105
G101, G103, G105
Master Electrical Component List
Control Module References
G102, G202, G203, G204