GM Service Manual Online
For 1990-2009 cars only
Makes
🢒
Opel
🢒
2008
🢒
Antara
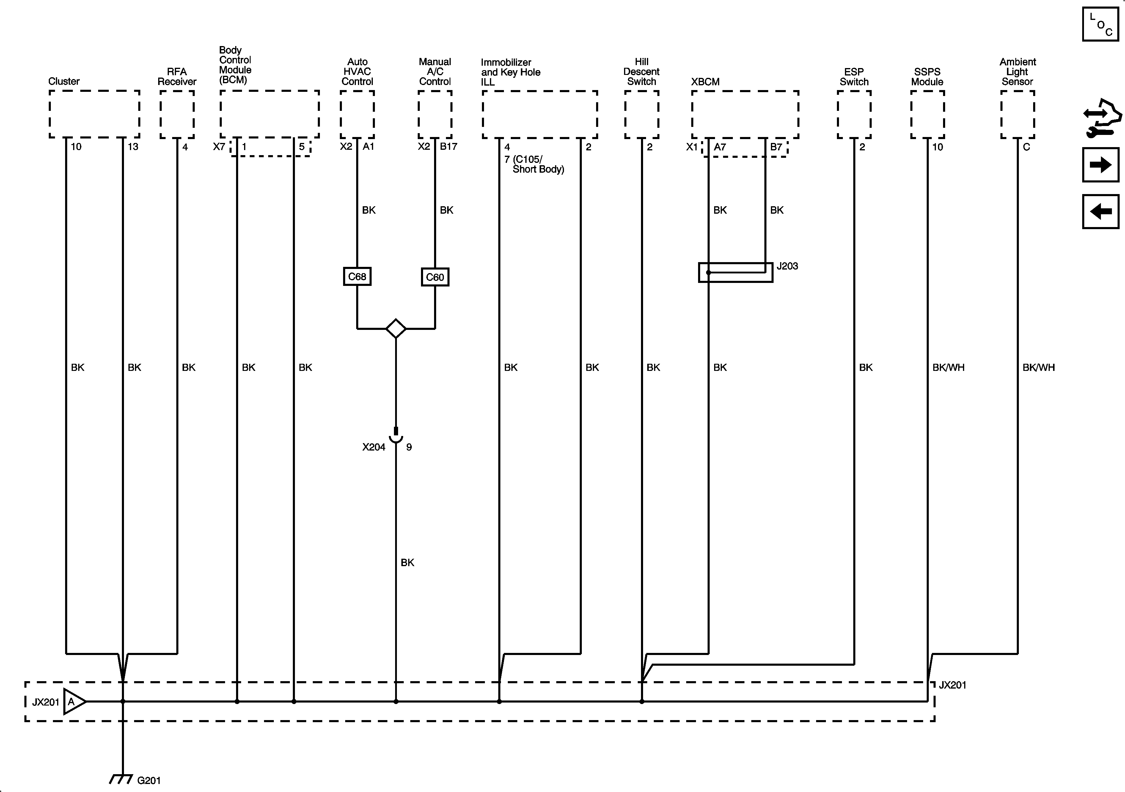
🢒 G201 (2 of 2)
G201 (2 of 2)
G201 (2 of 2)
Master Electrical Component List
Control Module References
G301 (1 of 3)
G201 (1 of 2)